GM Service Manual Online
For 1990-2009 cars only

Removal Procedure

Tools Required

J 41416 Ultrasonic Leak Detector

Caution: Natural gas is highly flammable. In order to reduce the risk of fire and personal injury, keep sparks, flames, and smoking materials away from the vehicle while you perform the Compressed Natural Gas (CNG) fuel system service.


    Object Number: 296370  Size: SH

    Caution: The Compressed Natural Gas (CNG) system operates at pressures up to 24820 kpa (3600 psi). Relieve the CNG fuel system pressure before servicing CNG fuel system components in order to reduce the risk of fire and personal injury.

  1. Relieve the CNG fuel system pressure. Refer to Fuel Pressure Relief .
  2. Caution: Unless directed otherwise, the ignition and start switch must be in the OFF or LOCK position, and all electrical loads must be OFF before servicing any electrical component. Disconnect the negative battery cable to prevent an electrical spark should a tool or equipment come in contact with an exposed electrical terminal. Failure to follow these precautions may result in personal injury and/or damage to the vehicle or its components.

  3. Disconnect the negative battery cable.
  4. Disconnect the mass air flow (MAF) and intake air temperature (IAT) sensor electrical connectors.

  5. Object Number: 296371  Size: SH
  6. Remove the air cleaner assembly.
  7. Remove the air intake duct.

  8. Object Number: 296490  Size: SH
  9. Disconnect the low pressure lock-off (LPL) electrical connector.
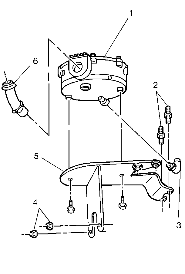
  10. Disconnect the fuel line from the LPL inlet fitting (1). Discard the O-ring face seal.
  11. Remove the four screws from the gas mass sensor (GMS) inlet elbow (2).
  12. Loosen the fuel hose clamp at the low pressure regulator (LPR) outlet elbow (3).
  13. Remove the fuel hose with clamps at the GMS inlet elbow.

  14. Object Number: 296378  Size: MH
  15. Remove the exhaust manifold nuts.
  16. Remove the wire harness bracket nuts.
  17. Remove the wire harness bracket.
  18. Remove the studs from the ignition coil bracket.
  19. Remove the LPR module.
  20. Remove the LPL to LPR fuel line. Discard the O-rings.
  21. Remove the LPR to bracket bolts.
  22. Remove the LPR from the bracket.
  23. If replacing the LPR, disassemble the following components:
  24. • The inlet fitting.
    • The outlet elbow.

Installation Procedure


    Object Number: 296378  Size: MH

    Notice: Use the correct fastener in the correct location. Replacement fasteners must be the correct part number for that application. Fasteners requiring replacement or fasteners requiring the use of thread locking compound or sealant are identified in the service procedure. Do not use paints, lubricants, or corrosion inhibitors on fasteners or fastener joint surfaces unless specified. These coatings affect fastener torque and joint clamping force and may damage the fastener. Use the correct tightening sequence and specifications when installing fasteners in order to avoid damage to parts and systems.

    Important: Apply pipe thread sealant to the threads of the outlet elbow and the inlet fitting before installation.

  1. If replacing the LPR, assemble the following:
  2. 1.1. Assemble the outlet elbow. Position it vertically when installing.

    Tighten
    Tighten the outlet elbow finger tight plus one to three turns to the correct position.

    1.2. Assemble the inlet fitting. Position it vertically when installing.

    Tighten
    Tighten the inlet fitting finger tight plus one to three turns to the correct position.

  3. Install the LPR to the bracket.
  4. Install the LPR to bracket bolts.
  5. Tighten
    Tighten the LPR to bracket bolts to 12 N·m (108 lb in).

    Caution: Natural gas is stored under high pressure. If a leak occurs, the high pressure could cause a personal injury. In order to prevent Compressed Natural Gas (CNG) fuel leaks, always replace the CNG fuel system O-rings during service.

  6. Install the LPL to LPR fuel line using the new O-ring face seals. Lubricate the O-ring face seals with petroleum jelly or equivalent.
  7. Tighten
    Tighten the LPL to LPR fuel line fittings to 37 N·m (27 lb ft).

  8. Install the LPR module.
  9. Install the studs to the ignition coil bracket.
  10. Tighten
    Tighten the ignition coil bracket studs to 12 N·m (108 lb in).

  11. Install the wire harness bracket.
  12. Install the wire harness bracket nuts.
  13. Tighten
    Tighten the wire harness bracket nuts to 9.5 N·m (84 lb in).

  14. Install the exhaust manifold nuts.
  15. Tighten
    Tighten the exhaust manifold nuts to 27 N·m (20 lb ft).


    Object Number: 296490  Size: SH
  16. Install the fuel hose with clamps at the GMS inlet elbow (3).
  17. Tighten
    Tighten the fuel vapor hose clamp to 2 N·m (18 lb in).

  18. Install the screws to the GMS inlet elbow (2).
  19. Tighten
    Tighten the GMS inlet elbow screws to 5.4 N·m (48 lb in).

  20. Connect the fuel line to the LPL inlet (1) using a new O-ring face seal. Lubricate the O-ring face seal with petroleum jelly or equivalent.
  21. Tighten
    Tighten the fuel line at LPL inlet fitting to 37 N·m (27 lb ft).

  22. Connect the LPL electrical connector.

  23. Object Number: 296371  Size: SH
  24. Install the air cleaner assembly and air cleaner duct.

  25. Object Number: 296370  Size: SH
  26. Connect the MAF and IAT sensor electrical connectors.
  27. Connect the negative battery cable.
  28. Tighten
    Tighten the negative battery terminal to 15 N·m (11 lb ft).

  29. Open the manual shut-off valve.
  30. Start the vehicle and use the J 41416 in order to inspect for CNG fuel leaks at each serviced fitting.