GM Service Manual Online
For 1990-2009 cars only

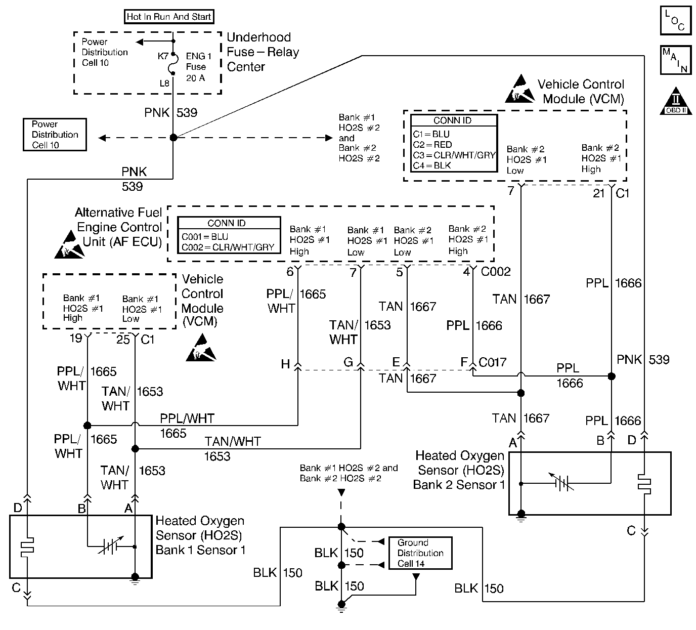
Object Number: 357772  Size: LF
Engine Controls Components
Engine Controls Schematics
OBD II Symbol Description Notice
Handling ESD Sensitive Parts Notice
Handling ESD Sensitive Parts Notice
Handling ESD Sensitive Parts Notice

Circuit Description

The Heated Oxygen Sensor (HO2S) is used in order to determine the oxygen content of the engine's exhaust. The oxygen content of the exhaust indicates when the engine is operating lean or rich. When the engine is operating lean the exhaust will have more oxygen content. Once at operating temperature, the HO2S will produce a voltage in relation to the oxygen content of the exhaust. The HO2S requires an operating temperature of 360°C (600°F) to produce voltage. The HO2S will produce more voltage when the exhaust is rich and less voltage when the exhaust is lean. The HO2S operating voltage range is around 0.10 volts (100 mV) to 1 volt (1000 mV).

The gasoline control module (VCM/PCM or ECM) supplies a bias (or reference) voltage to the HO2S. This bias voltage is around 450 millivolts.

This DTC is used to indicate an HO2S signal voltage that is below the normal operating range of the sensor.

Conditions for Running the DTC

    • The engine is operating on alternative fuel.
    • The engine speed is more than 400 RPM.
    • The engine coolant temperature is more than 70°C (160°F).
    • The AF ECU determines the HO2S has been at operating temperature for at least 30 seconds. The engine coolant temperature must be more than 40°C (104°F) AND desired gas flow must be above 0.3 grams per second for 30 seconds in order for the AF ECU to determine the HO2S is at operating temperature.
    • The AF ECU is operating in Closed Loop fuel control.

Conditions for Setting the DTC

The AF ECU monitors an HO2S signal voltage of less than 0.08 volts (78 mV) for 15 seconds continuously.

Action Taken When the DTC Sets

The AF ECU will control fuel trim based upon the Bank 1 Sensor 1 signal. If a Bank 1 Sensor 1 DTC sets the AF ECU will operate in Open Loop fuel control.

    • A first failure of this DTC will NOT illuminate the MIL and will store as Last Test Failed but not as History.
    • The AF ECU will illuminate the MIL and store the DTC as History after TWO consecutive drive trips that the diagnostic runs and fails.
    • The AF ECU will record operating conditions at the time the DTC sets. This information will be stored as Freeze Frame data.

Conditions for Clearing the MIL/DTC

    • The Last Test Failed status will clear when the DTC runs and passes.
    • The AF ECU will turn OFF the MIL after 3 consecutive drive trips that the DTC runs and passes.
    • The History status will clear after 40 consecutive WARM-UP cycles with NO failures of ANY DTC.
    • All DTC Information can be cleared using a scan tool.
    • Interruption of Control Module (AF ECU / VCM / PCM or ECM) power or ground MAY clear DTC Information. Clearing DTC Information with this method is inconsistent and should not be performed.

Diagnostic Aids

Fault Not Present

Fault Not Present indicates the condition that caused the DTC to set is intermittent and not currently present. Refer to Intermittent Conditions for additional information. If any additional DTCs were stored proceed to the applicable DTC table in the order stated in the OBD System Check.

Step

Action

Value(s)

Yes

No

1

Did you perform the AF Powertrain On-Board Diagnostic (OBD) System Check?

--

Go to Step 2

Go to Alternative Fuels (AF) Powertrain On Board (OBD) System Check

2

  1. Run the engine until a normal operating temperature is reached.
  2. Use a scan tool in order to establish communication with the AF engine control unit (ECU).
  3. Use the scan tool in order to monitor the AF ECU HO2S voltage for the sensor that applies to this DTC.

Is the voltage fixed at less than the specified value?

78 mV

Go to Step 5

Go to Step 3

3

The condition that set this DTC is not present. This DTC may have been set by one of the following conditions:

    • A signal wire intermittently shorted to engine ground or to the HO2S Low circuit
    • An open between the engine harness circuit splice and the AF ECU connectors
    • Water intrusion of the HO2S connector
    • An exhaust leak between the HO2S and the engine
    • An intermittent lean engine condition such as the following:
       - Any vacuum leaks
       - An in correct or defective PCV valve or system
       - An incorrect fuel pressure
       - A lean GMS/MCV
       - An inaccurate MAF sensor
    • Repair any of the above or similar engine conditions as necessary.

Was a condition found and repaired?

--

Go to Step 16

Go to Step 4

4

The fault is not present. Refer to Diagnostic Aids.

Are any DTCs stored that have not been diagnosed?

--

Go to Diagnostic Trouble Code (DTC) List

Go to Intermittent Conditions

5

  1. Run the engine until a normal operating temperature is reached.
  2. Use the scan tool in order to establish communication with the gasoline control module (VCM/PCM or ECM).
  3. Use the scan tool in order to monitor the HO2S voltage for the sensor that applies to this DTC.

Is the voltage fixed at nless than the specified value?

78 mV

Go to Step 6

Go to Step 11

6

  1. Turn the ignition OFF.
  2. Disconnect the AF ECU connectors.
  3. Run the engine until a normal operating temperature is reached.
  4. Use the scan tool in order to monitor the HO2S voltage for the sensor that applies to this DTC.

Is the voltage fixed at less than the specified value?

78 mV

Go to Step 7

Go to Step 12

7

  1. Turn the ignition OFF.
  2. Disconnect the HO2S connector for the sensor that applies to this DTC.
  3. Leave the AF ECU disconnected.
  4. Jumper the HO2S Low circuit terminal (engine harness side) to a known good ground.
  5. Turn the ignition ON, leaving the engine OFF.
  6. Use the scan tool in order to monitor the HO2S voltage for the sensor that applies to this DTC.

Is the voltage within the specified range?

351 -- 551 mV

Go to Step 8

Go to Step 9

8

The HO2S may be detecting a lean exhaust condition. Inspect for one of the following conditions:

    • Water intrusion of the HO2S connector
    • An exhaust leak between the HO2S and the engine.
    • Any vacuum leaks
    • An incorrect or defective PCV valve or system
    • An inaccurate MAF sensor

Repair any of the above or similar engine conditions as necessary.

Was a condition found and repaired?

--

Go to Step 16

Go to Step 14

9

  1. Turn the ignition OFF.
  2. Remove the jumper from the HO2S Low circuit terminal.
  3. Disconnect the gasoline control module (VCM/PCM or ECM) connector that contains the HO2S High signal circuit.
  4. Use a digital multimeter (DMM) in order to measure and record the resistance between the HO2S High signal circuit and ground.
  5. Measure and record the resistance between the HO2S High signal circuit and the HO2S Low circuit.

Is the resistance infinite for both tests?

Go to Step 15

Go to Step 10

10

Repair the HO2S signal High circuit short to ground or short to the HO2S Low circuit.

Is the action complete?

--

Go to Step 16

--

11

  1. Test the HO2S High and Low circuits for continuity between the engine harness circuit splices and the AF ECU connector terminals.
  2. Measure for continuity between the oxygen sensor connector and the AF ECU connector.
  3. Test for proper terminal contact at the AF ECU connector terminals and at the gasoline engine harness to CNG harness connector terminals (C017).
  4. Repair any wiring or terminals as necessary. Refer to Wiring Repairs or to Connector Repairs in Wiring Systems.

Was a wiring or terminal repair made?

--

Go to Step 16

Go to Step 13

12

The HO2S may be detecting a lean exhaust condition only during CNG operation.

Perform the Fuel System Diagnosis and return to this step.

Was a lean AF fuel system condition found and repaired?

--

Go to Step 16

Go to Step 13

13

  1. Replace the AF ECU. Refer to Engine Control Unit Replacement .
  2. Program (flash) the replacement control module with the correct vehicle software and calibration.

Did you complete the repair?

--

Go to Step 16

--

14

Replace the HO2S. Refer to Heated Oxygen Sensor Replacement .

Did you complete the repair?

--

Go to Step 16

--

15

Important: The following control module replacement procedures must all be completed before attempting to operate the vehicle.

  1. Replace the gasoline control module (VCM/PCM or ECM). Refer to VCM Replacement/Programming .
  2. Program (flash) the replacement control module with the correct vehicle software and calibration.
  3. Important: In order to perform the variation learn procedure, a switch to gasoline operation is necessary. Remove the CNG 20 amp fuse in order to perform the switch.

  4. Perform the Crankshaft Position System Variation Learn .
  5. All of the above procedures are located in the gasoline engine service manual.

Did you complete the repair?

--

Go to Step 16

--

16

  1. Reconnect all disconnected or removed components.
  2. Use the scan tool in order to clear all DTC information from BOTH the gasoline control module (VCM/PCM or ECM) and the AF ECU.
  3. Use the scan tool in order to communicate with the BOTH the gasoline control module and the AF ECU in order to reset the Fuel Trim values to zero.
  4. Start the engine.
  5. Operate the vehicle within the Conditions for Running the DTC until the scan tool indicates the diagnostic ran.

Does the scan tool indicate the diagnostic passed?

--

System OK

Go to Step 2