GM Service Manual Online
For 1990-2009 cars only
Makes
🢒
Chevrolet
🢒
1999
🢒
Chevy C Silverado - 2WD
🢒
Body and Accessories
🢒
Wiring Systems
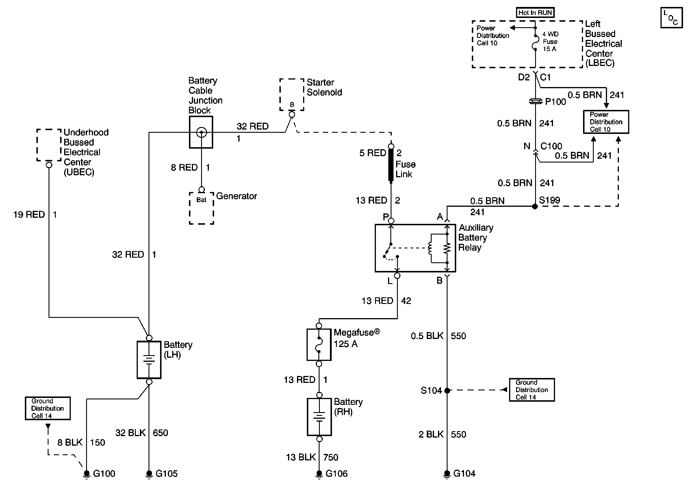
🢒 Auxiliary Battery Schematics
Cell 17
Power and Grounding Components
Cell 10: Left Bussed Electrical Center, Electronic Brake Control Module
Cell 10: Left Bussed Electrical Center, Electronic Brake Control Module
Cell 14: RH Fog Lamp, RH Park/Turn Lamp
Cell 14: Underhood Bussed Electrical Center, Windshield Wiper Motor