GM Service Manual Online
For 1990-2009 cars only
Makes
🢒
Chevrolet
🢒
1999
🢒
Chevy C Silverado - 2WD
🢒
Body and Accessories
🢒
Horns
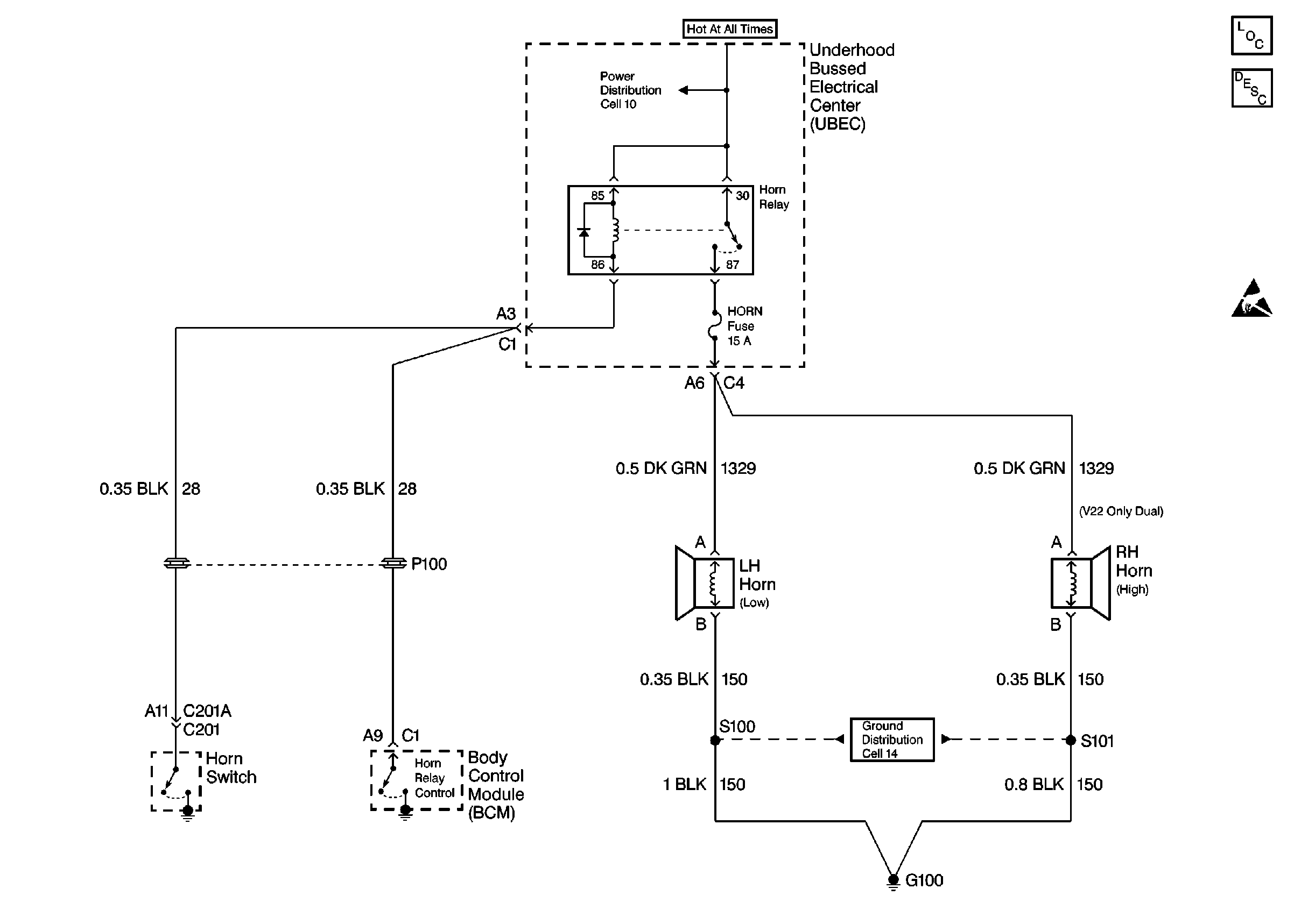
🢒 Horn Schematics
Cell 40
Horns Components
Horns Circuit Description
Handling ESD Sensitive Parts Notice
Cell 10: A/C Compressor Relay, Auxiliary Power Outlet
Cell 14: RH Fog Lamp, RH Park/Turn Lamp