GM Service Manual Online
For 1990-2009 cars only
Makes
🢒
Chevrolet
🢒
1999
🢒
Chevy C Silverado - 2WD
🢒
Body and Accessories
🢒
Doors
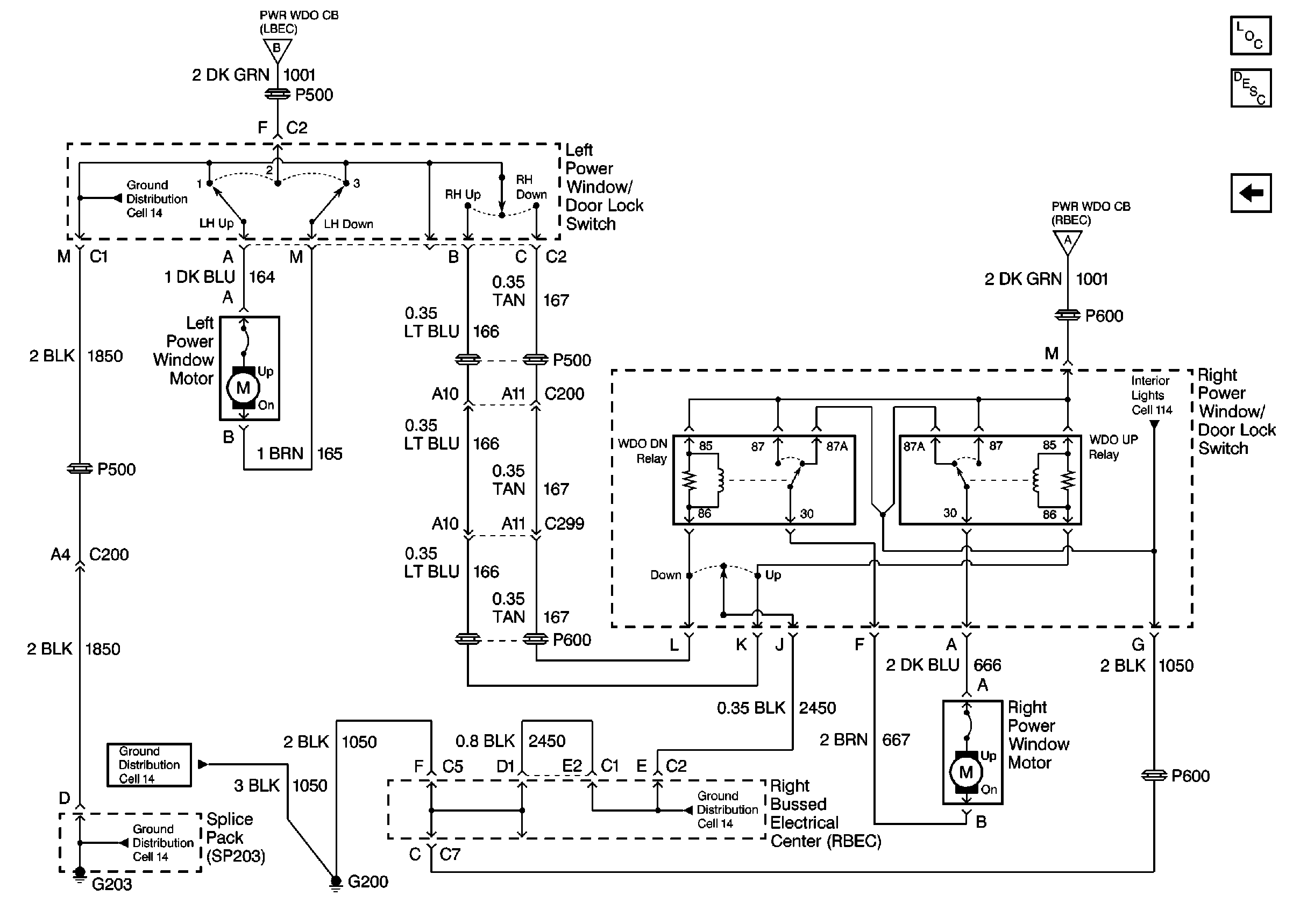
🢒 Power Window Schematics
Figure
1:
Cell 120: Underhood Bussed Electrical Center, Left Bussed Electrical Center
Power Door Systems Components
Power Windows Circuit Description
Cell 120: Right Power Window/Door Switch, Right Power Window Motor
Handling ESD Sensitive Parts Notice
Cell 10: Underhood Bussed Electrical Center, Headlamp Dimmer Switch
Cell 10: Underhood Bussed Electrical Center, HVAC Blower Switch
Cell 10: Underhood Bussed Electrical Center, Headlamp Dimmer Switch
Cell 10: Underhood Bussed Electrical Center, HVAC Blower Switch
Cell 120: Right Power Window/Door Switch, Right Power Window Motor
Cell 120: Right Power Window/Door Switch, Right Power Window Motor
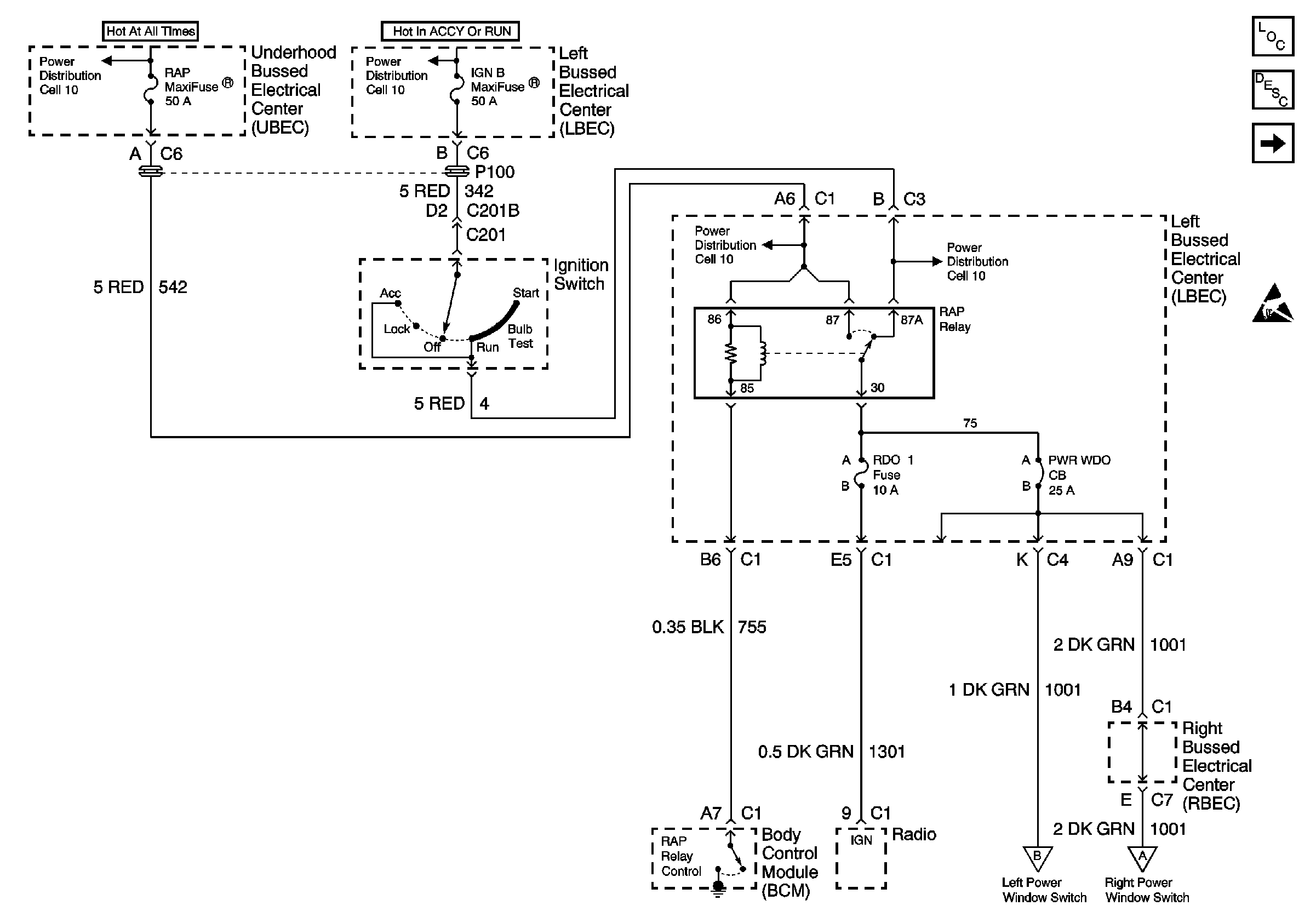
Figure
2:
Cell 120: Right Power Window/Door Switch, Right Power Window Motor
Power Door Systems Components
Power Windows Circuit Description
Cell 120: Underhood Bussed Electrical Center, Left Bussed Electrical Center
Cell 120: Underhood Bussed Electrical Center, Left Bussed Electrical Center
Cell 14: Full Feature Seat Heated/Memory Seat Switch, Light Bar Switch
Cell 120: Underhood Bussed Electrical Center, Left Bussed Electrical Center
Interior Lights Schematics
Cell 14: Full Feature Seat Heated/Memory Seat Switch, Light Bar Switch
Cell 14: Full Feature Seat Heated/Memory Seat Switch, Light Bar Switch
Cell 14: Temperature Door Motor, Passenger Heated Seat Switch, Roof Marker Lamps