GM Service Manual Online
For 1990-2009 cars only
Makes
🢒
Chevrolet
🢒
1999
🢒
Chevy C Silverado - 2WD
🢒
Body and Accessories
🢒
Doors
🢒 Door Lock/Indicator Schematics
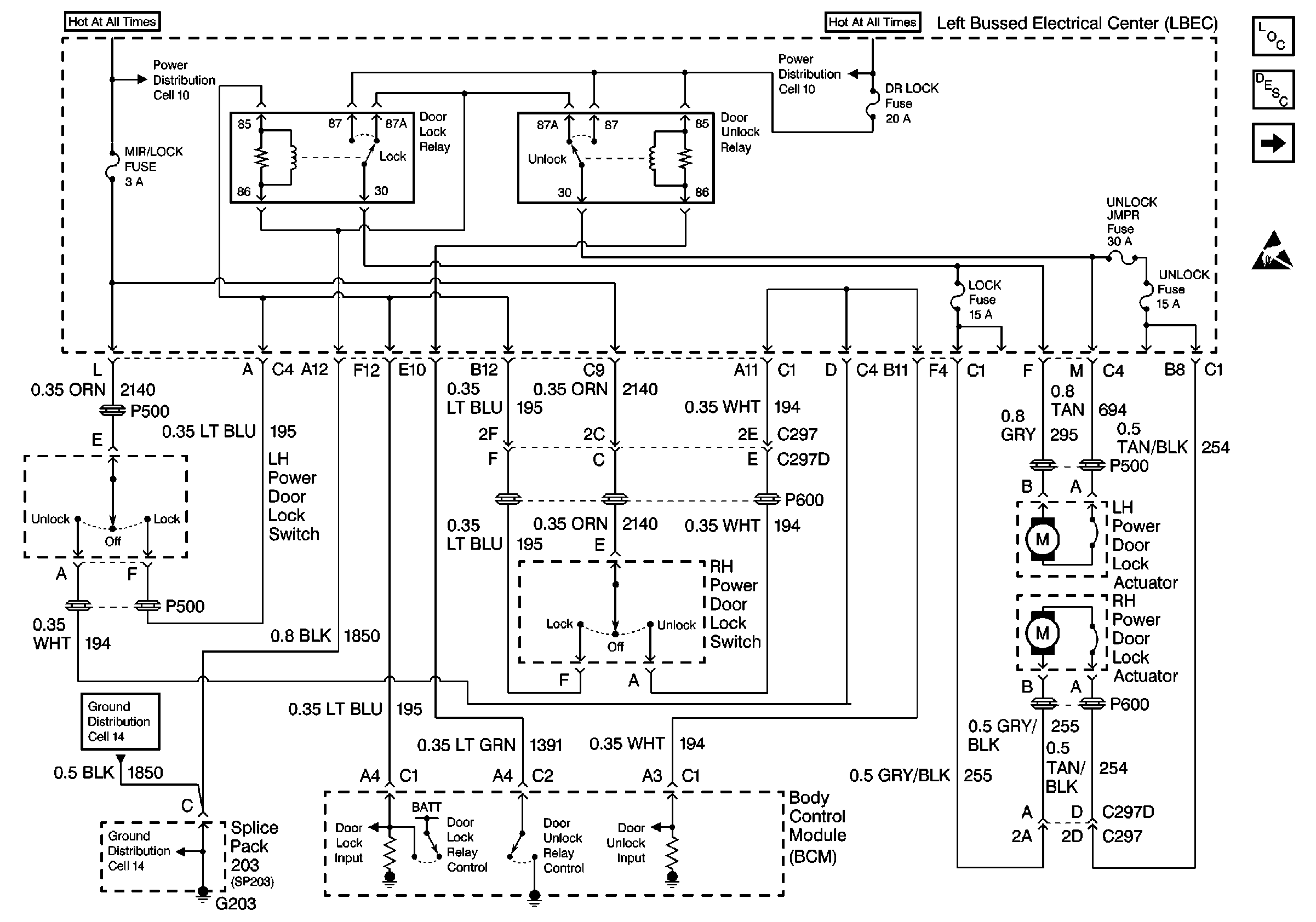
Figure
1:
Cell 130: Left Bussed Electrical Center, Body Control Module (Base)
Power Door Systems Components
Power Door Locks Circuit Description
Cell 130: Right Bussed Electrical Center, LH Power Door Lock Actuator(Up Level)
Cell 10: Underhood Bussed Electrical Center, Headlamp Dimmer Switch
Cell 10: Underhood Bussed Electrical Center, Headlamp Dimmer Switch
Cell 14: Full Feature Seat Heated/Memory Seat Switch, Light Bar Switch
Cell 14: Full Feature Seat Heated/Memory Seat Switch, Light Bar Switch
Figure
2:
Cell 130: Right Bussed Electrical Center, LH Power Door Lock Actuator (Up Level)
Power Door Systems Components
Power Door Locks Circuit Description
Cell 130: Left Bussed Electrical Center, Body Control Module (Base)
Cell 10: Underhood Bussed Electrical Center, Headlamp Dimmer Switch
Cell 10: Underhood Bussed Electrical Center, Headlamp Dimmer Switch
Cell 14: Full Feature Seat Heated/Memory Seat Switch, Light Bar Switch
Cell 14: Full Feature Seat Heated/Memory Seat Switch, Light Bar Switch