GM Service Manual Online
For 1990-2009 cars only
Makes
🢒
Chevrolet
🢒
1999
🢒
Chevy C Silverado - 2WD
🢒
Body and Accessories
🢒
Seats
🢒 Heated Seats Schematics
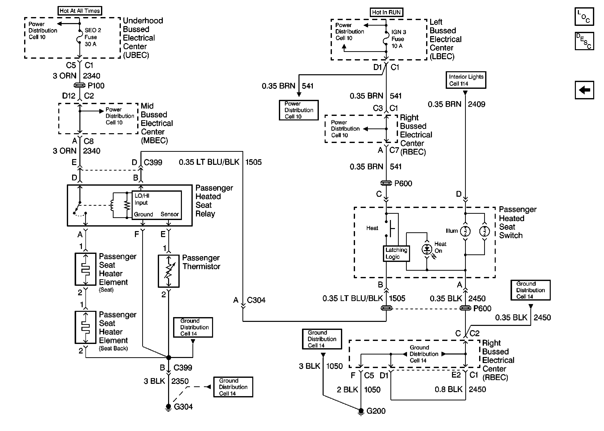
Figure
1:
Cell 143: Passenger Heater Seat Switch, Right Bussed Electrical Center
Power Seat Systems Components
Heated Seats Circuit Description
Cell 143: Driver Heater Seat Switch, Splice Pack 203
Cell 10: Underhood Bussed Electrical Center, Bussed Fuses
Cell 10: Left Bussed Electrical Center, Electronic Brake Control Module
Cell 10: Underhood Bussed Electrical Center, Automatic Transfer Case
Cell 10: Left Bussed Electrical Center, Electronic Brake Control Module
Cell 10: Left Bussed Electrical Center, Electronic Brake Control Module
Interior Lights Schematics
Cell 14: Passenger Seat Bolster Switch, Passenger Power Seat Switch
Cell 14: Passenger Seat Bolster Switch, Passenger Power Seat Switch
Cell 14: Temperature Door Motor, Passenger Heated Seat Switch, Roof Marker Lamps
Cell 14: Temperature Door Motor, Passenger Heated Seat Switch, Roof Marker Lamps
Cell 14: Temperature Door Motor, Passenger Heated Seat Switch, Roof Marker Lamps
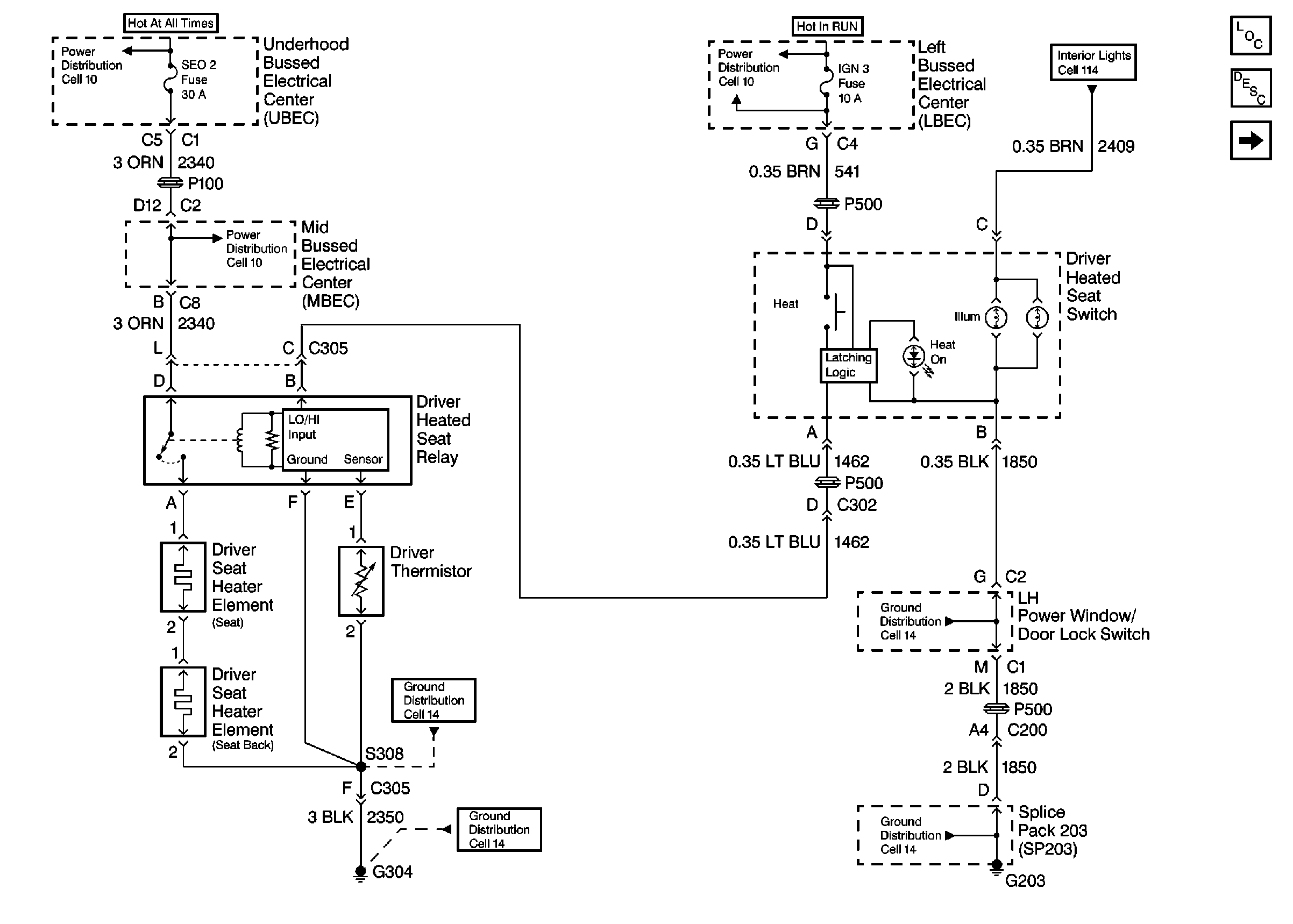
Figure
2:
Cell 143: Driver Heater Seat Switch, Splice Pack 203
Power Seat Systems Components
Heated Seats Circuit Description
Cell 143: Passenger Heater Seat Switch, Right Bussed Electrical Center
Cell 10: Underhood Bussed Electrical Center, Bussed Fuses
Cell 10: Left Bussed Electrical Center, Electronic Brake Control Module
Interior Lights Schematics
Cell 10: Underhood Bussed Electrical Center, Data Link Connector
Cell 14: Passenger Seat Bolster Switch, Passenger Power Seat Switch
Cell 14: Passenger Seat Bolster Switch, Passenger Power Seat Switch
Cell 14: Full Feature Seat Heated/Memory Seat Switch, Light Bar Switch
Cell 14: Full Feature Seat Heated/Memory Seat Switch, Light Bar Switch