GM Service Manual Online
For 1990-2009 cars only
Makes
🢒
Chevrolet
🢒
1999
🢒
Chevy C Silverado - 2WD
🢒 Cell 114: Underhood Bussed Electrical Center, Splice Pack 203
Cell 114: Underhood Bussed Electrical Center, Splice Pack 203
Cell 114: Underhood Bussed Electrical Center, Splice Pack 203
Lighting Systems Components
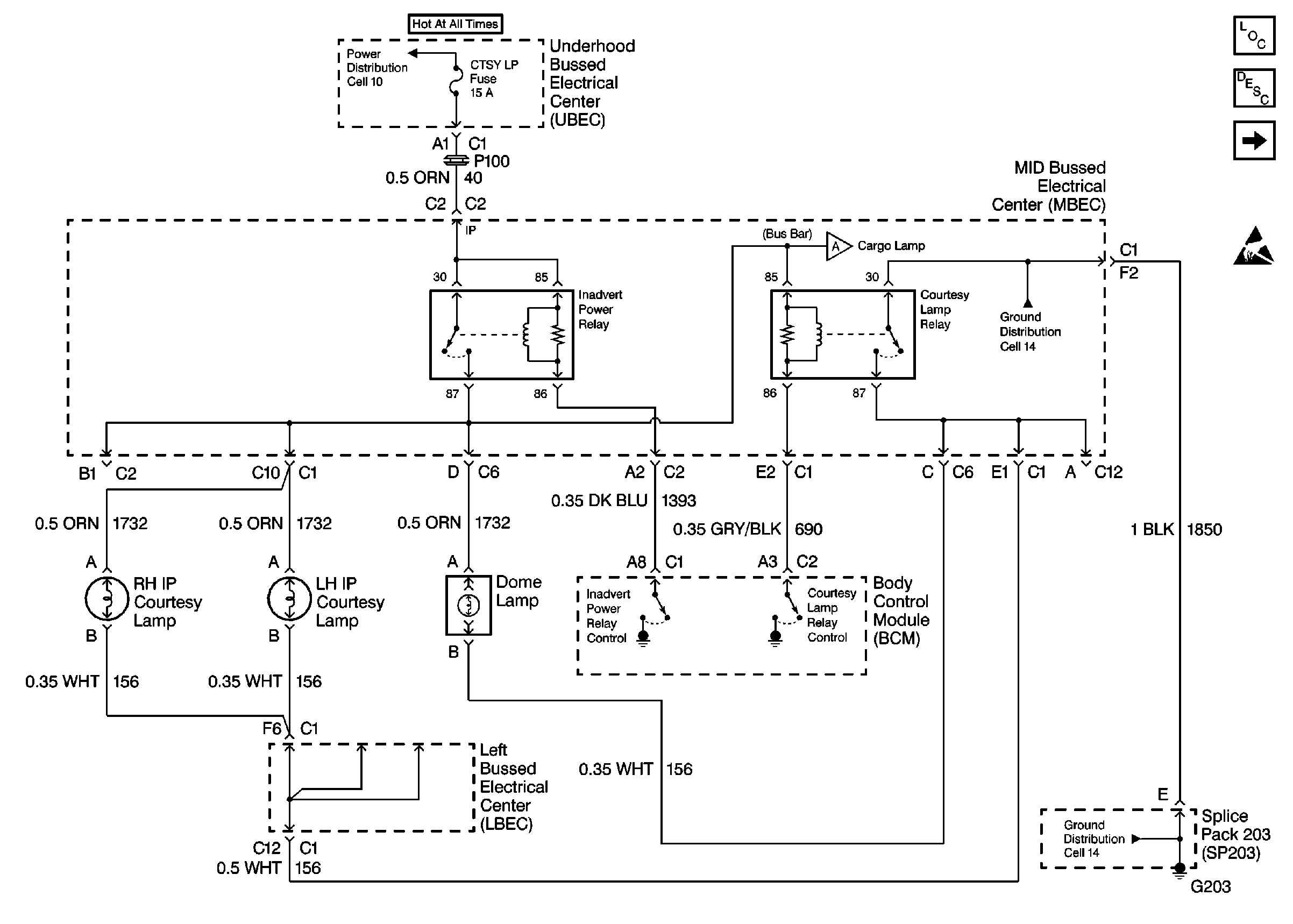
Interior Lights Circuit Description
Cell 114: MID Bussed Electrical Center, Underhood Lamp Assembly
Handling ESD Sensitive Parts Notice
Cell 10: Underhood Bussed Electrical Center, HVAC Blower Switch
Cell 114: MID Bussed Electrical Center, Underhood Lamp Assembly
Cell 14: Horn Switch, C201C, C207C
Cell 14: Full Feature Seat Heated/Memory Seat Switch, Light Bar Switch