GM Service Manual Online
For 1990-2009 cars only
Makes
🢒
Chevrolet
🢒
1999
🢒
Chevy C Silverado - 2WD
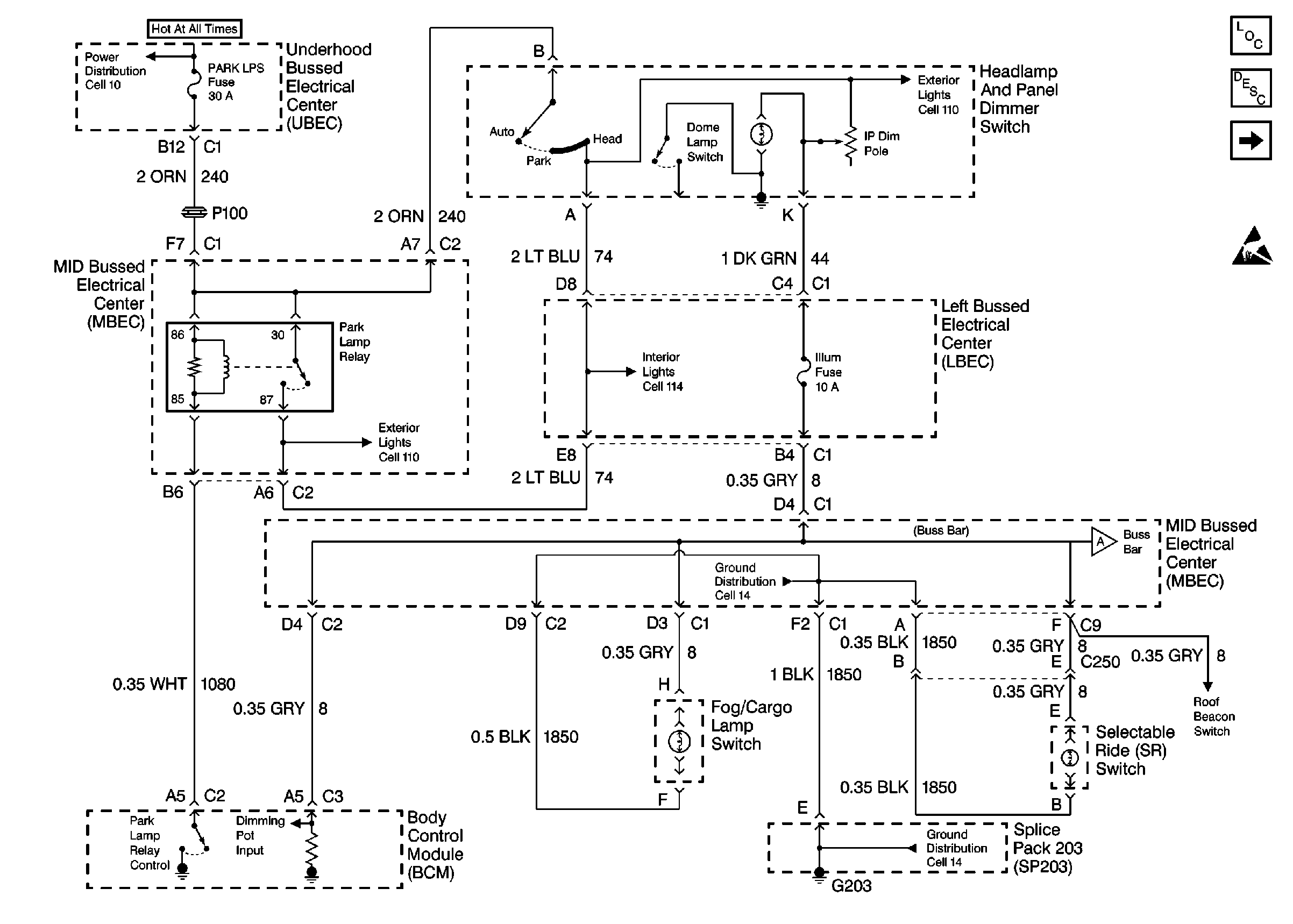
🢒 Cell 117: G203, Headlamp and Panel Dimmer Switch
Cell 117: G203, Headlamp and Panel Dimmer Switch
Cell 117: G203, Headlamp and Panel Dimmer Switch
Lighting Systems Components
Interior Lights Circuit Description
Cell 117: G200, G203, Inflatable Restraint IP Module Switch
Handling ESD Sensitive Parts Notice
Cell 10: Underhood Bussed Electrical Center, HVAC Blower Switch
Exterior Lights Schematics
Exterior Lights Schematics
Cell 114: Body Control Module, Headlamp and Dimmer Switch
Cell 117: G200, G203, Inflatable Restraint IP Module Switch
Cell 14: Horn Switch, C201C, C207C
Cell 14: Horn Switch, C201C, C207C