GM Service Manual Online
For 1990-2009 cars only
Makes
🢒
Chevrolet
🢒
1999
🢒
Chevy C Silverado - 2WD
🢒 Outside Mirrors Schematics
Outside Mirrors Schematics
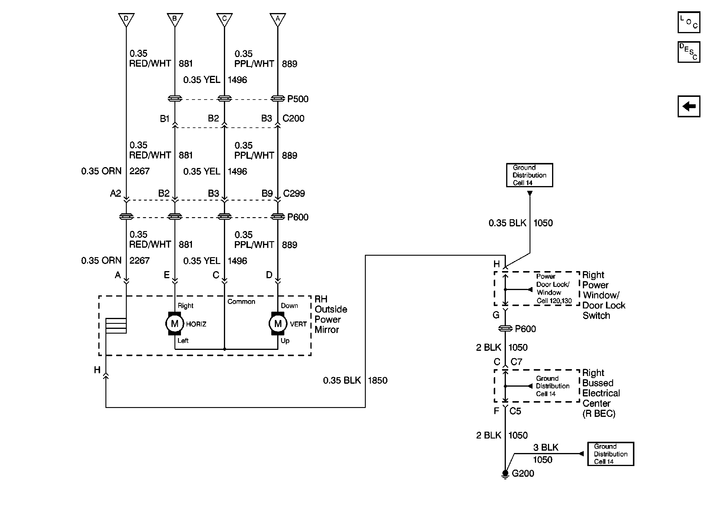
Outside Mirror Schematics 3 of 3
Power Door Systems Components
Outside Mirrors Circuit Description
Engine Electrical Charging
Cell 147: Power Mirror Switch, LH, RH Outside Power Mirror, G203
Cell 147: Power Mirror Switch, LH, RH Outside Power Mirror, G203
Cell 147: Power Mirror Switch, LH, RH Outside Power Mirror, G203
Cell 147: Power Mirror Switch, LH, RH Outside Power Mirror, G203
Cell 14: Temperature Door Motor, Passenger Heated Seat Switch, Roof Marker Lamps
Cell 14: Temperature Door Motor, Passenger Heated Seat Switch, Roof Marker Lamps
Cell 14: Temperature Door Motor, Passenger Heated Seat Switch, Roof Marker Lamps
Cell 120: Right Power Window/Door Switch, Right Power Window Motor