GM Service Manual Online
For 1990-2009 cars only
Makes
🢒
Chevrolet
🢒
1999
🢒
Chevy C Silverado - 2WD
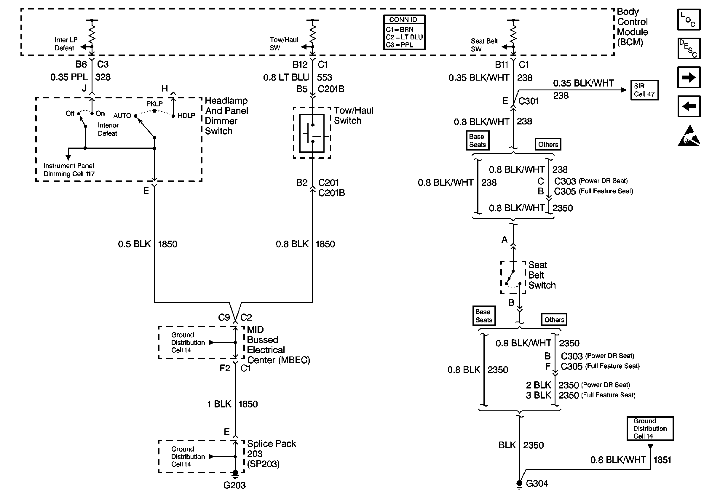
🢒 Cell 51: Dome Defeat Switch, Seat Belts, Tow/Haul Switch
Cell 51: Dome Defeat Switch, Seat Belts, Tow/Haul Switch
Cell 51: Dome Defeat Switch, Seat Belts, Tow/Haul Switch
Body Control Module Components
Body Control System Circuit Description
Cell 51: Uplevel Door Jamb
Cell 51: Parade Mode, Park Brake Switch, RKE
Handling ESD Sensitive Parts Notice
Interior Lights Dimming Schematics
Ground Distribution Schematics
Ground Distribution Schematics
Ground Distribution Schematics