GM Service Manual Online
For 1990-2009 cars only
Makes
🢒
Chevrolet
🢒
1999
🢒
Chevy C Silverado - 2WD
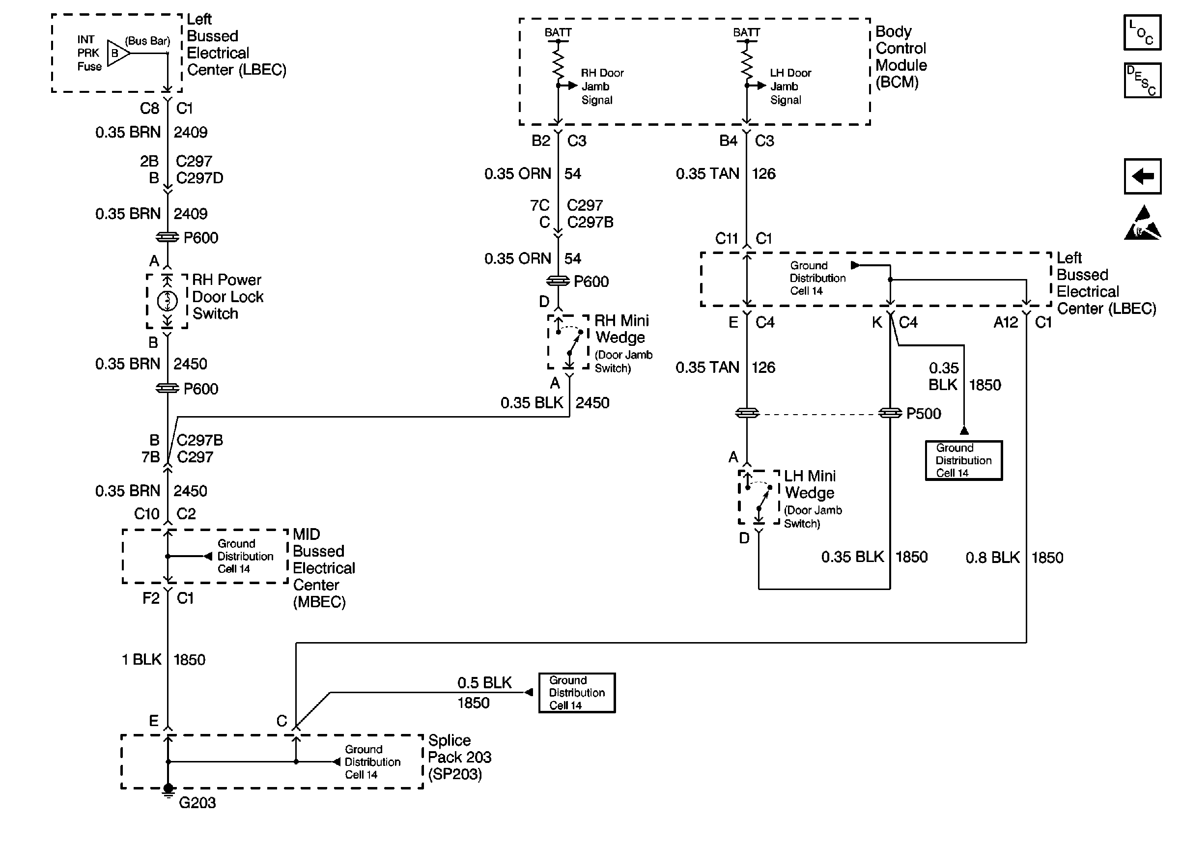
🢒 Cell 114: Left Bussed Electrical Center, RH Power Door Lock Switch
Cell 114: Left Bussed Electrical Center, RH Power Door Lock Switch
Cell 114: Left Bussed Electrical Center, RH Power Door Lock Switch
Lighting Systems Components
Interior Lights Circuit Description
Cell 114: Body Control Module, Headlamp and Dimmer Switch
Handling ESD Sensitive Parts Notice
Cell 114: Body Control Module, Headlamp and Dimmer Switch
Cell 14: Full Feature Seat Heated/Memory Seat Switch, Light Bar Switch
Cell 14: Full Feature Seat Heated/Memory Seat Switch, Light Bar Switch
Cell 14: Horn Switch, C201C, C207C
Cell 14: Full Feature Seat Heated/Memory Seat Switch, Light Bar Switch
Cell 14: Full Feature Seat Heated/Memory Seat Switch, Light Bar Switch