GM Service Manual Online
For 1990-2009 cars only

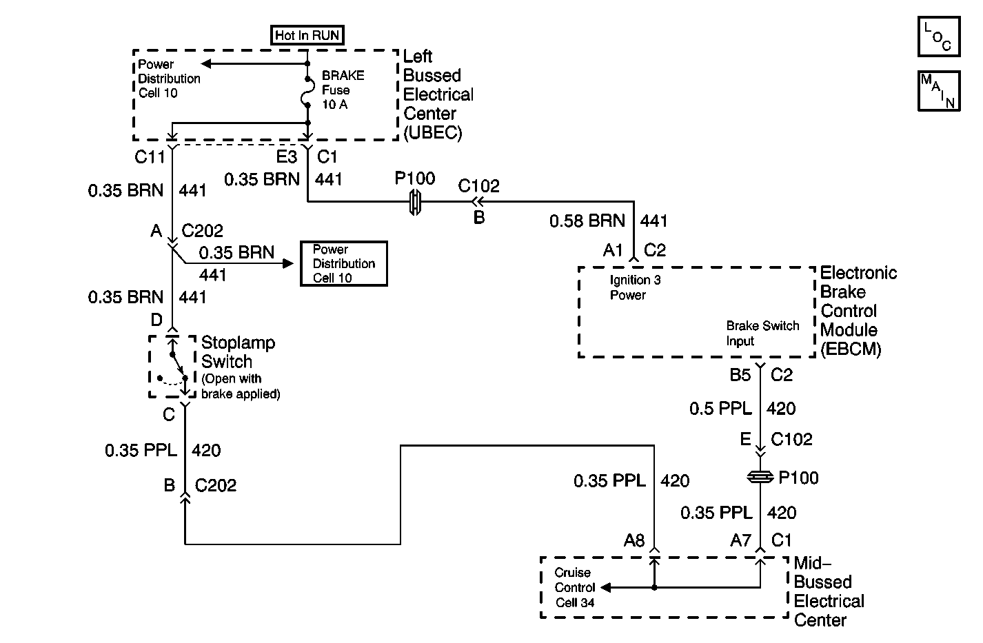
Object Number: 366397  Size: MF
ABS Components
Antilock Brake System Schematics

Circuit Description

The stoplamp switch is normally closed when the brake pedal is released. With the ignition in the RUN position and the brake pedal released, ignition voltage is supplied to terminal B5 of the EBCM. When the brakes are applied, the voltage will drop to zero at terminal B5. The EBCM monitors the status of the brake switch. If the brake switch signal is detected at the wrong time, or if it is not detected when the EBCM expects it, DTC C0281 will set.

Conditions for Setting the DTC

    • After power up, the EBCM never detects that the brake switch has been released before the vehicle reaches 56 km/h (35 mph).
    • The vehicle is in an ABS stop involving all three hydraulic channels for more than 1 second without the EBCM detecting that the brake switch has been applied.

Action Taken When the DTC Sets

    • The ABS is not disabled.
    •  The ABS indicator lamp will not light.

DTC C0281 is an Information Only DTC. The DTC is stored in memory, but the ABS indicator lamp will not light and ABS will not be disabled.

Conditions for Clearing the DTC

    • Repair the conditions responsible for setting the DTC
    • Use the Scan Tool Clear DTCs function

Diagnostic Aids

DTC C0281 can be set by a faulty stop lamp switch, or damage in CKT 420 or 441.

Thoroughly check any circuitry that is suspected of causing the intermittent complaint for the following conditions:

    • Backed out terminals
    • Improper mating
    • Broken locks
    • Improperly formed or damaged terminals
    • Poor terminal to wiring connections
    • Physical damage to the wiring harness

Test Description

The numbers below refer to the steps in the diagnostic table:

  1. Use the scan tool data list display to monitor the brake switch status.

  2. This step will try to simulate an open stoplamp switch by removing the stoplamp switch harness connector.

  3. This step decides between a short to voltage in CKT 420 and a malfunctioning EBCM.

  4. This step eliminates an open in CKT 420 as a possible cause.

  5. Damage or corrosion to the EBCM 16-way harness connector terminals could be the cause for an intermittent DTC to set.

Step

Action

Value(s)

Yes

No

1

Was the Diagnostic System Check performed?

--

Go to Step 2

Go to Diagnostic System Check - ABS

2

  1. Install the Scan Tool .
  2. Turn the ignition to RUN.
  3. Using the Data List function of the scan tool, observe the Brake Switch Status while applying and releasing the brake pedal.

Does the scan tool show the Brake Switch Status changing from ON (brake applied) to OFF (brake released?

--

Go to Step 7

Go to Step 3

3

Does the scan tool indicate that the Brake Switch Status is OFF constantly?

--

Go to Step 4

Go to Step 6

4

  1. Disconnect the stoplamp switch harness connector from the stoplamp switch.
  2. Observe the Brake Switch Status on the scan tool before and after disconnecting the harness connector.

Does the scan tool show the Brake Switch Status changing from OFF (brake released) to ON (brake applied?

--

Go to Step 11

Go to Step 5

5

  1. Turn the ignition to OFF.
  2. Disconnect the 16-way EBCM connector from the EBCM.
  3. Install the J 39700 and J 39700-325 .
  4. Turn the ignition to RUN.
  5. Using a J 39200 , measure the voltage between terminal B5 of the 16-way EBCM harness connector and ground by probing between terminals 13 and 7 in the J-39700.

Is the voltage within the specified range?

5-15V

Go to Step 12

Go to Step 14

6

  1. Turn the ignition to OFF.
  2. Disconnect the 16-way EBCM connector from the EBCM.
  3. Install the J 39700 and J 39700-325 .
  4. Disconnect the stoplamp switch harness connector.
  5. Measure the resistance between terminal B5 of the 16-way EBCM harness connector (terminal 13 in the J-39700) and terminal C of the stoplamp switch harness connector.

Is the resistance within the specified range?

0-2ohms

Go to Step 15

Go to Step 13

7

  1. Check the Stoplamp Switch connector for damage or corrosion which may affect proper terminal contact.
  2. Check the wiring harness between the stoplamp switch and the 16-way EBCM harness connector

Is there damage to the stoplamp switch or wiring harness?

--

Go to Step 9

Go to Step 8

8

Reconnect the stoplamp switch connector and observe the Brake Switch Status on the scan tool while applying and releasing the brake pedal.

Does the scan tool show the Brake Switch Status changing from ON (brake applied) to OFF (brake released?

--

Go to Step 10

Go to Step 14

9

Repair or replace damaged or corroded terminals, or damaged harness.

Is the repair complete?

--

Go to Diagnostic System Check - ABS

--

10

Malfunction is intermittent.

    • Refer to diagnostic aids.
    • Repair all damage found.

Is the repair compete?

--

Go to Diagnostic System Check - ABS

--

11

Replace the stoplamp switch.

Refer to Stop Lamp Switch Replacement .

Is the repair complete?

--

Go to Diagnostic System Check - ABS

--

12

Repair the short to voltage in CKT 420.

Is the repair complete?

--

Go to Diagnostic System Check - ABS

--

13

Repair the open or high resistance in CKT 420.

Is the repair complete?

--

Go to Diagnostic System Check - ABS

--

14

Replace the EBCM. Refer to Electronic Brake Control Module Replacement .

Is the repair complete?

--

Go to Diagnostic System Check - ABS

--

15

  1. Turn the ignition to RUN.
  2. Measure the voltage between terminal D of the stoplamp switch harness connector and ground.

Is the voltage within the specified range?

10-15V

Go to Step 11

Go to Step 16

16

Repair the open in CKT 441.

Is the repair complete?

--

Go to Diagnostic System Check - ABS

--