GM Service Manual Online
For 1990-2009 cars only

Object Number: 355796  Size: LF
Handling ESD Sensitive Parts Notice
Engine Controls Components
Cell 20: G102, S102
OBD II Symbol Description Notice

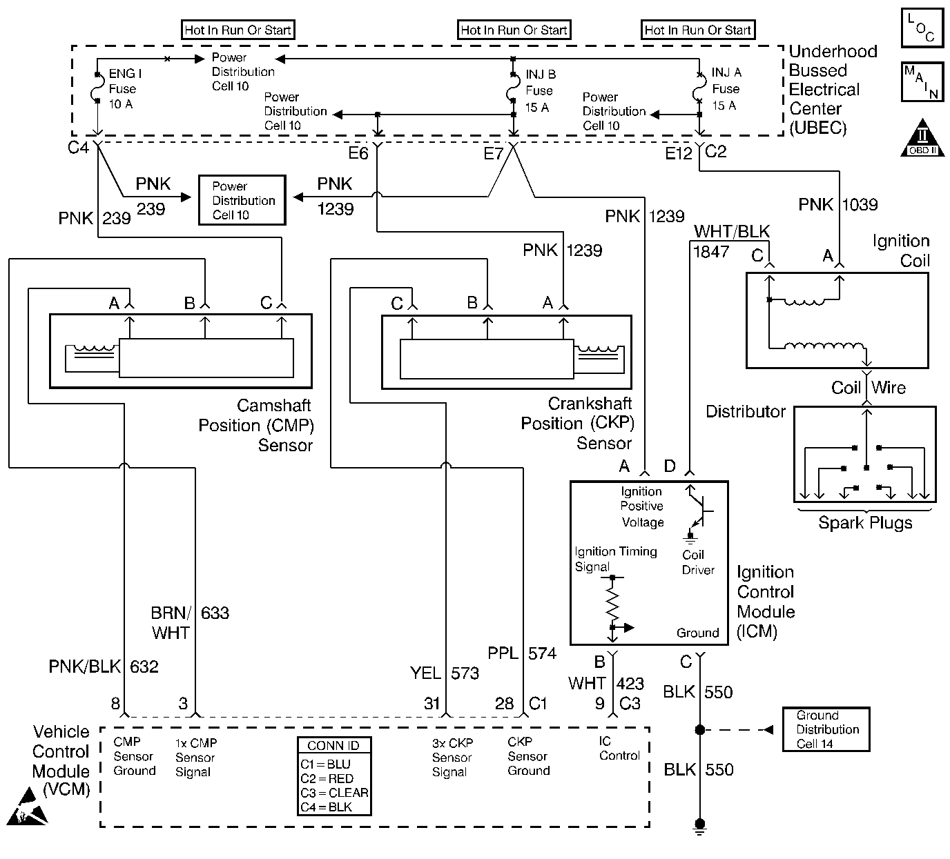
Circuit Description

The crankshaft position (CKP) sensor is the primary input to determine if misfire is occurring. Engine misfire is detected by monitoring crankshaft speed variations between cylinders. If a crankshaft deceleration occurs during a combustion or power stroke, the control module will compare this change in crankshaft speed to the previous cylinder. If the crankshaft speed change is more than a maximum allowable speed, the misfire is detected. Misfire may occur in a specific cylinder or in all cylinders randomly.

When an engine is misfiring, brief decelerations in crankshaft rotational speed will be detected by the CKP. The control module determines which cylinder has misfired based upon the camshaft position (CMP) sensor input. Misfire data is stored for each cylinder in separate accumulators. After 100 combustion events, the misfire totals are compared to a calibrated maximum number. If the misfire is excessive, this diagnostic trouble code (DTC) will set.

Conditions for Running the DTC

Important: If start-up ECT is below -7°C (20°F), misfire detection is delayed until ECT is more than 21°C (70°F). If start-up ECT is more than -7°C (20°F), misfire detection begins after a 5 second delay.

    • No active VS sensor DTCs
    • No active TP sensor DTCs
    • No active MAF sensor DTCs
    • No active CKP sensor DTCs
    • No active CMP sensor DTCs
    • The fuel level is more than 10 percent
    • The engine speed is between 450-5,000 RPM
    • The system voltage is between 11-16 volts
    • The throttle position is steady within 2 percent for 100 ms

Conditions for Setting the DTC

The VCM detects a deceleration in the crankshaft speed characteristic of either an emission type misfire or a catalyst damaging type misfire.

Action Taken When the DTC Sets

If the VCM determines that the engine misfire is significant enough to have a negative impact on emissions, the VCM turns ON the malfunction indicator lamp (MIL) after the misfire has been detected on 2 non-consecutive trips under the same operating conditions. If the misfire is severe enough that catalytic converter damage could result, the MIL flashes while the misfire is present.

Conditions for Clearing the MIL or DTC

    • The control module turns OFF the MIL after 3 consecutive drive trips when the test has run and passed.
    • A history DTC will clear if no fault conditions have been detected for 40 warm-up cycles. A warm-up cycle occurs when the coolant temperature has risen 22°C (40°F) from the startup coolant temperature and the engine coolant reaches a temperature that is more than 70°C (158°F) during the same ignition cycle.
    • Use a scan tool in order to clear the DTCs.

Diagnostic Aids

The Misfire Index counts the number of misfires. The scan tool can monitor the Misfire Index. There is a current and history misfire counter for each cylinder. Use the current misfire counter in order to determine which cylinder is misfiring or use the history misfire counter for misfires that are not currently present.

Many different conditions could cause an intermittent misfire.

Check for the following conditions:

    • Check the IC control circuit for an intermittent short to ground.
    • Check the spark plug wires and the coil wire for the following conditions:
       - Ensure that the spark plug wires are securely attached to the spark plugs and the distributor cap.
       - Check the wire routing in order to ensure that crossfiring is not occurring.
       - If the misfire occurs when the weather is damp, the problem could be due to worn plug wires.
    • Check for contaminated or a low fuel level and the following conditions:
       - Check the fuel condition and quality. Dirty or contaminated fuel could cause a misfire condition.
       - If the fuel level is low, the fuel pump may draw air into the fuel rail, causing a stumble and possible misfire condition. Check the fuel trim numbers in the freeze frame to determine if this has occurred. It would be likely if the short term fuel number was above +20
       - A restricted fuel filter can also cause a misfire.

Sticking intake or exhaust valves on engines with a misfire when cold.

Check HO2S for abnormal voltage readings.

Check for a vacuum leak as a possible cause of the engine misfire.

An intermittent may be caused by any of the following conditions:

    • A poor connection
    • Rubbed through wire insulation
    • A broken wire inside the insulation

Thoroughly check any circuitry that is suspected of causing the intermittent complaint. Refer to Intermittents and Poor Connections Diagnosis in Wiring Systems.

If a repair is necessary, refer to Wiring Repairs or Connector Repairs in Wiring Systems.

Test Description

The numbers below refer to the step numbers on the diagnostic table.

  1. The misfire is considered random on all cylinders if, while viewing the misfire fire counters in the misfire data list, the misfire seems to move to different cylinders.

  2. The misfire is considered consistent if the misfire is occurring on the same cylinder(s) consistently.

  3. When checking the spark at the spark plug wires, the spark should be consistent. A few sparks then nothing is no spark.

Step

Action

Value(s)

Yes

No

1

Important: Before clearing the DTCs, record the Freeze Frame and the Failure Records for reference. The control module's data is deleted once the Clear Info function is used.

Did you perform the Powertrain On-Board Diagnostic (OBD) System Check?

--

Go to Step 2

Go to Powertrain On Board Diagnostic (OBD) System Check

2

Install the scan tool.

Are there any other DTC's stored?

--

Go to the applicable DTC table

Go to Step 3

3

  1. Start the engine.
  2. Monitor the misfire counters in the misfire Data list with a load on the engine. Refer to Freeze Frame data.

Is the Misfire counter increasing?

--

Go to Step 5

Go to Step 4

4

  1. Turn OFF the engine.
  2. Using a spray bottle filled with water, wet down the secondary ignition system.
  3. Start the engine.
  4. Monitor the misfire counters in the misfire Data list with a load on the engine.

Does the scan tool indicate a misfire is present?

--

Go to Enhanced Ignition System Diagnosis

Go to Step 16

5

Is the misfire random on all cylinders?

--

Go to Step 10

Go to Step 6

6

Is the misfire consistent on specific cylinder(s)?

--

Go to Step 7

--

7

  1. Turn OFF the ignition.
  2. Connect the J 26792 Spark Tester to the ignition wire of the cylinder(s) indicating a misfire.
  3. Start and idle the engine.

Does the tester indicate spark is consistent on the tested ignition wire?

--

Go to Step 8

Go to Enhanced Ignition System Diagnosis

8

  1. Remove the spark plug(s) from the cylinder(s) that indicate a misfire. Refer to Spark Plug Replacement in Engine Electrical.
  2. Perform the Spark Plug Visual Diagnosis. Refer to Spark Plug Visual Diagnosis in Engine Electrical.

Did you find a problem?

--

Go to Step 15

Go to Step 9

9

  1. Install the spark plug(s) in the cylinder(s) that were not indicating a misfire.
  2. Start the engine.
  3. Monitor the misfire counters in the misfire Data list.

Did the misfire(s) change cylinder(s)?

--

Go to Step 13

Go to Step 11

10

Perform the fuel system diagnostic. Refer to Fuel System Diagnosis . Repair as necessary.

Did you find a problem?

--

Go to Step 17

Go to Step 14

11

Perform the Fuel Injector Balance test. Refer to Fuel Injector Balance Test with Tech 2 .

Did you find a problem?

--

Go to Step 12

Go to Step 15

12

  1. Connect the J 34730-375 Injector Test Lamp to the cylinder(s) that indicate a misfire.
  2. Crank the engine for the specified value.

Does the lamp flash on all tested circuits while cranking engine?

10 sec

Go to Fuel Injector Solenoid Coil Test

Go to Fuel Injector Circuit Diagnosis

13

Replace the spark plugs. Refer to Spark Plug Replacement in Engine Electrical.

Is the action complete?

--

Go to Step 17

--

14

Physically and visually check for these conditions in the following order:

  1. Contaminated fuel.
  2. Fouled or damaged spark plugs
  3. Ignition coil and connections.
  4. Damaged distributor cap.
  5. Leaking EGR valve.
  6. Restricted exhaust system.
  7. VCM grounds.

Repair as necessary.

Did you find a problem?

--

Go to Step 17

Go to Step 15

15

  1. Check for engine mechanical problems. Refer to Base Engine Misfire Diagnosis in Engine Mechanical.
  2. Repair as necessary.

Did you find a problem?

--

Go to Step 17

Go to Diagnostic Aids

16

Perform the CKP Variation Learn procedure. Refer to Crankshaft Position System Variation Learn .

Is the action complete?

--

Go to Step 17

--

17

  1. Select DTC and clear DTC information function with a scan toll.
  2. Start the engine.
  3. Allow the engine to idle until the engine reaches normal operating temperature.
  4. Select DTC and the Specific DTC function.
  5. Enter the DTC number which was set.
  6. Operate the vehicle within the conditions for setting this DTC that the supporting text specifies.

Does the scan tool indicate that this diagnostic ran and passed?

--

Go to Step 18

Go to Step 2

18

Does the scan tool display any additional undiagnosed DTC's?

--

Go to the applicable DTC table

System OK