GM Service Manual Online
For 1990-2009 cars only

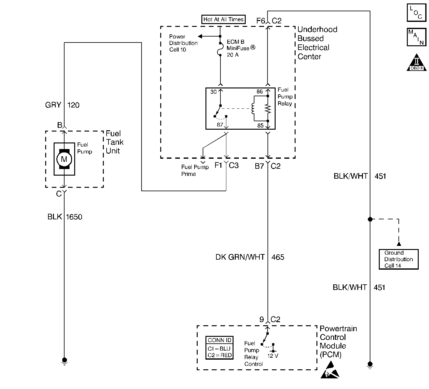
Object Number: 337316  Size: LF
Engine Controls Component Views
Cell 21: Fuel Pump Relay, Fuel Tank Pressure Sensor, G403, G103, S103
OBD II Symbol Description Notice
Handling ESD Sensitive Parts Notice

Circuit Description

When you turn the ignition switch to the on position, the PCM activates the in-tank fuel pump. The fuel pump remains on as long as the PCM receives reference pulses from the electronic ignition system. If there are no reference pulses, the PCM turns the fuel pump off after about 2-3 seconds. The PCM controls the fuel pump relay (located in the Underhood Electrical Center) by applying a voltage to the control circuit via an internal switch called a driver. The primary function of the driver is to supply a voltage to the fuel pump relay. The driver has a fault line which the PCM monitors. When the PCM commands the fuel pump on, the voltage of the control circuit should be high (near battery voltage). When the PCM commands the control circuit to the fuel pump OFF, the voltage potential of the circuit should be low (near 0 volts). This DTC sets when the PCM detects the fuel pump control circuit is shorted to ground.

Conditions for Running the DTC

    • The engine speed is greater than 400 RPM.
    • The ignition voltage is between 6.0 volts and 18.0 volts.

Conditions for Setting the DTC

    • The PCM detects that the commanded state of the driver and the actual state of the control circuit do not match.
    • All the above conditions present for a minimum of 2.5 seconds.

Action Taken When the DTC Sets

    • The PCM illuminates the malfunction indicator lamp (MIL) on the second consecutive ignition cycle that the diagnostic runs and fails.
    • The PCM records the operating conditions at the time the diagnostic fails. The first time the diagnostic fails, the PCM stores this information in the Failure Records. If the diagnostic reports a failure on the second consecutive ignition cycle, the PCM records the operating conditions at the time of the failure. The PCM writes the conditions to the Freeze Frame and updates the Failure Records.

Conditions for Clearing the MIL/DTC

    • A last test failed, or the current DTC, clears when the diagnostic runs and does not fail.
    • A history DTC clears after 40 consecutive warm-up cycles, if failures are not reported by this or any other emission related diagnostic.
    • Use a scan tool in order to clear the MIL/DTC.

Diagnostic Aids

Important: Remove any debris from the PCM connector surfaces before servicing the PCM. Inspect the PCM connector gaskets when diagnosing/replacing the PCM. Ensure that the gaskets are installed correctly. The gaskets prevent water intrusion into the PCM.

    • The following may cause an intermittent:
       - Poor connections: Check for adequate terminal tension. Refer to Intermittents and Poor Connections Diagnosis and Repairing Connector Terminals in Wiring Systems.
       - Corrosion
       - Mis-routed harness
       - Rubbed through wire insulation
       - Broken wire inside the insulation
    • Using the Freeze Frame and/or Failure Records data may aid in locating an intermittent condition. If you cannot duplicate the DTC, the information included in the Freeze Frame and/or Failure Records data can help determine how many miles since the DTC set. The Fail Counter and Pass Counter can also help determine how many ignition cycles the diagnostic reported a pass and/or a fail. Operate the vehicle within the same freeze frame conditions (RPM, load, vehicle speed, temperature etc.) that you observed. This will isolate when the DTC failed. For an intermittent condition, refer to Symptoms .

Test Description

The numbers below refer to the step numbers on the diagnostic table.

  1. Listen for an audible click when the relay operates. Command both the ON and the OFF states. Repeat the commands as necessary.

    For any test that requires probing the PCM or component harness connectors, use the Connector Test Adapter Kit J 35616 . Using this kit prevents any damage to the harness connector terminals. Refer to Using Connector Test Adapters in Wiring Systems.

  2. This test can detect a partially shorted coil which would cause excessive current flow. Leaving the circuit energized for 2 minutes allows the coil to warm up. When warm, the coil may short (current goes above 0.75 Amp).

  3. Identify and test the relay coil terminals in order to avoid improper diagnosis. Refer to the Underhood Electrical Center cover for terminal identification.

  4. If you do not find any trouble in the control circuit or the connection at the PCM, the PCM may be malfunctioning. However, this is an extremely unlikely failure. Before replacing the PCM, inspect for poor connections at the PCM harness connectors. Refer to Intermittents and Poor Connections Diagnosis in Wiring Systems.

Step

Action

Value(s)

Yes

No

1

Did you perform the Powertrain On-Board Diagnostic (OBD) System Check?

--

Go to Step 2

Go to Powertrain On Board Diagnostic (OBD) System Check

2

  1. Turn ON the ignition leaving the engine OFF.
  2. Command the fuel pump relay ON and OFF using a scan tool.

Does the fuel pump relay turn ON and OFF when commanded?

--

Go to Step 3

Go to Step 5

3

  1. Turn OFF the ignition.
  2. Disconnect the PCM connector C2 located on the opposite side of the manufacturer's logo. Refer to Powertrain Control Module Replacement/Programming .
  3. Install a 5 amp fused jumper wire to the control circuit at the PCM harness connector. Refer to Using Fused Jumper Wires in Wiring Systems.
  4. Turn ON the ignition leaving the engine OFF.
  5. Measure the current from the relay control circuit in the PCM harness connector to B+ for 2 minutes using the DMM J 39200 on the 10 Amp scale.

Important: Replace the relay if the DMM goes to 0 during the current draw test.

Does the current draw measure less than the specified value shown?

0.75A

Go to Diagnostic Aids

Go to Step 4

4

  1. Turn OFF the ignition.
  2. Remove the fuel pump relay from the underhood electrical center.
  3. Measure the resistance from the relay control circuit in the PCM harness connector to a ground using the DMM J 39200 .

Does the DMM display infinite (OL) resistance?

--

Go to Step 11

Go to Step 10

5

  1. Turn OFF the ignition.
  2. Remove the fuel pump relay from the underhood electrical center.
  3. Connect the test lamp J 35616-200 between the ground circuit and the control circuit at the underhood electrical center.
  4. Turn ON the ignition leaving the engine OFF.
  5. Command the fuel pump relay ON and OFF using a scan tool.

Does the test lamp turn ON and OFF when commanded?

--

Go to Step 8

Go to Step 6

6

Probe the fuel pump relay ground circuit at the underhood electrical center using the test lamp J 35616-200 to battery positive voltage.

Does the test lamp illuminate?

--

Go to Step 7

Go to Step 9

7

  1. Turn OFF the ignition.
  2. Reconnect the relay.
  3. Disconnect the PCM connector C2 located on the opposite side of the manufacturer's logo. Refer to Powertrain Control Module Replacement/Programming .
  4. Turn ON the ignition leaving the engine OFF.
  5. Probe the relay control circuit in the PCM harness connector with a fused jumper wire connected to B+. Refer to Using Fused Jumper Wires in Wiring Systems.

Does the relay operate?

--

Go to Step 12

Go to Step 10

8

Inspect for poor connections at the relay. Refer to Intermittents and Poor Connections Diagnosis in Wiring Systems.

Did you find and correct the condition?

--

Go to Step 13

Go to Step 11

9

Repair the open fuel pump relay ground circuit. Refer to Wiring Repairs in Wiring Systems.

Is the action complete?

--

Go to Step 13

--

10

Repair the fuel pump relay control circuit. Refer to Wiring Repairs in Wiring Systems.

Is the action complete?

--

Go to Step 13

--

11

Replace the relay. Refer to Fuel Pump Relay Replacement .

Is the action complete?

--

Go to Step 13

--

12

Important:: Program the replacement PCM. Refer to Powertrain Control Module Replacement/Programming .

Replace the PCM.

Is the action complete?

--

Go to Step 13

--

13

Attempt to start the engine.

Does the engine start?

--

Go to Step 14

Go to Step 2

14

Select the Capture Info option and the Review Info option using the scan tool.

Are any DTCs displayed that you have not diagnosed?

--

Go to the applicable DTC table

System OK