GM Service Manual Online
For 1990-2009 cars only

Removal Procedure

  1. Raise and support the vehicle. Refer to Lifting and Jacking the Vehicle in General Information.
  2. Remove the protective shields as necessary.
  3. Remove the rear exhaust system. Refer to Rear Exhaust System Replacement .
  4. Remove the catalytic convertor. Refer to Catalytic Converter Replacement .
  5. Remove the front pipe. Refer to Front Pipe Replacement .

  6. Object Number: 344227  Size: SH
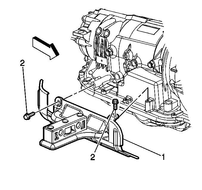
  7. Remove the exhaust hanger bracket bolts (2) (automatic transmission).
  8. Remove the exhaust hanger bracket.

  9. Object Number: 384204  Size: SH
  10. Remove the exhaust hanger bracket bolts (manual transmission).
  11. Remove the exhaust hanger bracket.

Installation Procedure


    Object Number: 344227  Size: SH
  1. Install exhaust hanger bracket.
  2. Notice: Use the correct fastener in the correct location. Replacement fasteners must be the correct part number for that application. Fasteners requiring replacement or fasteners requiring the use of thread locking compound or sealant are identified in the service procedure. Do not use paints, lubricants, or corrosion inhibitors on fasteners or fastener joint surfaces unless specified. These coatings affect fastener torque and joint clamping force and may damage the fastener. Use the correct tightening sequence and specifications when installing fasteners in order to avoid damage to parts and systems.

  3. Install the exhaust hanger bracket bolts (2) (automatic transmission).
  4. Tighten
    Tighten the exhaust hanger bracket bolts to 12 N·m (106 lb in).


    Object Number: 384204  Size: SH
  5. Install the exhaust hanger bracket bolts (manual transmission).
  6. Tighten
    Tighten the exhaust hanger bracket bolts to 14 N·m (10 lb  ft).

  7. Install the front pipe. Refer to Front Pipe Replacement .
  8. Install the catalytic convertor. Refer to Catalytic Converter Replacement .
  9. Install the rear exhaust system. Refer to Rear Exhaust System Replacement .
  10. Install the protective shields as necessary.
  11. Remove the safety stands.
  12. Lower the vehicle.