GM Service Manual Online
For 1990-2009 cars only

Battery Cable Replacement 4.8L, 5.3L, 6.0L - Positive

Removal Procedure

    Caution: Unless directed otherwise, the ignition and start switch must be in the OFF or LOCK position, and all electrical loads must be OFF before servicing any electrical component. Disconnect the negative battery cable to prevent an electrical spark should a tool or equipment come in contact with an exposed electrical terminal. Failure to follow these precautions may result in personal injury and/or damage to the vehicle or its components.

  1. Disconnect the negative battery cable.

  2. Object Number: 368386  Size: SH
  3. Disconnect the positive battery cable from the battery.

  4. Object Number: 368390  Size: SH
  5. Disconnect the positive cable from the engine wiring harness junction block.

  6. Object Number: 395684  Size: SH
  7. Remove the battery cable junction block from the junction block bracket.
  8. Remove the negative cable from the retaining clip on the positive cable.

  9. Object Number: 395686  Size: SH
  10. Remove the nut from the back of the generator.
  11. Remove the positive battery cable from the generator.
  12. Raise and support the vehicle. Refer to Lifting and Jacking the Vehicle in General Information.

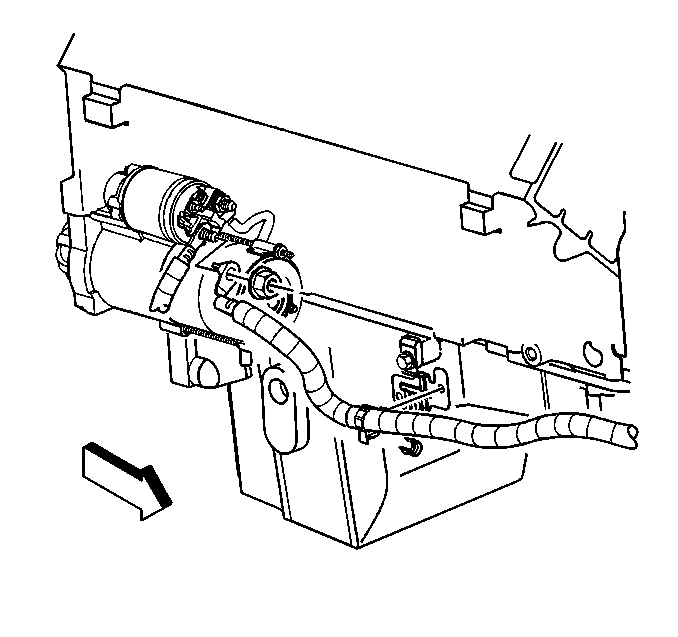
  13. Object Number: 368398  Size: SH
  14. Remove the bolts (4) securing the positive cable to the engine.
  15. Remove the positive cable from the power steering accessory bracket (4WD 15 series).

  16. Object Number: 368410  Size: SH
  17. Remove the nut from the positive terminal of the starter.
  18. Remove the positive battery cable from the starter.
  19. Remove the positive battery cable from the retention clip.
  20. Remove the positive battery cable.

Installation Procedure


    Object Number: 368410  Size: SH
  1. Install the positive battery cable to the retention clip.
  2. Install the positive battery cable to the starter.
  3. Notice: Use the correct fastener in the correct location. Replacement fasteners must be the correct part number for that application. Fasteners requiring replacement or fasteners requiring the use of thread locking compound or sealant are identified in the service procedure. Do not use paints, lubricants, or corrosion inhibitors on fasteners or fastener joint surfaces unless specified. These coatings affect fastener torque and joint clamping force and may damage the fastener. Use the correct tightening sequence and specifications when installing fasteners in order to avoid damage to parts and systems.

  4. Install the nut to the positive terminal of the starter.
  5. Tighten
    Tighten the nut to 16 N·m (12  lb ft).


    Object Number: 368398  Size: SH
  6. Install the bolts (4) securing the positive cable to the engine.
  7. Tighten
    Tighten the bolts to 12 N·m (106 lb in)

  8. Install the positive cable to the power steering accessory bracket. (4WD 15 series)

  9. Object Number: 395686  Size: SH
  10. Remove the safety stands.
  11. Lower the vehicle.
  12. Install the positive battery cable to the generator.
  13. Install the nut to the back of the generator.
  14. Tighten
    Tighten the bolts to 18 N·m (13 lb ft)


    Object Number: 395684  Size: SH
  15. Install the battery cable junction block to the junction block bracket.
  16. Install the negative cable to the retaining clip on the positive cable.

  17. Object Number: 368390  Size: SH
  18. Connect the positive battery cable to the engine wiring harness junction block.
  19. Tighten
    Tighten the bolt to 9 N·m (80 lb in).


    Object Number: 368386  Size: SH
  20. Connect the positive battery cable to the battery.
  21. Tighten
    Tighten the bolt to 17 N·m (13 lb ft).

  22. Connect the negative battery cable.
  23. Tighten
    Tighten the bolt to 17 N·m (13 lb ft).

Battery Cable Replacement 4.8L, 5.3L, 6.0L - Negative

Removal Procedure


    Object Number: 368391  Size: SH

    Caution: Unless directed otherwise, the ignition and start switch must be in the OFF or LOCK position, and all electrical loads must be OFF before servicing any electrical component. Disconnect the negative battery cable to prevent an electrical spark should a tool or equipment come in contact with an exposed electrical terminal. Failure to follow these precautions may result in personal injury and/or damage to the vehicle or its components.

  1. Disconnect the negative battery cable (1).
  2. Remove the negative cable from the retaining clip on the positive cable.
  3. Raise and support the vehicle. Refer to Lifting and Jacking the Vehicle in General Information.
  4. Remove the bolt (5) anchoring the negative battery cable to the block.
  5. Remove the bolt (2) anchoring the negative battery cable to the frame.
  6. Remove the negative battery cable.

Installation Procedure


    Object Number: 368391  Size: SH
  1. Install the negative battery cable (1).
  2. Notice: Use the correct fastener in the correct location. Replacement fasteners must be the correct part number for that application. Fasteners requiring replacement or fasteners requiring the use of thread locking compound or sealant are identified in the service procedure. Do not use paints, lubricants, or corrosion inhibitors on fasteners or fastener joint surfaces unless specified. These coatings affect fastener torque and joint clamping force and may damage the fastener. Use the correct tightening sequence and specifications when installing fasteners in order to avoid damage to parts and systems.

  3. Install the bolt (5) anchoring the negative battery cable to the block.
  4. Tighten
    Tighten the bolt to 25 N·m (18 lb ft).

  5. Install the bolt (2) anchoring the negative battery cable to the frame.
  6. Tighten
    Tighten the bolt to 9 N·m (80 lb in).

  7. Remove the safety stands.
  8. Lower the vehicle.
  9. Install the negative cable to the retaining clip on the positive cable.
  10. Connect the negative battery cable.
  11. Tighten
    Tighten the bolt to 17 N·m (13 lb ft).

Battery Cable Replacement 4.3L - Positive/Negative

Removal Procedure

    Caution: Unless directed otherwise, the ignition and start switch must be in the OFF or LOCK position, and all electrical loads must be OFF before servicing any electrical component. Disconnect the negative battery cable to prevent an electrical spark should a tool or equipment come in contact with an exposed electrical terminal. Failure to follow these precautions may result in personal injury and/or damage to the vehicle or its components.

  1. Disconnect the negative battery cable.

  2. Object Number: 368386  Size: SH
  3. Disconnect the positive battery cable from the battery.

  4. Object Number: 368390  Size: SH
  5. Disconnect the positive cable from the engine wiring harness junction block.

  6. Object Number: 395684  Size: SH
  7. Remove the battery cable junction block from the junction block bracket.

  8. Object Number: 395686  Size: SH
  9. Remove the nut from the back of the generator.
  10. Remove the positive battery cable from the generator.
  11. Raise and support the vehicle. Refer to Lifting and Jacking the Vehicle in General Information.

  12. Object Number: 368404  Size: SH
  13. Remove the bolts securing the positive/negative cable to the engine.
  14. Remove the positive/negative cable from the power steering accessory bracket (4WD 15 series).

  15. Object Number: 368394  Size: SH
  16. Remove the bolt anchoring the negative battery cable to the block.
  17. Remove the bolt anchoring the negative battery cable to the frame.

  18. Object Number: 368407  Size: SH
  19. Remove the nut from the positive terminal of the starter.
  20. Remove the positive battery cable from the starter.
  21. Remove the positive battery cable from the retention clip.
  22. Remove the positive/negative battery cable.

Installation Procedure


    Object Number: 368407  Size: SH
  1. Install the positive/negative battery cable.
  2. Install the positive battery cable to the retention clip.
  3. Install the positive battery cable to the starter.
  4. Notice: Use the correct fastener in the correct location. Replacement fasteners must be the correct part number for that application. Fasteners requiring replacement or fasteners requiring the use of thread locking compound or sealant are identified in the service procedure. Do not use paints, lubricants, or corrosion inhibitors on fasteners or fastener joint surfaces unless specified. These coatings affect fastener torque and joint clamping force and may damage the fastener. Use the correct tightening sequence and specifications when installing fasteners in order to avoid damage to parts and systems.

  5. Install the nut to the positive terminal of the starter.
  6. Tighten
    Tighten the nut to 16 N·m (12 lb ft).


    Object Number: 368394  Size: SH
  7. Install the bolt anchoring the negative battery cable to the block.
  8. Tighten
    Tighten the bolt to 16 N·m (12 lb ft).


    Object Number: 368404  Size: SH
  9. Install the bolt anchoring the negative battery cable to the frame.
  10. Tighten
    Tighten the bolt to 9 N·m (80 lb in).

  11. Install the bolts securing the positive cable the engine.
  12. Tighten
    Tighten the bolt to 12 N·m (106 lb in).

  13. Install the positive/negative cable to the power steering accessory bracket (4WD 15 series).
  14. Remove the safety stands.
  15. Lower the vehicle.

  16. Object Number: 395686  Size: SH
  17. Install the positive battery cable to the generator.
  18. Install the nut to the back of the generator.
  19. Tighten
    Tighten the nut to 18 N·m (13 lb ft).


    Object Number: 395684  Size: SH
  20. Install the battery cable junction block to the junction block bracket.

  21. Object Number: 368390  Size: SH
  22. Connect the positive battery cable to the engine wiring harness junction block.
  23. Tighten
    Tighten the bolt to 9 N·m (80 lb in).


    Object Number: 368386  Size: SH
  24. Connect the positive battery cable to the battery.
  25. Tighten
    Tighten the bolt to 17 N·m (13 lb ft).

  26. Connect the negative battery cable.
  27. Tighten
    Tighten the bolt to 17 N·m (13 lb ft).