GM Service Manual Online
For 1990-2009 cars only
Makes
🢒
Chevrolet
🢒
2000
🢒
Chevy C Silverado - 2WD
🢒
Restraints
🢒
Seat Belts
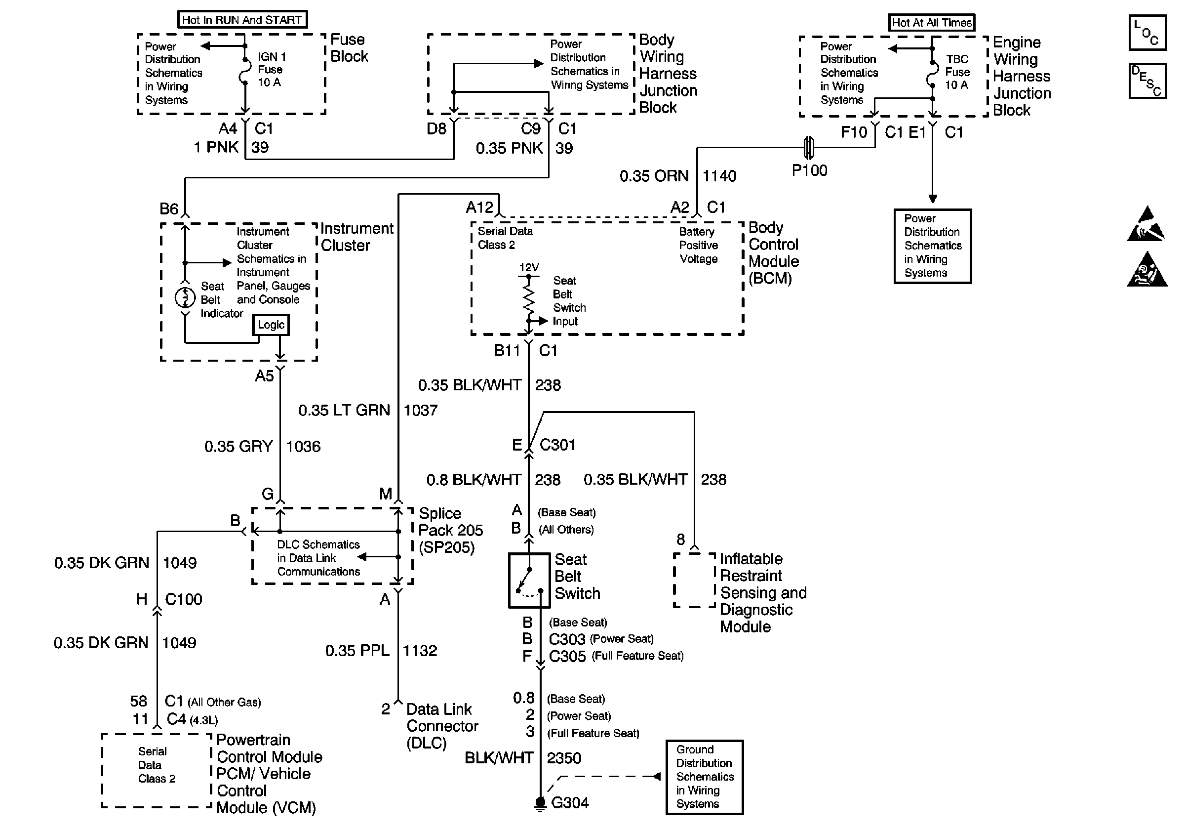
🢒 Seat Belt Schematics
Power Distribution Schematics
Instrument Cluster: Analog Schematics
Data Link Connector Schematics
Ground Distribution Schematics
Power Distribution Schematics
Seat Belt Components
Seat Belt System Description
Handling ESD Sensitive Parts Notice
SIR Handling Caution
Power Distribution Schematics
Power Distribution Schematics