GM Service Manual Online
For 1990-2009 cars only
Makes
🢒
Chevrolet
🢒
2000
🢒
Chevy C Silverado - 2WD
🢒
Body and Accessories
🢒
Cellular Communication
🢒 Cellular Telephone Schematics
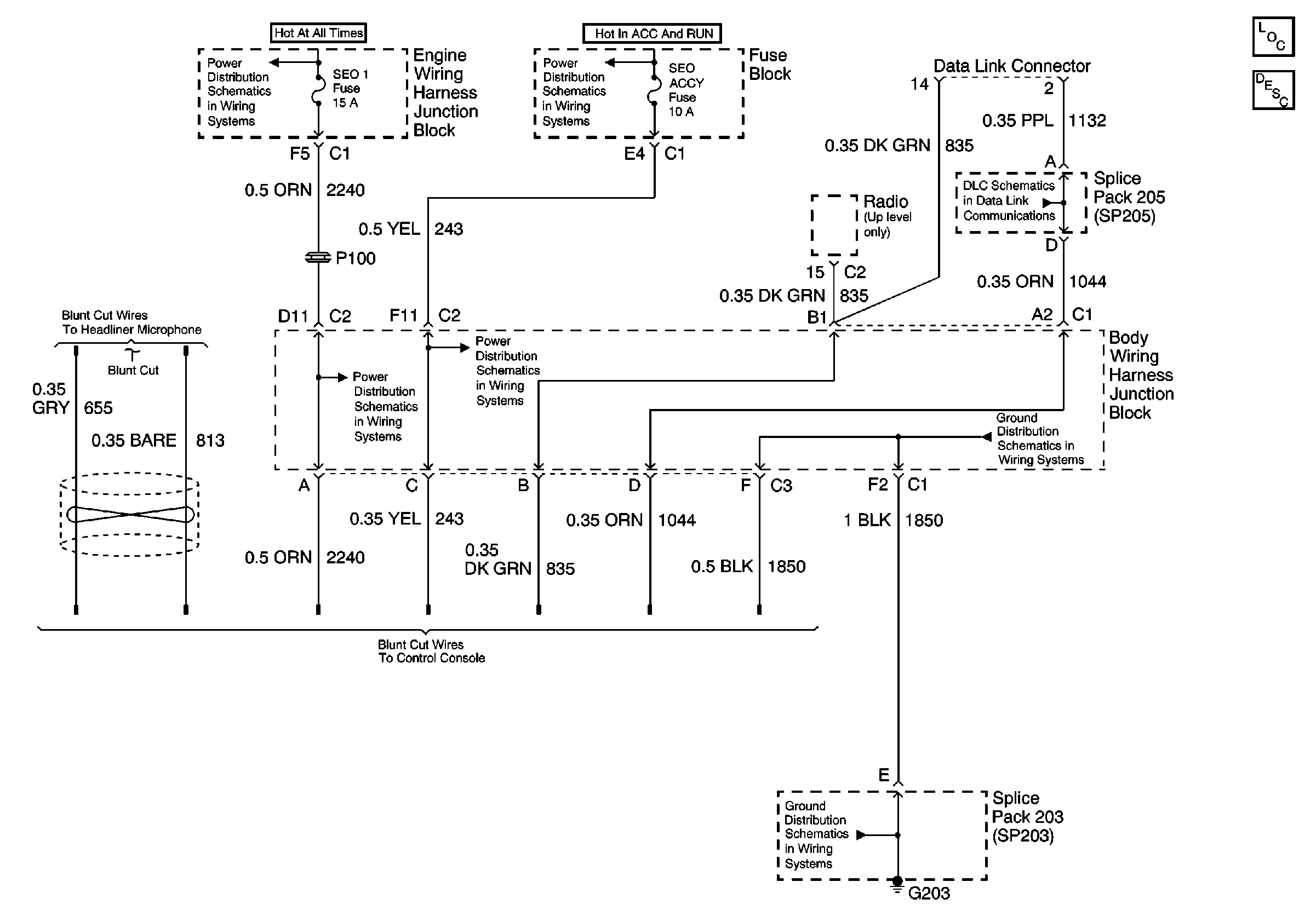
Cell Phone Ready Wiring
Cellular Communication Components
Cellular Telephone Circuit Description
Data Link Connector Schematics
Ground Distribution Schematics
Ground Distribution Schematics
Power Distribution Schematics
Power Distribution Schematics
Power Distribution Schematics
Power Distribution Schematics