GM Service Manual Online
For 1990-2009 cars only
Makes
🢒
Chevrolet
🢒
2000
🢒
Chevy C Silverado - 2WD
🢒
Body and Accessories
🢒
Wiring Systems
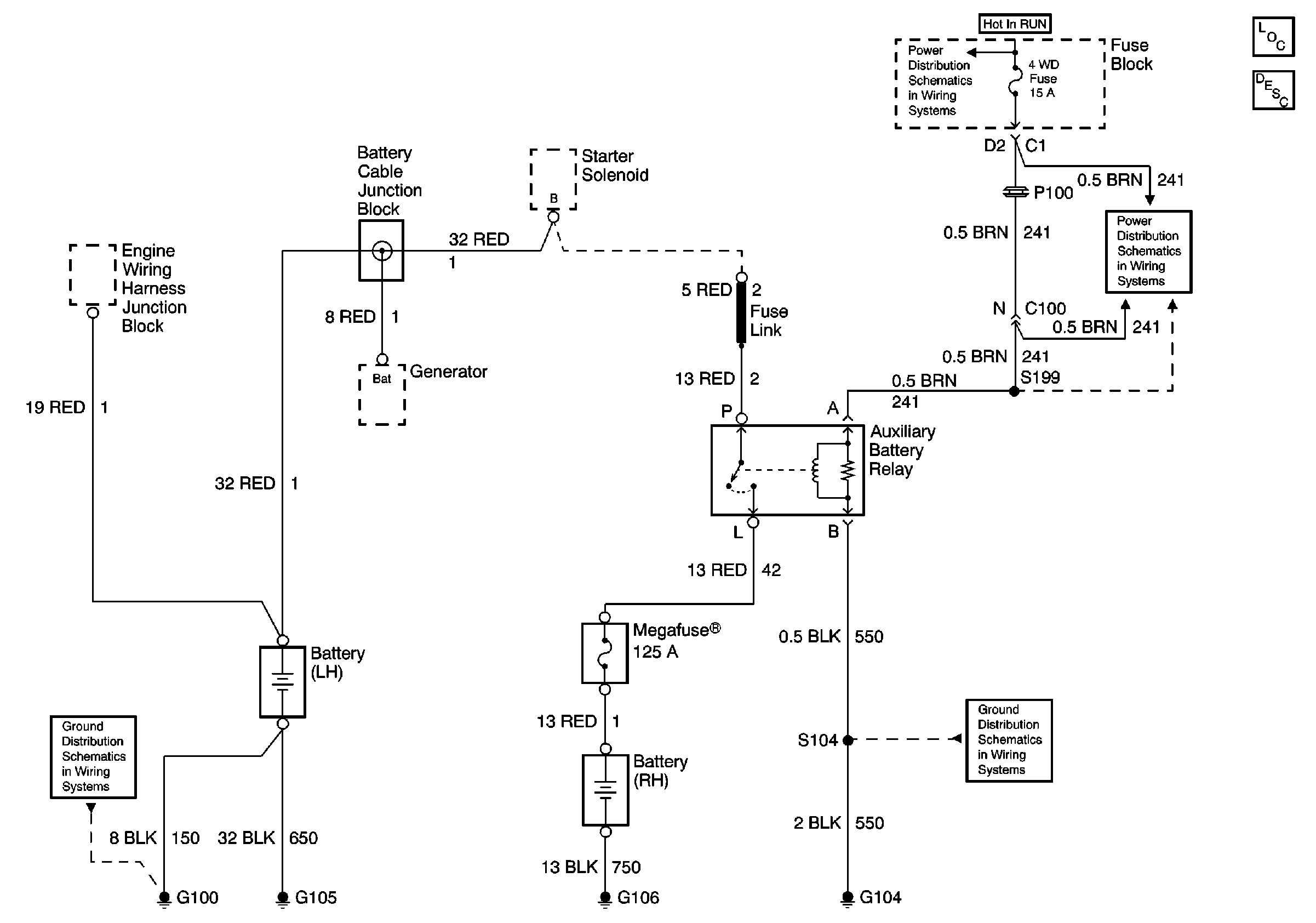
🢒 Auxiliary Battery Schematics
Auxiliary Battery Relay, LH and RH Battery, G104, G106, G105, G100
Power and Grounding Components
Power Distribution Schematics
Power Distribution Schematics
Ground Distribution Schematics
Ground Distribution Schematics