GM Service Manual Online
For 1990-2009 cars only
Makes
🢒
Chevrolet
🢒
2000
🢒
Chevy C Silverado - 2WD
🢒
Body and Accessories
🢒
Keyless Entry
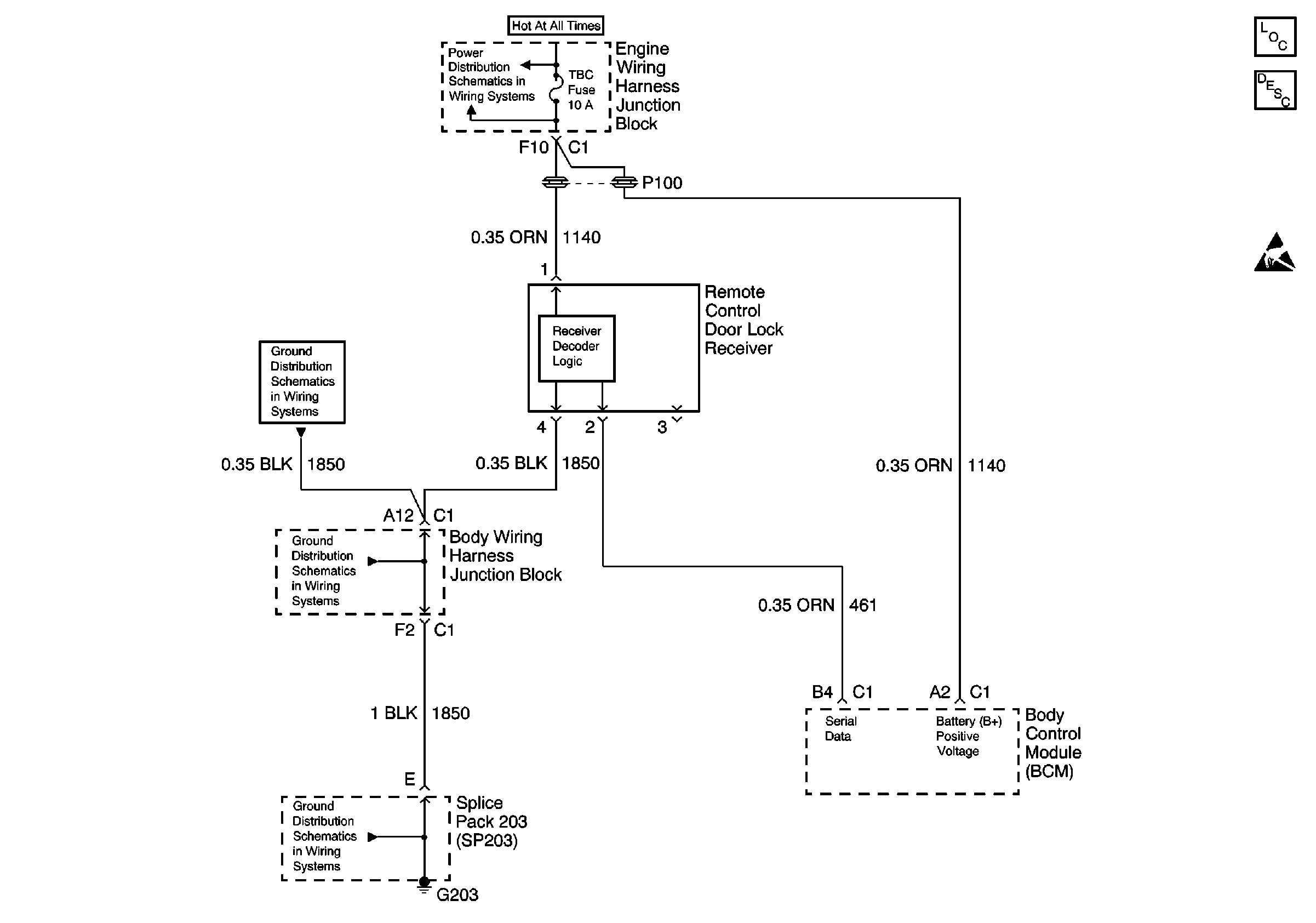
🢒 Keyless Entry Schematics
Keyless Entry Components
Keyless Entry System Description
Handling ESD Sensitive Parts Notice
Power Distribution Schematics
Ground Distribution Schematics
Ground Distribution Schematics
Ground Distribution Schematics