GM Service Manual Online
For 1990-2009 cars only
Makes
🢒
Chevrolet
🢒
2000
🢒
Chevy C Silverado - 2WD
🢒
Body and Accessories
🢒
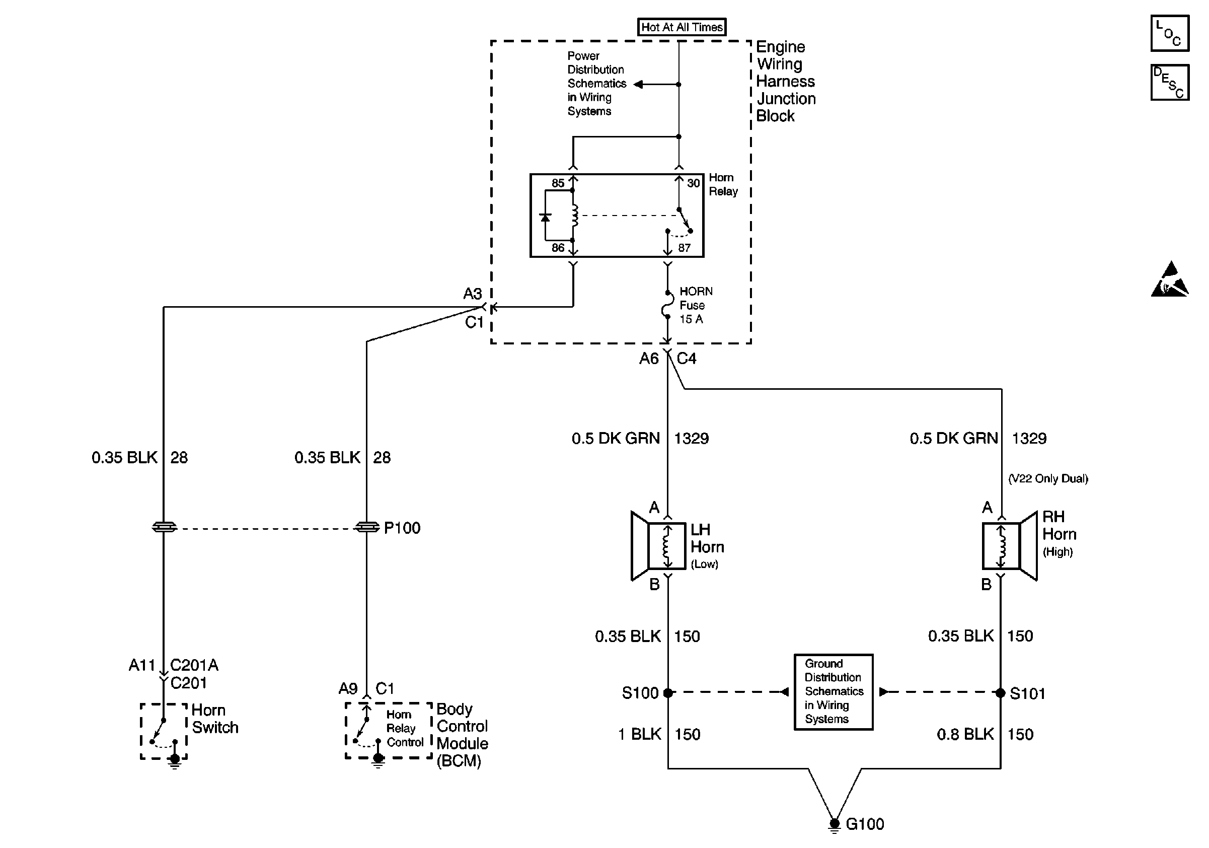
Horns
🢒 Horn Schematics
Horns Components
Horns Circuit Description
Handling ESD Sensitive Parts Notice
Ground Distribution Schematics
Power Distribution Schematics