GM Service Manual Online
For 1990-2009 cars only

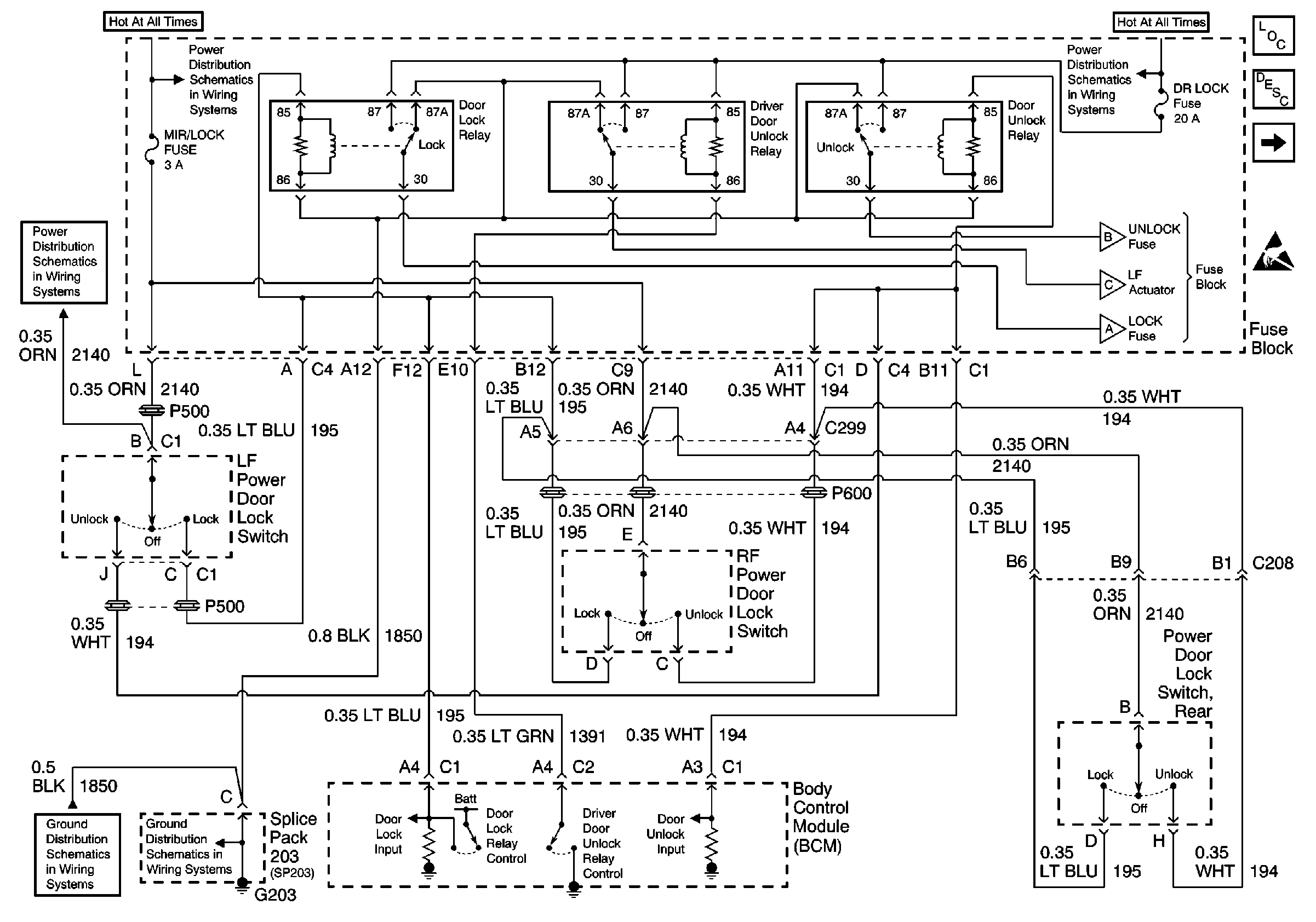
Door Lock/Indicator Schematics Base Pickup

BCM, Relays, Switch, Actuators


Object Number: 510742  Size: FS
Power Door Systems Components
Power Door Locks Circuit Description
Handling ESD Sensitive Parts Notice
Power Distribution Schematics
Power Distribution Schematics
Ground Distribution Schematics
Ground Distribution Schematics

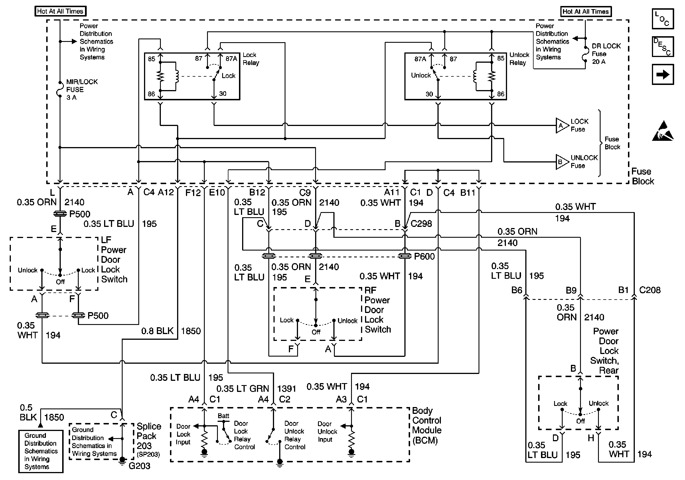
Door Lock/Indicator Schematics Uplevel Pickup

BCM Relays, Switch, Actuactors


Object Number: 510743  Size: FS
Power Door Systems Components
Power Door Locks Circuit Description
Handling ESD Sensitive Parts Notice
Power Distribution Schematics
Power Distribution Schematics
Ground Distribution Schematics
Ground Distribution Schematics

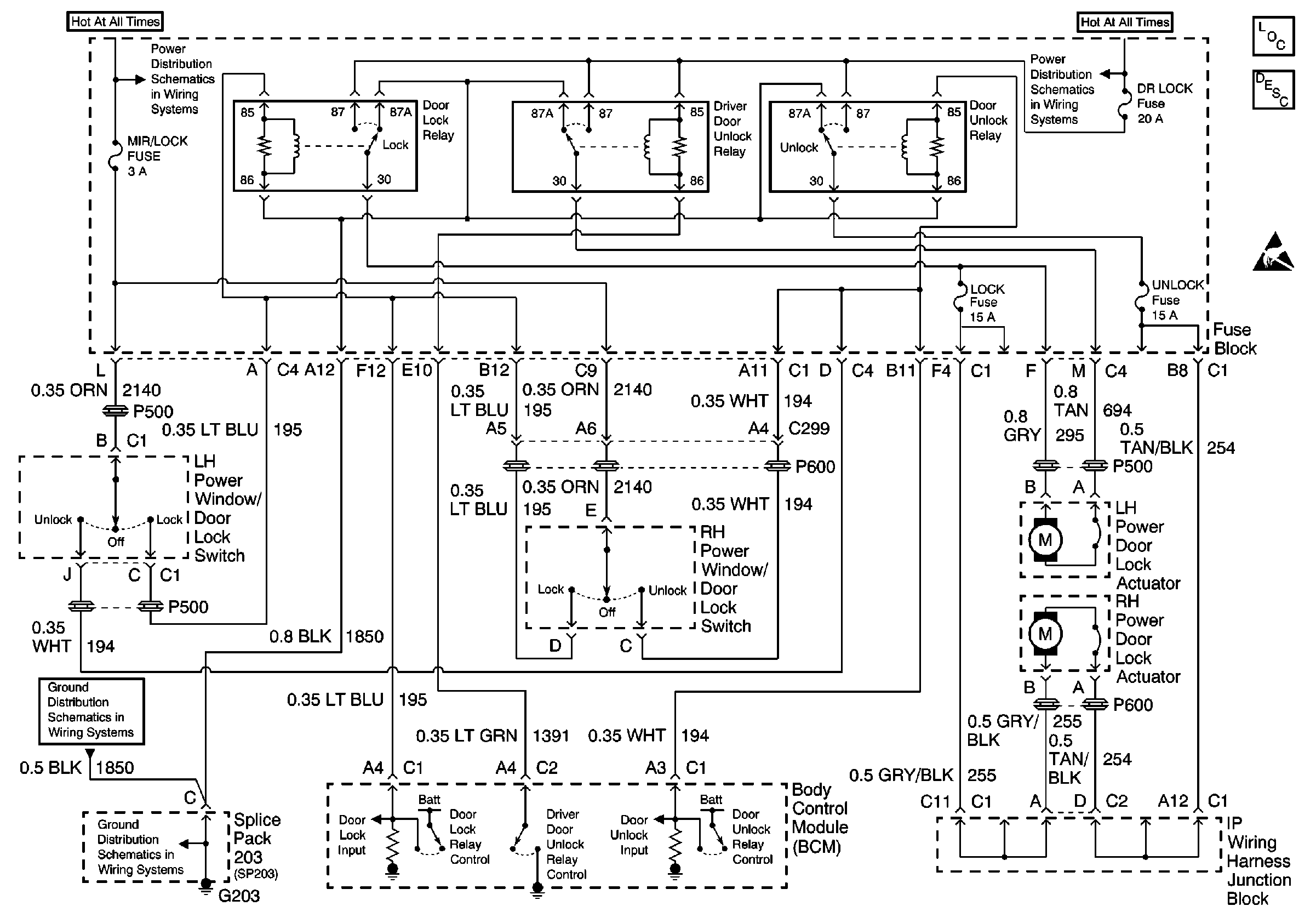
Door Lock/Indicator Schematics Base Utilities

Figure 1:

Lock and Unlock Relays, Door Switches, BCM, G203, Base 4DR


Object Number: 510744  Size: FS
Power Door Systems Components
Power Door Locks Circuit Description
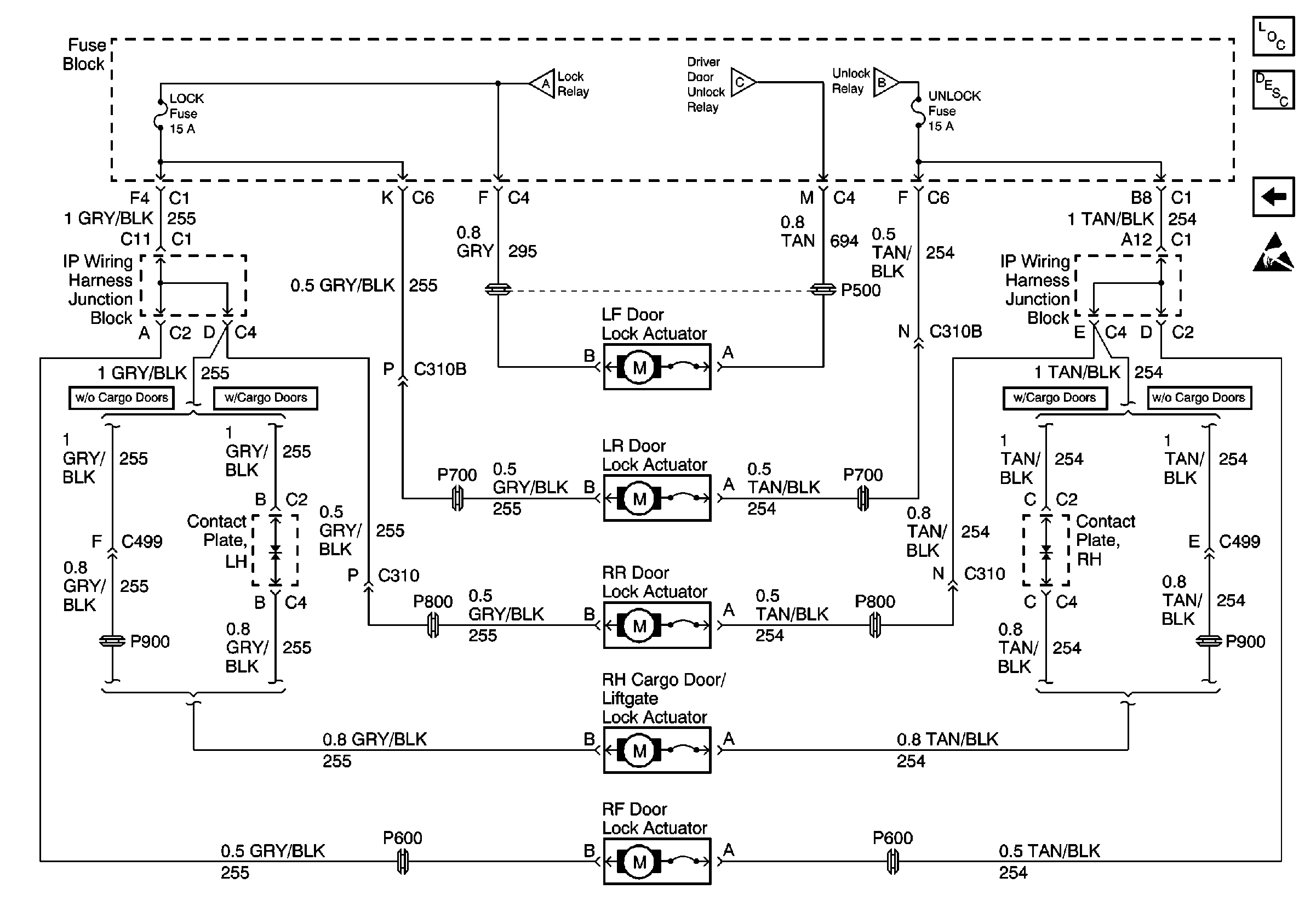
Door Actuators, Fuse Block, Base 4DR
Handling ESD Sensitive Parts Notice
Power Distribution Schematics
Power Distribution Schematics
Door Actuators, Fuse Block, Base 4DR
Door Actuators, Fuse Block, Base 4DR
Ground Distribution Schematics
Ground Distribution Schematics
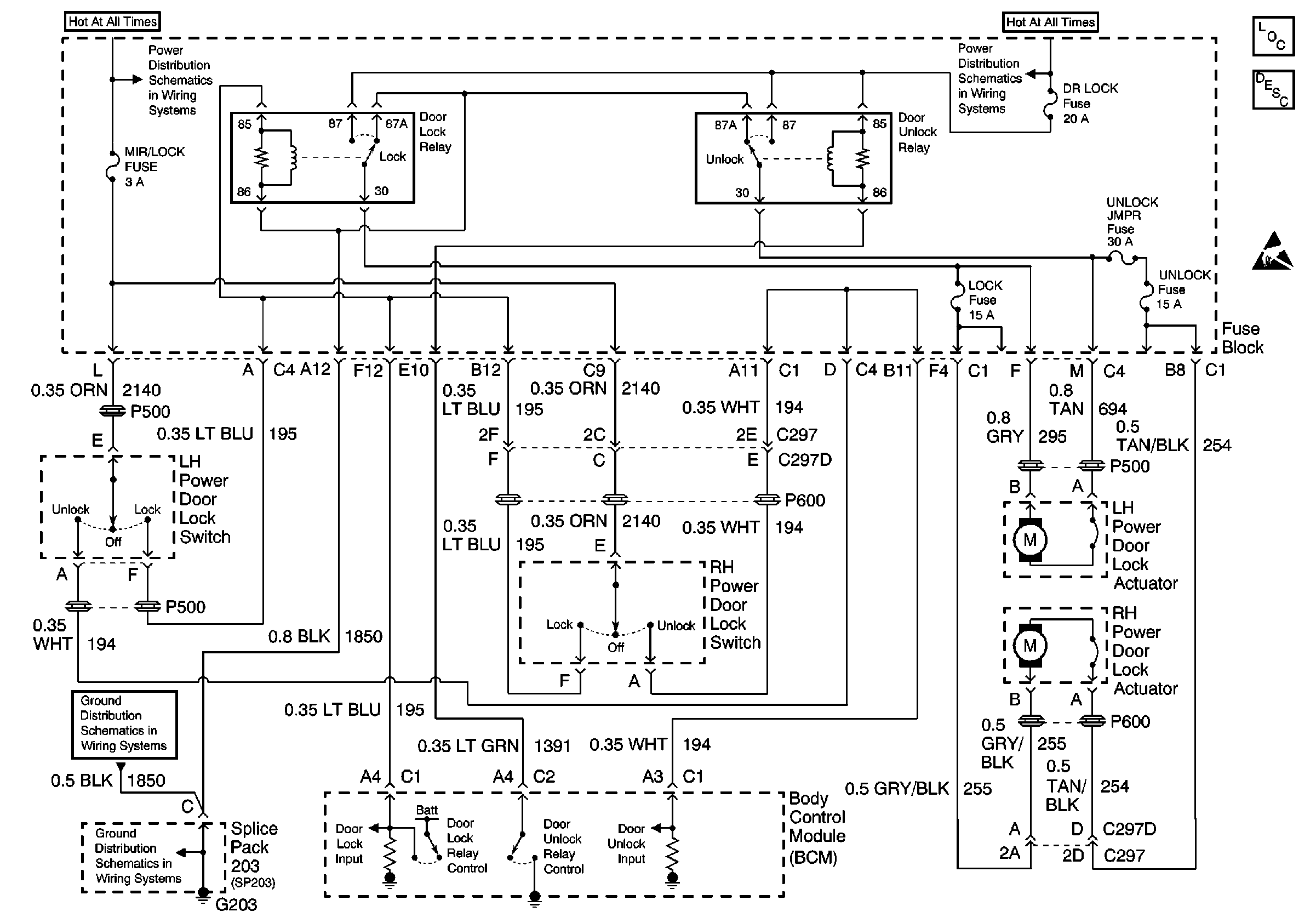
Figure 2:

Door Actuators, Fuse Block, Base 4DR


Object Number: 510745  Size: FS
Power Door Systems Components
Power Door Locks Circuit Description
Lock and Unlock Relays, Door Switches, BCM, G203, Base 4DR
Handling ESD Sensitive Parts Notice
Lock and Unlock Relays, Door Switches, BCM, G203, Base 4DR
Lock and Unlock Relays, Door Switches, BCM, G203, Base 4DR

Door Lock/Indicator Schematics Uplevel Utilities

Figure 1:

BCM, Relays, Switches, G203, Uplevel 4DR


Object Number: 510746  Size: FS
Power Door Systems Components
Power Door Locks Circuit Description
Door Actuators Uplevel 4DR
Handling ESD Sensitive Parts Notice
Door Actuators Uplevel 4DR
Door Actuators Uplevel 4DR
Door Actuators Uplevel 4DR
Power Distribution Schematics
Power Distribution Schematics
Power Distribution Schematics
Ground Distribution Schematics
Ground Distribution Schematics
Figure 2:

Door Actuators Uplevel 4DR


Object Number: 510747  Size: FS
Power Door Systems Components
Power Door Locks Circuit Description
BCM, Relays, Switches, G203, Uplevel 4DR
Handling ESD Sensitive Parts Notice
BCM, Relays, Switches, G203, Uplevel 4DR
BCM, Relays, Switches, G203, Uplevel 4DR
BCM, Relays, Switches, G203, Uplevel 4DR