GM Service Manual Online
For 1990-2009 cars only
Makes
🢒
Chevrolet
🢒
2000
🢒
Chevy C Silverado - 2WD
🢒
Body and Accessories
🢒
Body Rear End
🢒 Body Rear End Schematics
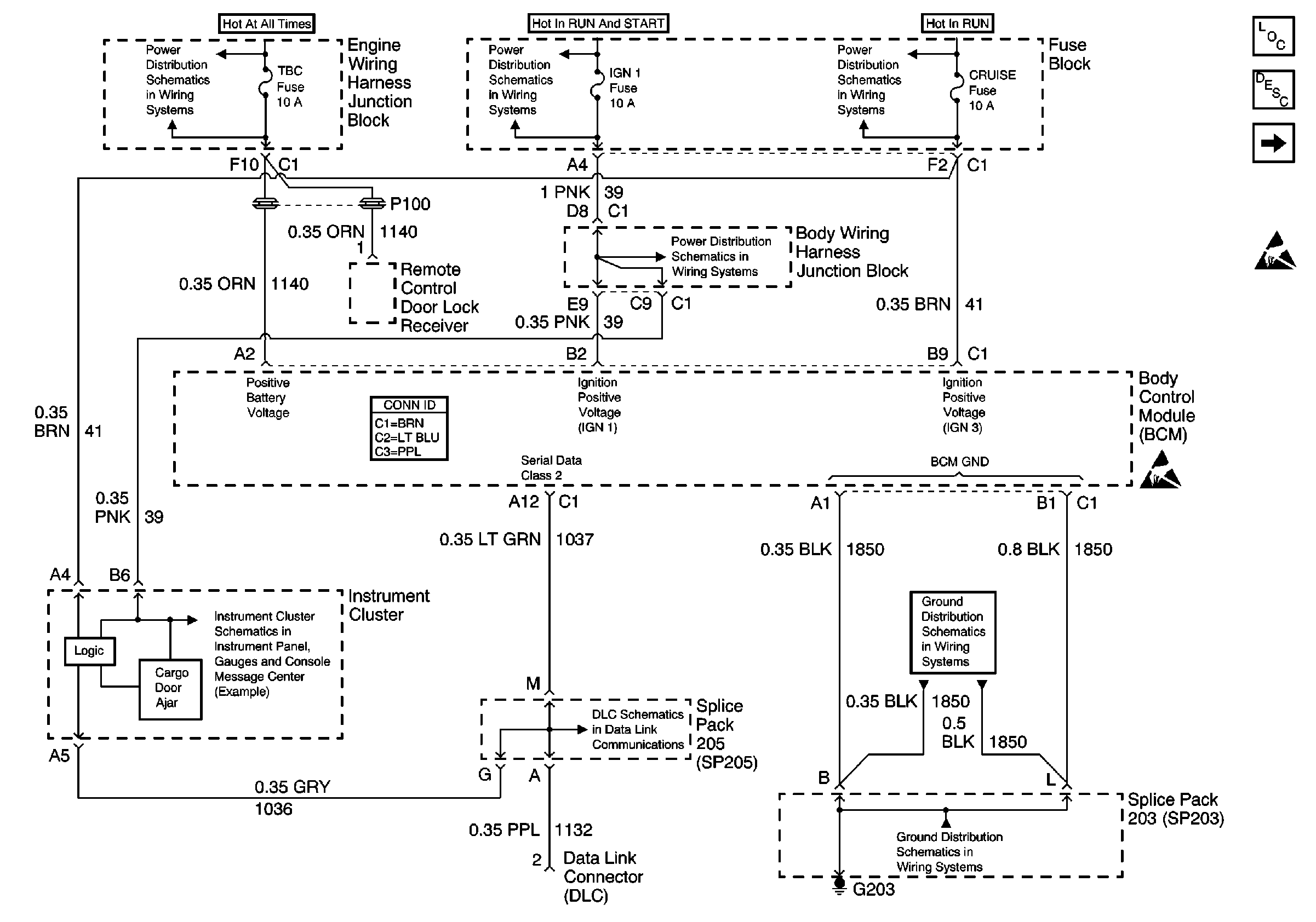
Fuse Block, BCM, DLC, Cluster, SP203
Body Rear End Components
Hatch Ajar Indicator Circuit Description
BCM, SP410, G410, Door Ajar Switch(s)
Handling ESD Sensitive Parts Notice
Power Distribution Schematics
Power Distribution Schematics
Power Distribution Schematics
Power Distribution Schematics
Instrument Cluster: Analog Schematics
Data Link Connector Schematics
Ground Distribution Schematics
Handling ESD Sensitive Parts Notice
Ground Distribution Schematics
Body Rear End Schematic
BCM, SP410, G410, Door Ajar Switch(s)
Body Rear End Components
Hatch Ajar Indicator Circuit Description
Fuse Block, BCM, DLC, Cluster, SP203
Handling ESD Sensitive Parts Notice
Ground Distribution Schematics
Ground Distribution Schematics
Ground Distribution Schematics