GM Service Manual Online
For 1990-2009 cars only
Makes
🢒
Chevrolet
🢒
2000
🢒
Chevy C Silverado - 2WD
🢒 Cell 112
Cell 112
Cell 112
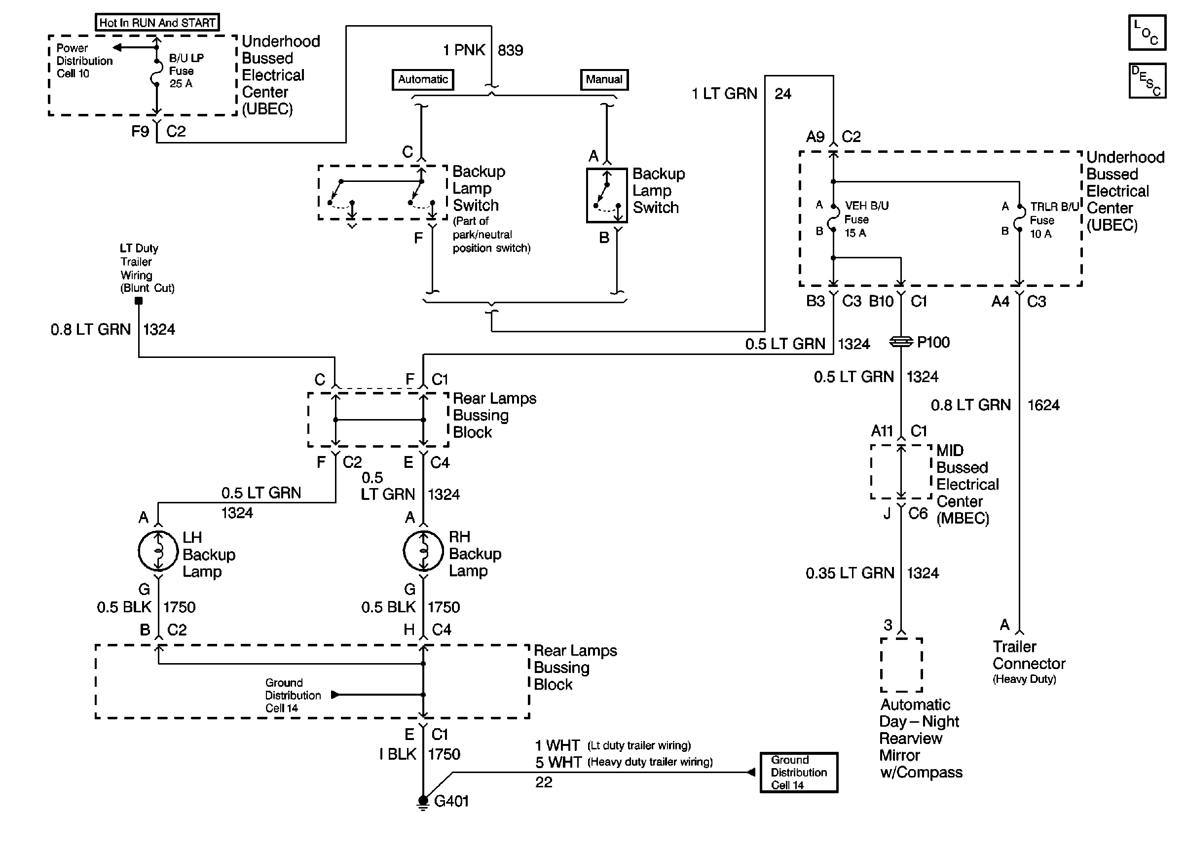
Lighting Systems Components
Backup Lamp Circuit Description
Power Distribution Schematics
Ground Distribution Schematics
Ground Distribution Schematics