GM Service Manual Online
For 1990-2009 cars only
Makes
🢒
Chevrolet
🢒
2000
🢒
Chevy C Silverado - 2WD
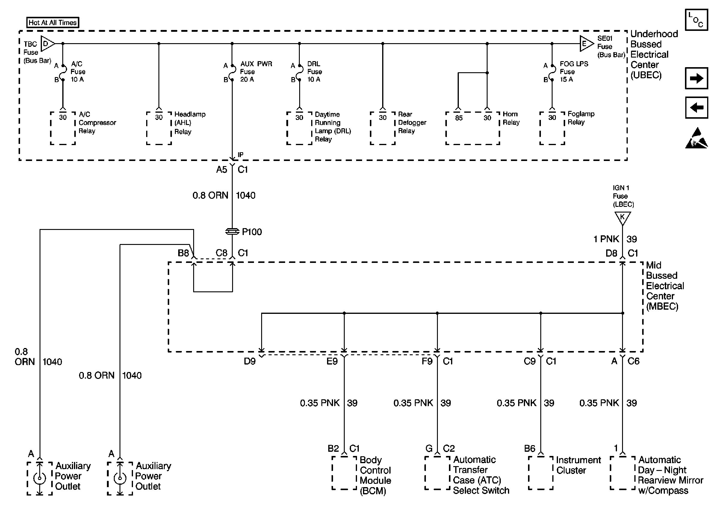
🢒 Cell 10: A/C Compressor Relay, Auxiliary Power Outlet
Cell 10: A/C Compressor Relay, Auxiliary Power Outlet
Cell 10: A/C Compressor Relay, Auxiliary Power Outlet
Power and Grounding Components
Cell 10: Underhood Bussed Electrical Center, Automatic Transfer Case
Cell 10: Underhood Bussed Electrical Center, HVAC Blower Switch
Handling ESD Sensitive Parts Notice
Cell 10: Underhood Bussed Electrical Center, Headlamp Dimmer Switch
Cell 10: Underhood Bussed Electrical Center, Automatic Transfer Case
Cell 10: Underhood Bussed Electrical Center, Electronic Brake Control ModuLe