GM Service Manual Online
For 1990-2009 cars only
Makes
🢒
Chevrolet
🢒
2000
🢒
Chevy C Silverado - 2WD
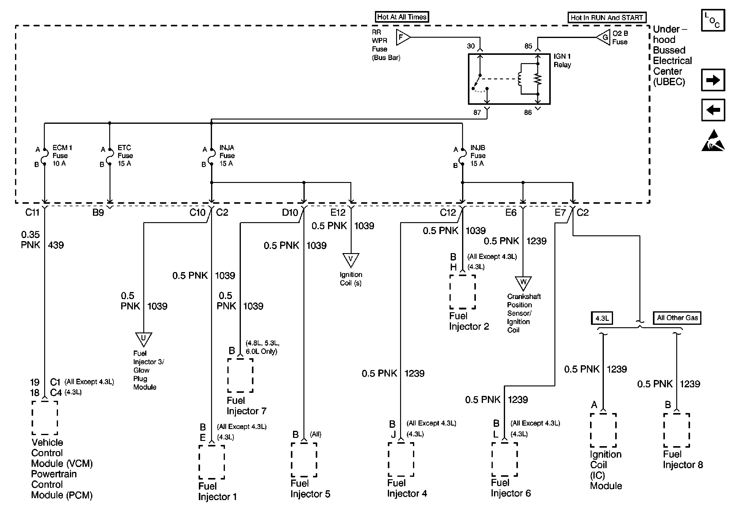
🢒 Cell 10: Underhood Bussed Electrical Center, Vehicle Control Module
Cell 10: Underhood Bussed Electrical Center, Vehicle Control Module
Cell 10: Underhood Bussed Electrical Center, Vehicle Control Module
Power and Grounding Components
Cell 10: Crankshaft Position Sensor, Fuel Injector 8
Cell 10: Underhood Bussed Electrical Center, Automatic Transfer Case
Handling ESD Sensitive Parts Notice
Cell 10: Underhood Bussed Electrical Center, Automatic Transfer Case
Cell 10: Underhood Bussed Electrical Center, Bussed Fuses
Cell 10: Crankshaft Position Sensor, Fuel Injector 8
Cell 10: Crankshaft Position Sensor, Fuel Injector 8
Cell 10: Crankshaft Position Sensor, Fuel Injector 8