GM Service Manual Online
For 1990-2009 cars only
Makes
🢒
Chevrolet
🢒
2000
🢒
Chevy C Silverado - 2WD
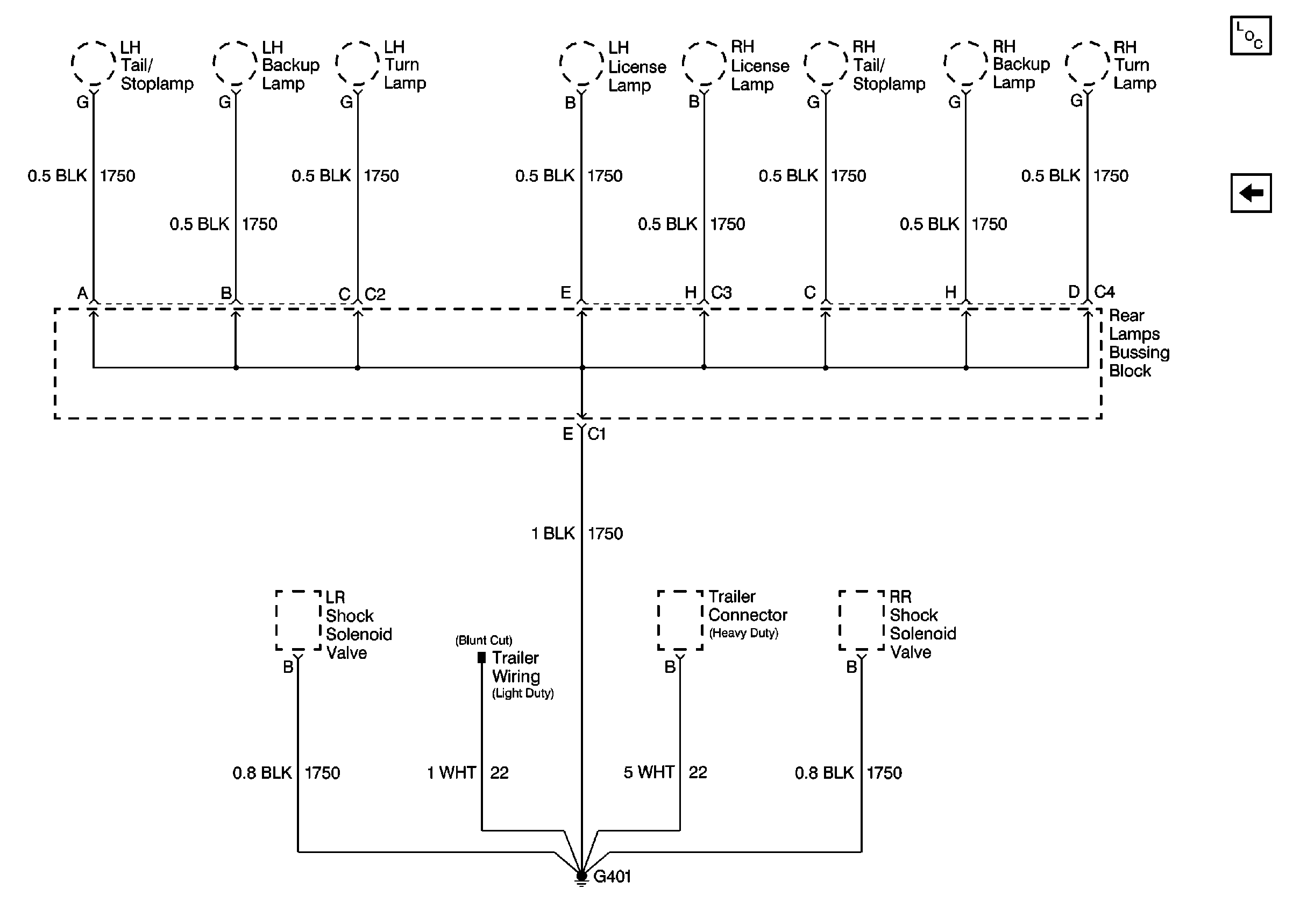
🢒 Cell 14: Brake Fluid Level Switch, RH Turn Lamp
Cell 14: Brake Fluid Level Switch, RH Turn Lamp
Cell 14: Brake Fluid Level Switch, RH Turn Lamp
Power and Grounding Components
Cell 14: Passenger Seat Bolster Switch, Passenger Power Seat Switch