GM Service Manual Online
For 1990-2009 cars only
Makes
🢒
Chevrolet
🢒
2000
🢒
Chevy C Silverado - 2WD
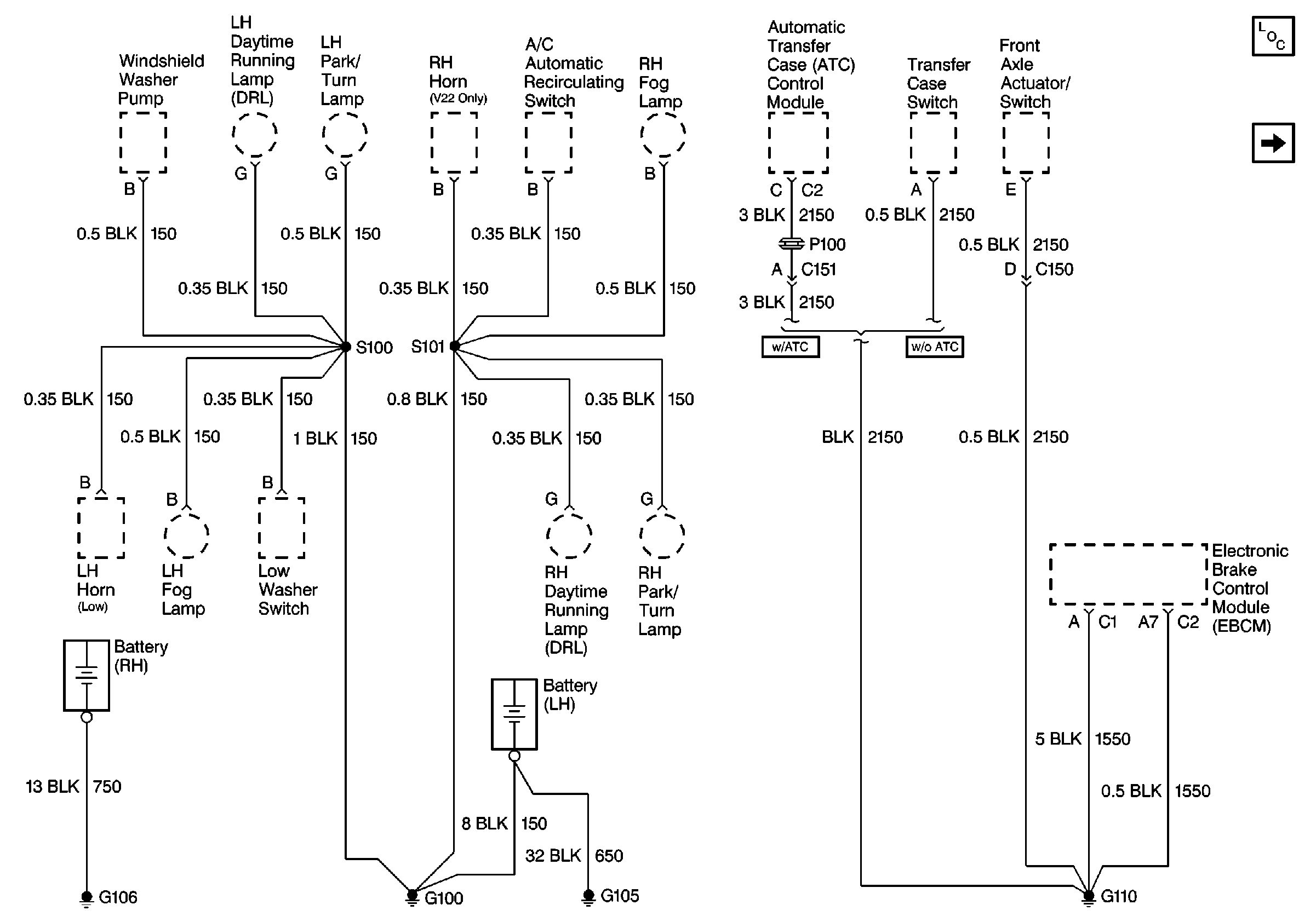
🢒 Cell 14: RH Fog Lamp, RH Park/Turn Lamp
Cell 14: RH Fog Lamp, RH Park/Turn Lamp
Cell 14: RH Fog Lamp, RH Park/Turn Lamp
Power and Grounding Components
Cell 14: Vehicle Control Module, S103, G102