GM Service Manual Online
For 1990-2009 cars only
Makes
🢒
Chevrolet
🢒
2000
🢒
Chevy C Silverado - 2WD
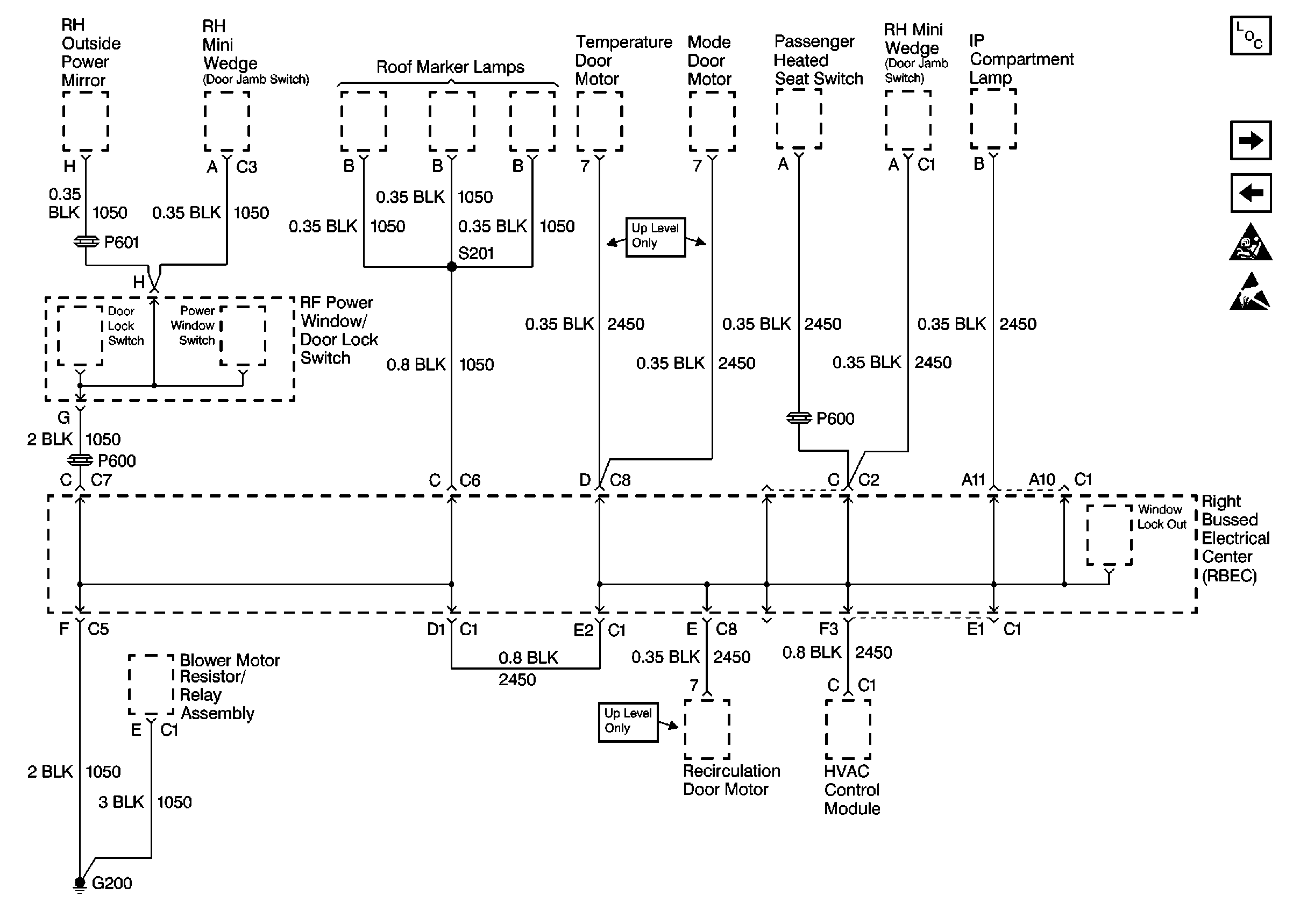
🢒 Cell 14: Temperature Door Motor, Passenger Heated Seat Switch, Roof Marker Lamps
Cell 14: Temperature Door Motor, Passenger Heated Seat Switch, Roof Marker Lamps
Cell 14: Temperature Door Motor, Passenger Heated Seat Switch, Roof Marker Lamps
Power and Grounding Components
Cell 14: Passenger Seat Bolster Switch, Passenger Power Seat Switch
Cell 14: Horn Switch, C201C, C207C
SIR Caution
Handling ESD Sensitive Parts Notice