GM Service Manual Online
For 1990-2009 cars only
Makes
🢒
Chevrolet
🢒
2000
🢒
Chevy C Silverado - 2WD
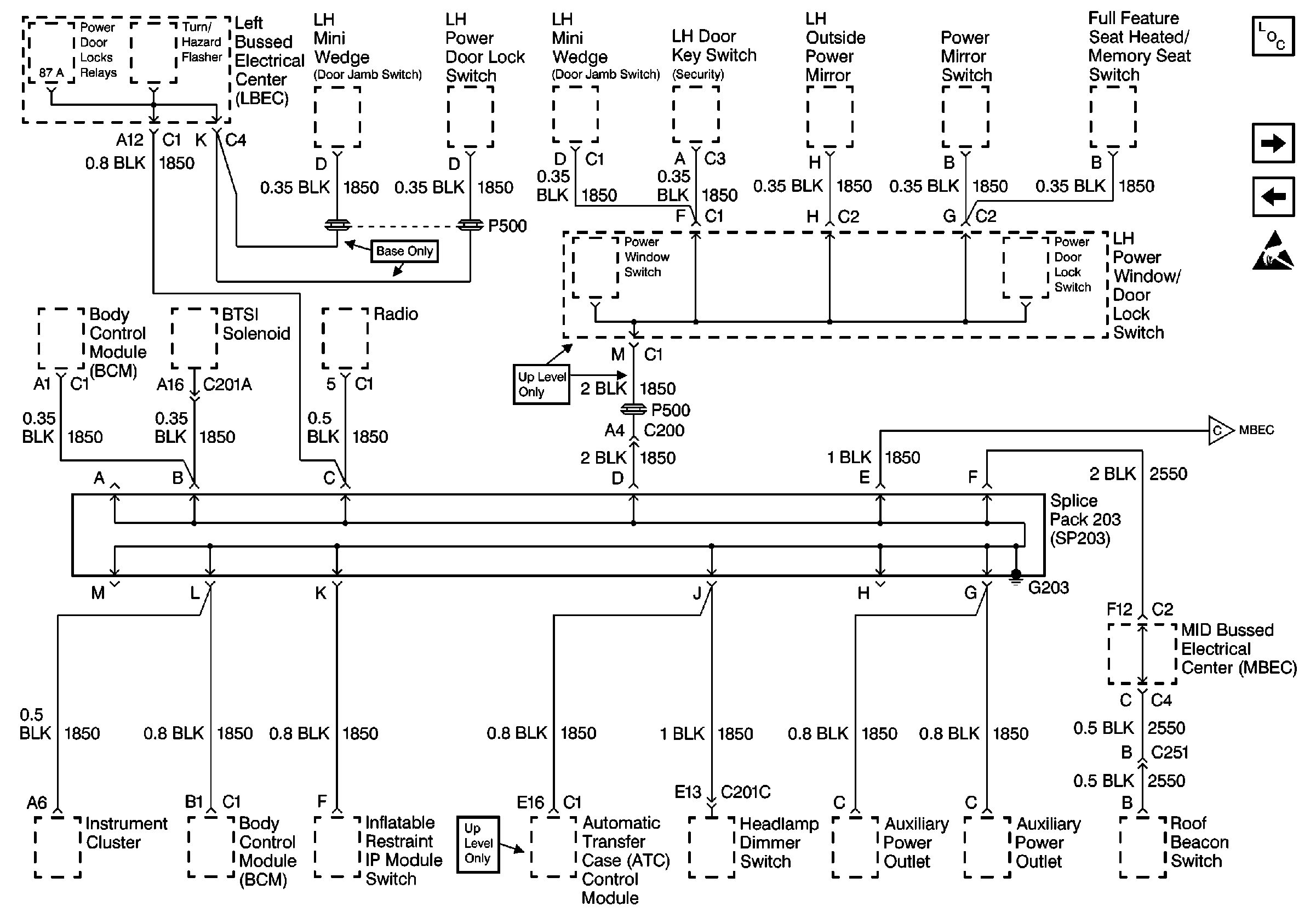
🢒 Cell 14: Full Feature Seat Heated/Memory Seat Switch, Light Bar Switch
Cell 14: Full Feature Seat Heated/Memory Seat Switch, Light Bar Switch
Cell 14: Full Feature Seat Heated/Memory Seat Switch, Light Bar Switch
Power and Grounding Components
Cell 14: Horn Switch, C201C, C207C
Cell 14: Engine Oil Level Switch, Engine Coolant Level Switch, Underhood Lamp
Handling ESD Sensitive Parts Notice
Cell 14: Horn Switch, C201C, C207C