GM Service Manual Online
For 1990-2009 cars only
Makes
🢒
Chevrolet
🢒
2000
🢒
Chevy C Silverado - 2WD
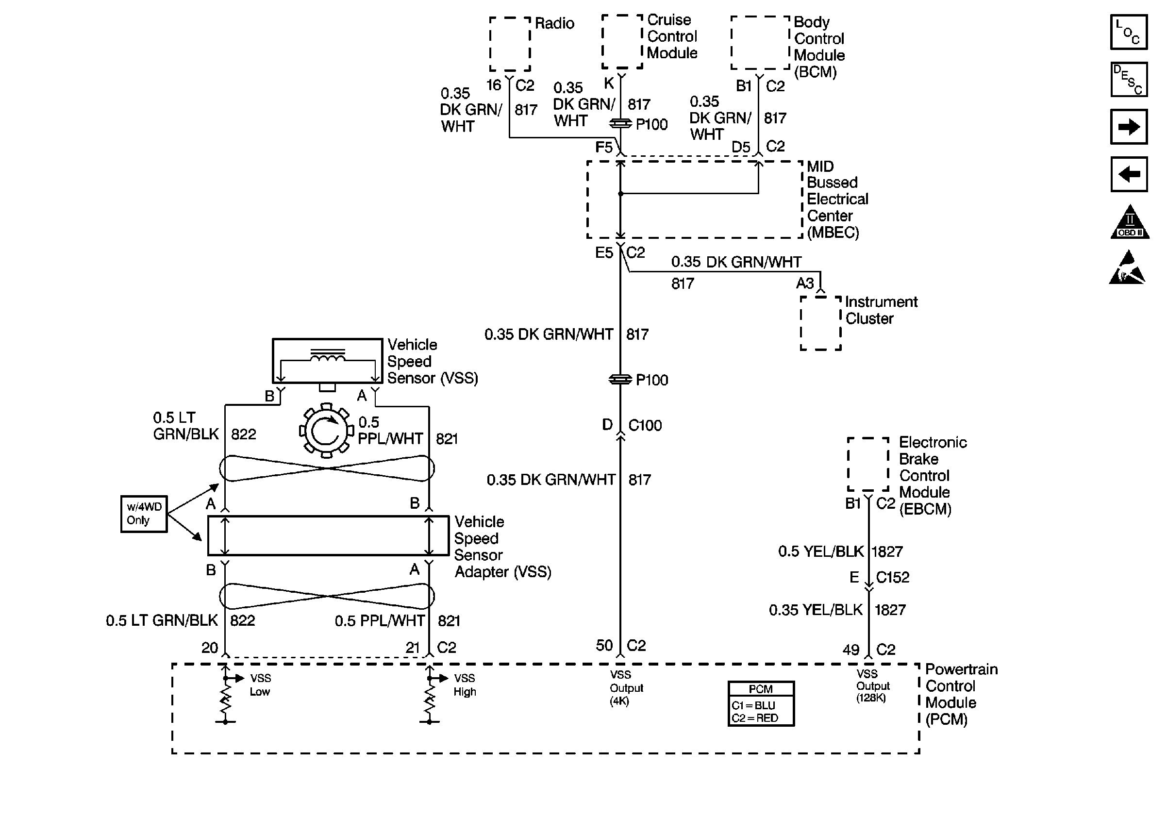
🢒 Cell 21: VSS
Cell 21: VSS
Cell 21: VSS
Engine Controls Components
Powertrain Control Module Description
Cell 21: EVAP Controls
Cell 21: Secondary AIR Controls
OBD II Symbol Description Notice
Handling ESD Sensitive Parts Notice