GM Service Manual Online
For 1990-2009 cars only
Makes
🢒
Chevrolet
🢒
2000
🢒
Chevy C Silverado - 2WD
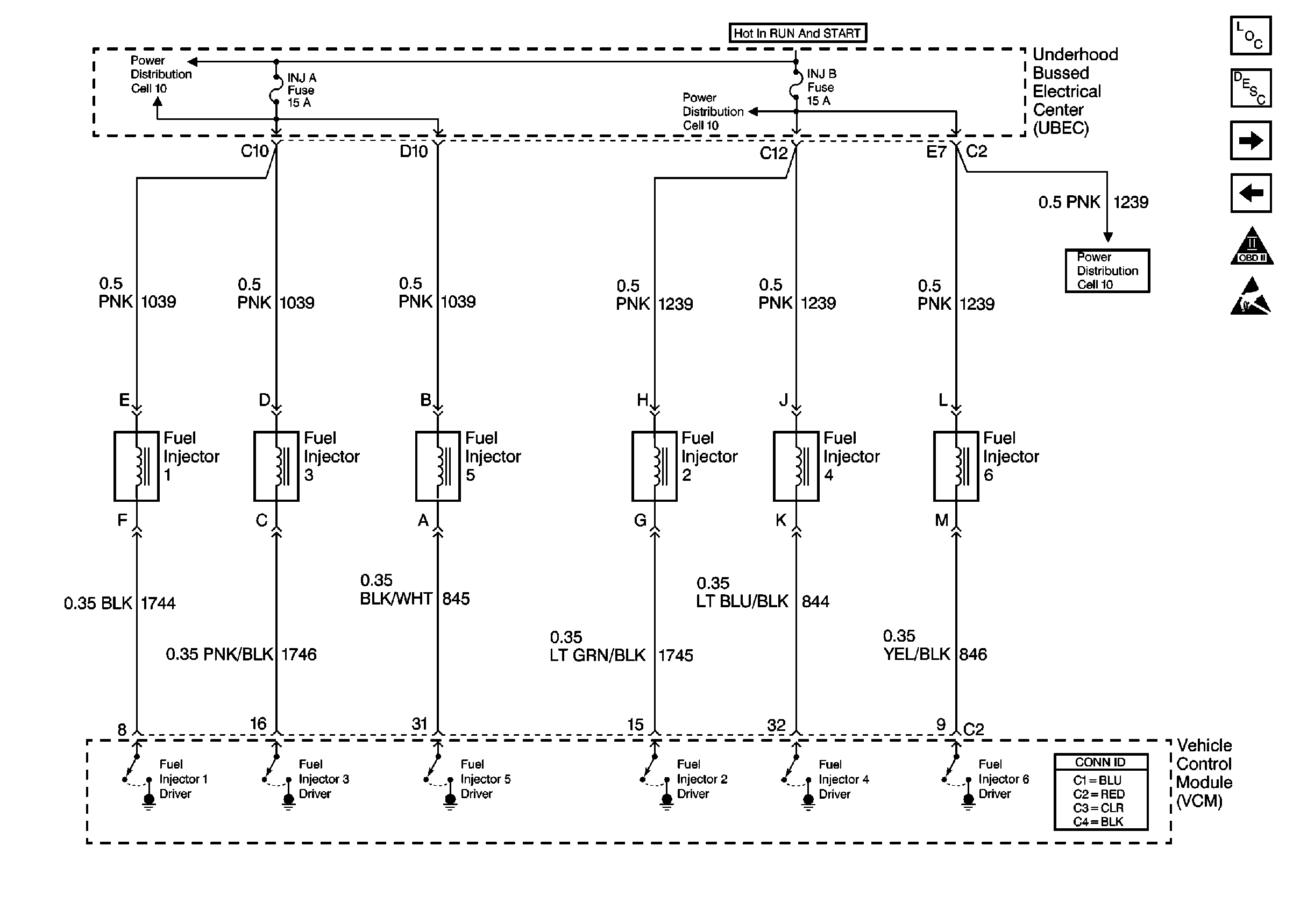
🢒 Cell 20: Fuel Injectors
Cell 20: Fuel Injectors
Cell 20: Fuel Injectors
Engine Controls Components
Vehicle Control Module Description
Cell 20: VSS
Cell 20: Secondary AIR Controls
OBD II Symbol Description Notice
Handling ESD Sensitive Parts Notice
Cell 10: Crankshaft Position Sensor, Fuel Injector 8
Cell 10: Crankshaft Position Sensor, Fuel Injector 8
Cell 10: Crankshaft Position Sensor, Fuel Injector 8