GM Service Manual Online
For 1990-2009 cars only
Makes
🢒
Chevrolet
🢒
2000
🢒
Chevy C Silverado - 2WD
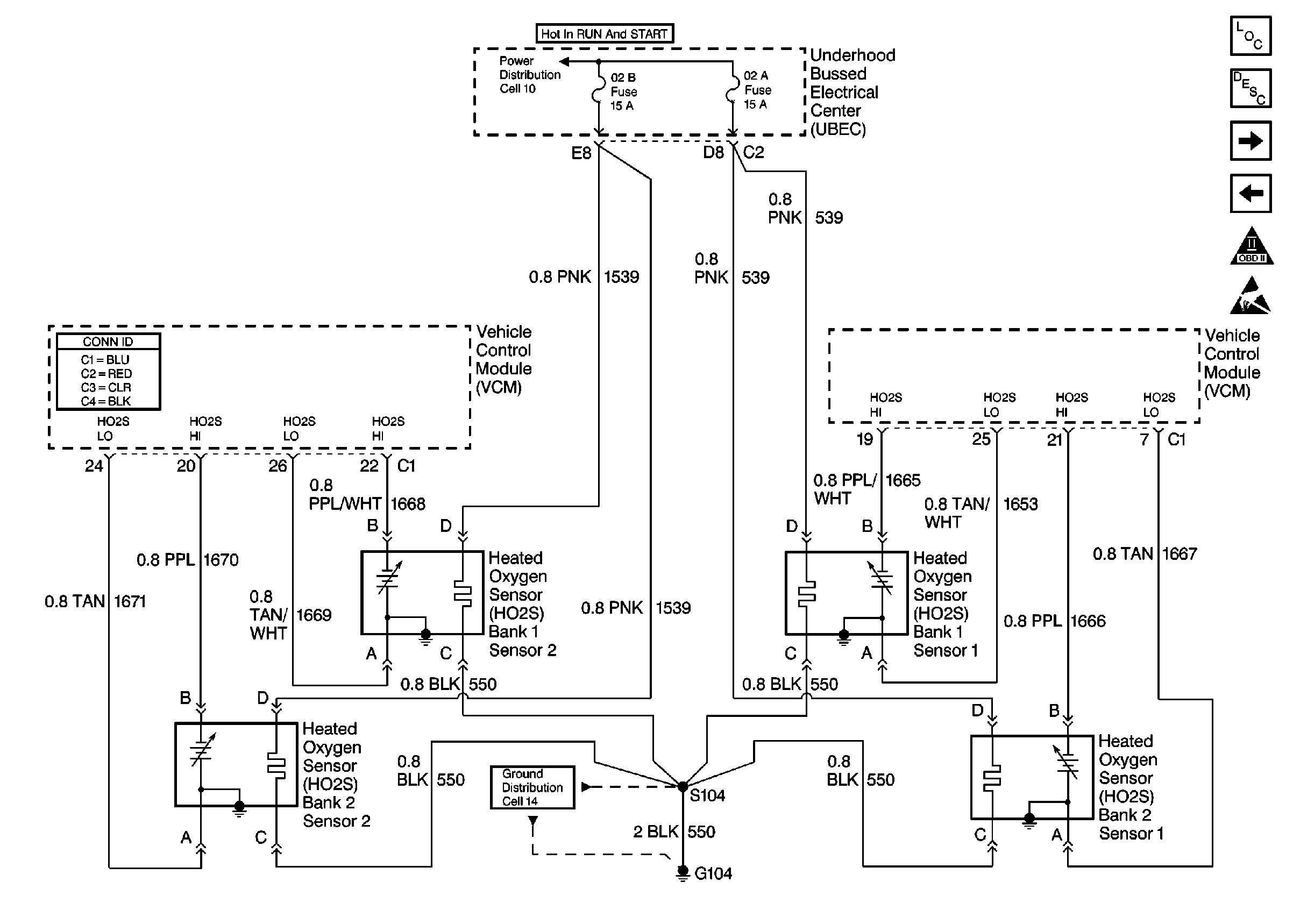
🢒 Cell 20: Oxygen Sensors
Cell 20: Oxygen Sensors
Cell 20: Oxygen Sensors
Engine Controls Components
Vehicle Control Module Description
Cell 20: Engine Oil Level, Engine Coolant Level, 4WD Inputs, Cruise Inputs, Generator Inputs
Cell 20: Fuel Controls
OBD II Symbol Description Notice
Handling ESD Sensitive Parts Notice
Cell 10: Underhood Bussed Electrical Center, Bussed Fuses
Cell 14: Underhood Bussed Electrical Center, Windshield Wiper Motor