GM Service Manual Online
For 1990-2009 cars only
Makes
🢒
Chevrolet
🢒
2000
🢒
Chevy C Silverado - 2WD
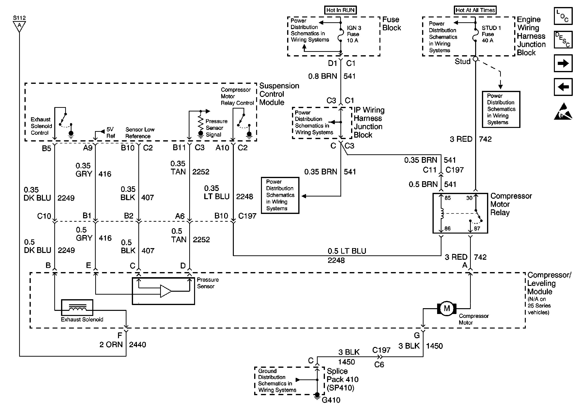
🢒 Fuse Block, Compressor Leveling Module, Suspension COnTrol Module
Fuse Block, Compressor Leveling Module, Suspension COnTrol Module
Fuse Block, Compressor Leveling Module, Suspension Control Module