GM Service Manual Online
For 1990-2009 cars only
Makes
🢒
Chevrolet
🢒
2000
🢒
Chevy C Silverado - 2WD
🢒 CIGAR Fuse, G103, G203
CIGAR Fuse, G103, G203
CIGAR Fuse, G103, G203
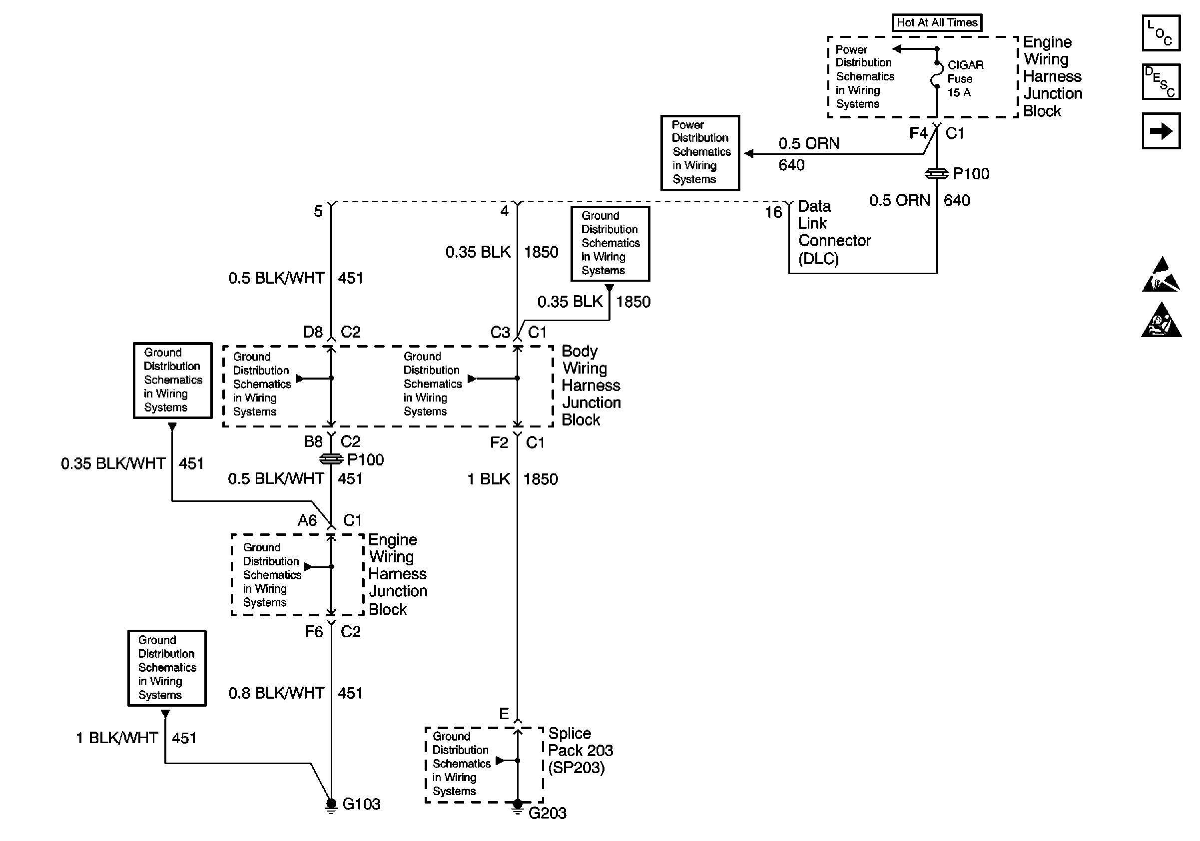
Data Link Communications Components
Data Link Communications Circuit Description
SP205, ATC Control Module, Memory Seat/Mirror
Handling ESD Sensitive Parts Notice
SIR Handling Caution
Power Distribution Schematics
Power Distribution Schematics
Ground Distribution Schematics
Ground Distribution Schematics
Ground Distribution Schematics
Ground Distribution Schematics
Ground Distribution Schematics
Ground Distribution Schematics
Ground Distribution Schematics