GM Service Manual Online
For 1990-2009 cars only
Makes
🢒
Chevrolet
🢒
2000
🢒
Chevy C Silverado - 2WD
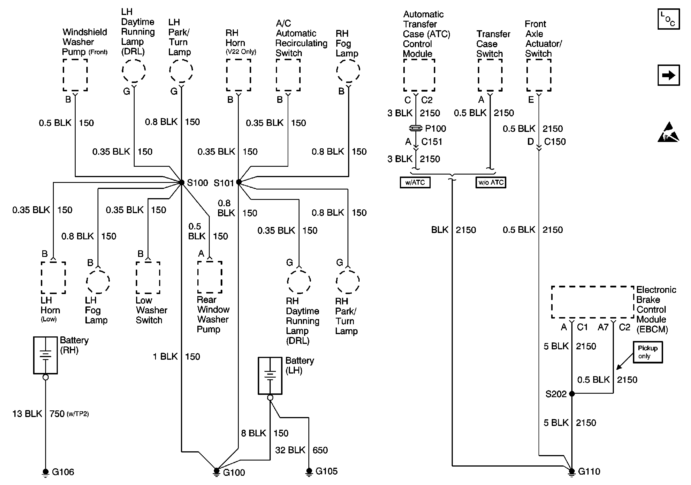
🢒 ATC Control Module, Front Lamps, Batt
ATC Control Module, Front Lamps, Batt
ATC Control Module, Front Lamps, Batt
Power and Grounding Components
VCM/PCM, G102, G103, DLC
Handling ESD Sensitive Parts Notice