GM Service Manual Online
For 1990-2009 cars only
Makes
🢒
Chevrolet
🢒
2000
🢒
Chevy C Silverado - 2WD
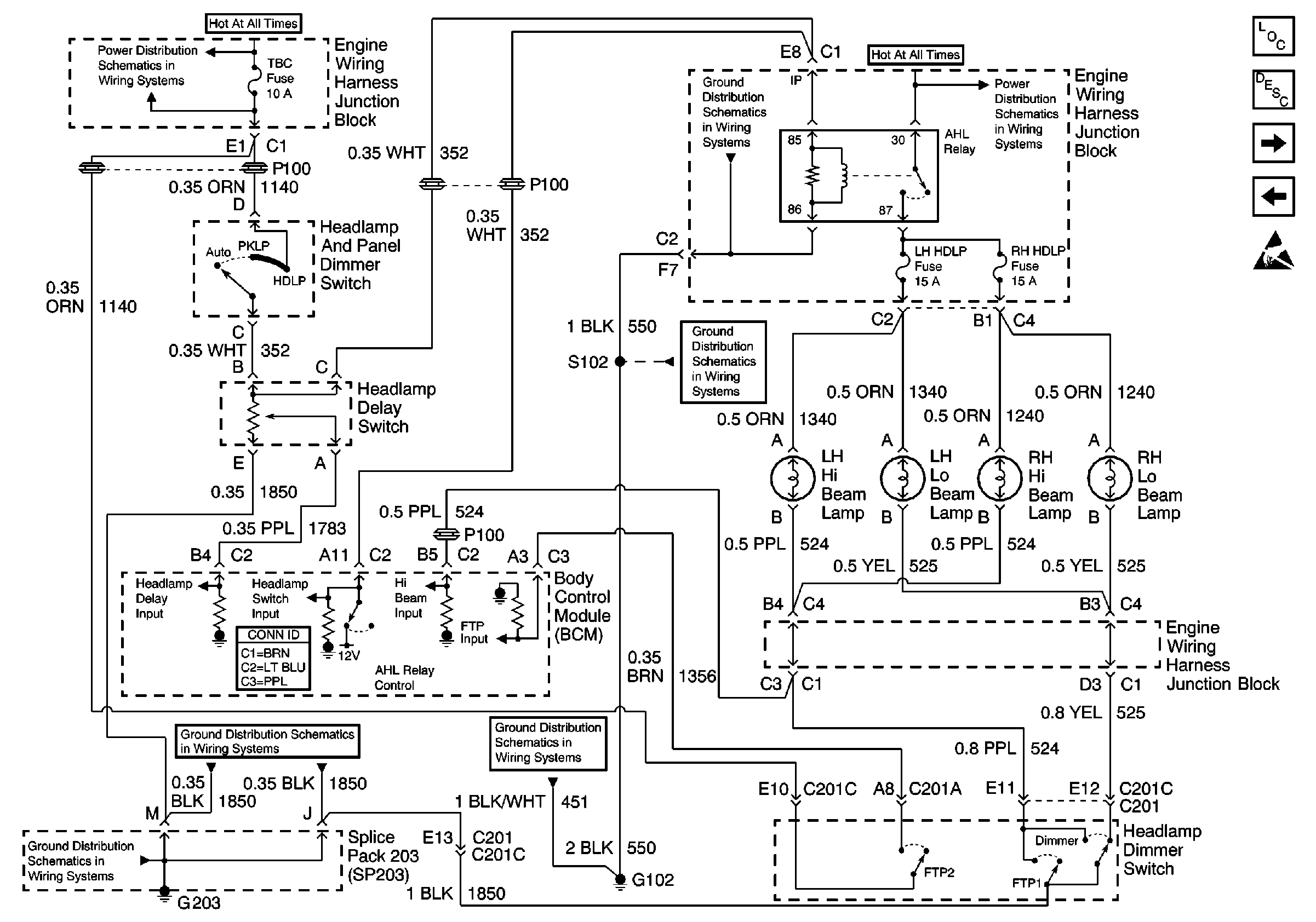
🢒 Cell 51: (AHL Relay, Headlamp Delay Switch, Headlamp Dimmer Switch, SP203, G102)
Cell 51: (AHL Relay, Headlamp Delay Switch, Headlamp Dimmer Switch, SP203, G102)
AHL Relay, Headlamp Delay Switch, Headlamp Dimmer Switch, SP203, G102
Power Distribution Schematics
Ground Distribution Schematics
Ground Distribution Schematics
Ground Distribution Schematics
Ground Distribution Schematics
Ground Distribution Schematics
Power Distribution Schematics
Handling ESD Sensitive Parts Notice
Body Control Module Components
Body Control System Circuit Description
Inadvertent Power Relay, Courtesy Lamp Relay, Cargo Lamp
AHL Relay, G102, SP203, Headlamp Dimmer Switch, Headlamps