GM Service Manual Online
For 1990-2009 cars only
Makes
🢒
Chevrolet
🢒
2000
🢒
Chevy C Silverado - 2WD
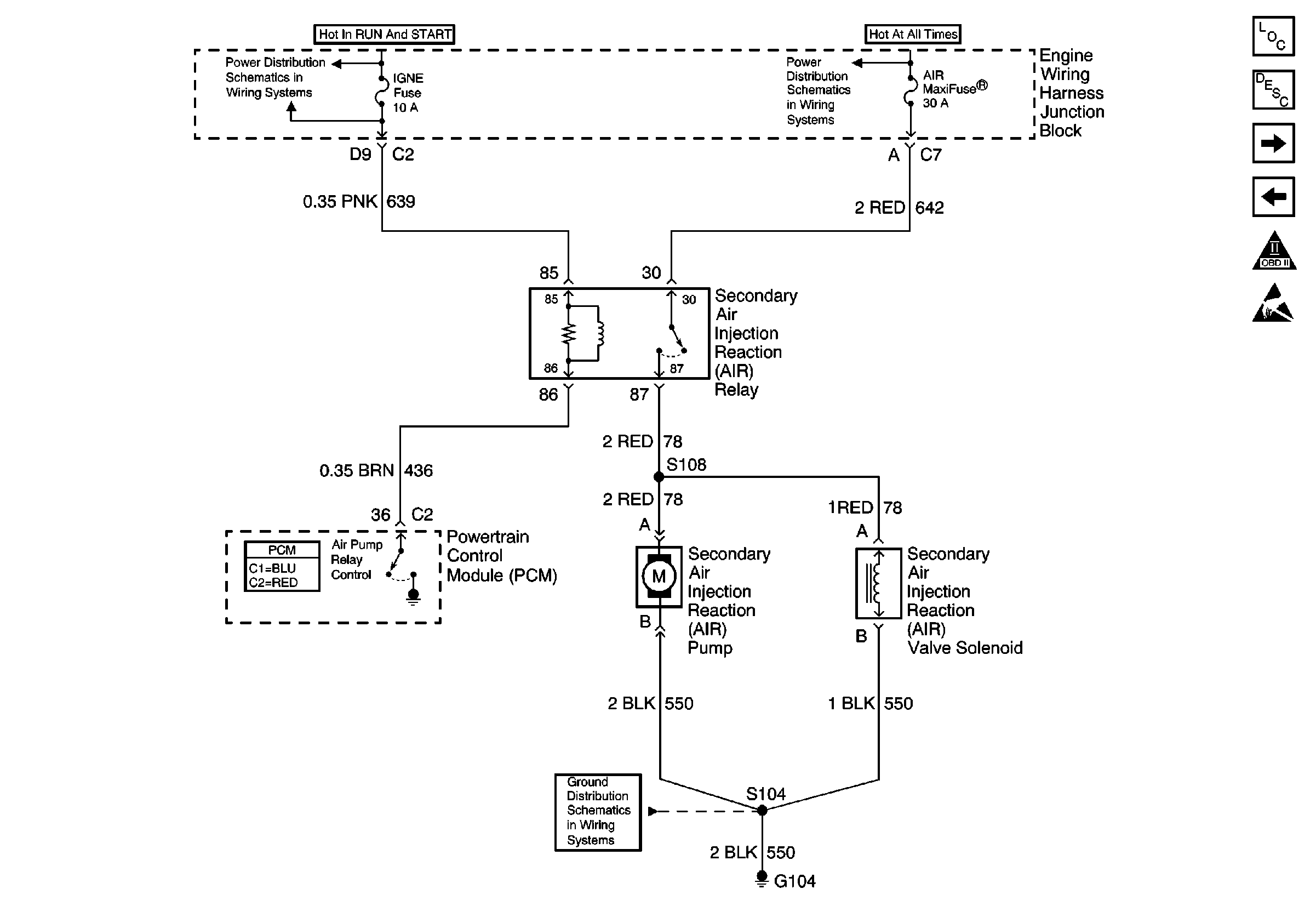
🢒 AIR Fuse, AIR Pump, AIR Relay, AIR Valve
AIR Fuse, AIR Pump, AIR Relay, AIR Valve
AIR Fuse, AIR Pump, AIR Relay, AIR Valve
Engine Controls Components
Evaporative Emission Control System Operation Description
G104, H2O Sensors, O2 A B Fuses
VSS Circuit, EBCM, BCM, PCM, IPC
OBD II Symbol Description Notice
Handling ESD Sensitive Parts Notice
Power Distribution Schematics
Power Distribution Schematics
Ground Distribution Schematics