GM Service Manual Online
For 1990-2009 cars only
Makes
🢒
Chevrolet
🢒
2000
🢒
Chevy C Silverado - 2WD
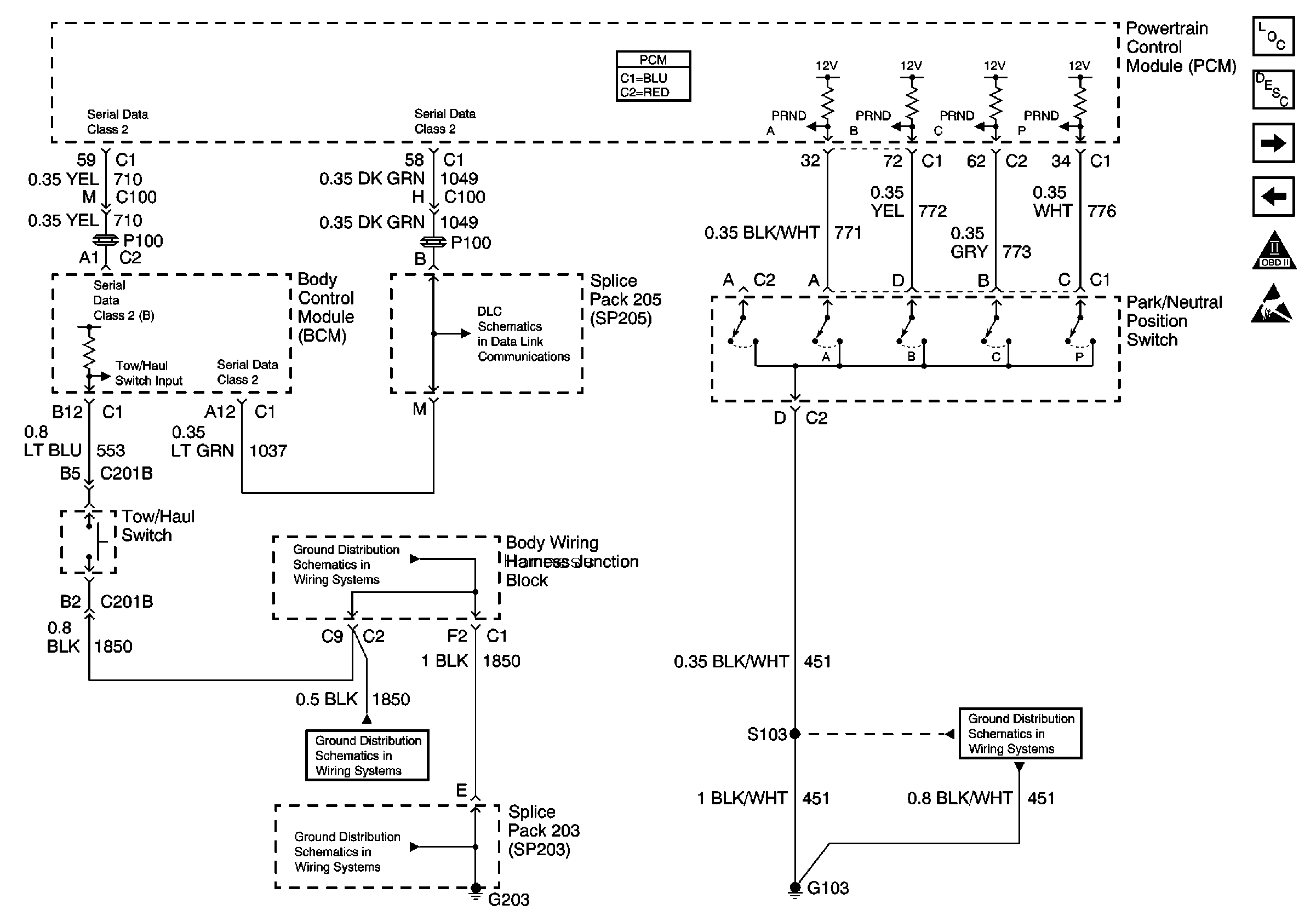
🢒 Park/Neutral Switch, Tow/Haul Switch, BCM, G203, G103
Park/Neutral Switch, Tow/Haul Switch, BCM, G203, G103
Park/Neutral Switch, Tow/Haul Switch, BCM, G203, G103
Engine Controls Components
Evaporative Emission Control System Operation Description
G104, H2O Sensors, O2 A B Fuses
VSS Circuit, EBCM, BCM, PCM, IPC
OBD II Symbol Description Notice
Handling ESD Sensitive Parts Notice
Ground Distribution Schematics
Ground Distribution Schematics
Ground Distribution Schematics
Ground Distribution Schematics