GM Service Manual Online
For 1990-2009 cars only

DTC P0742 TCC System Stuck On Gas LQ4


Object Number: 362787  Size: MF
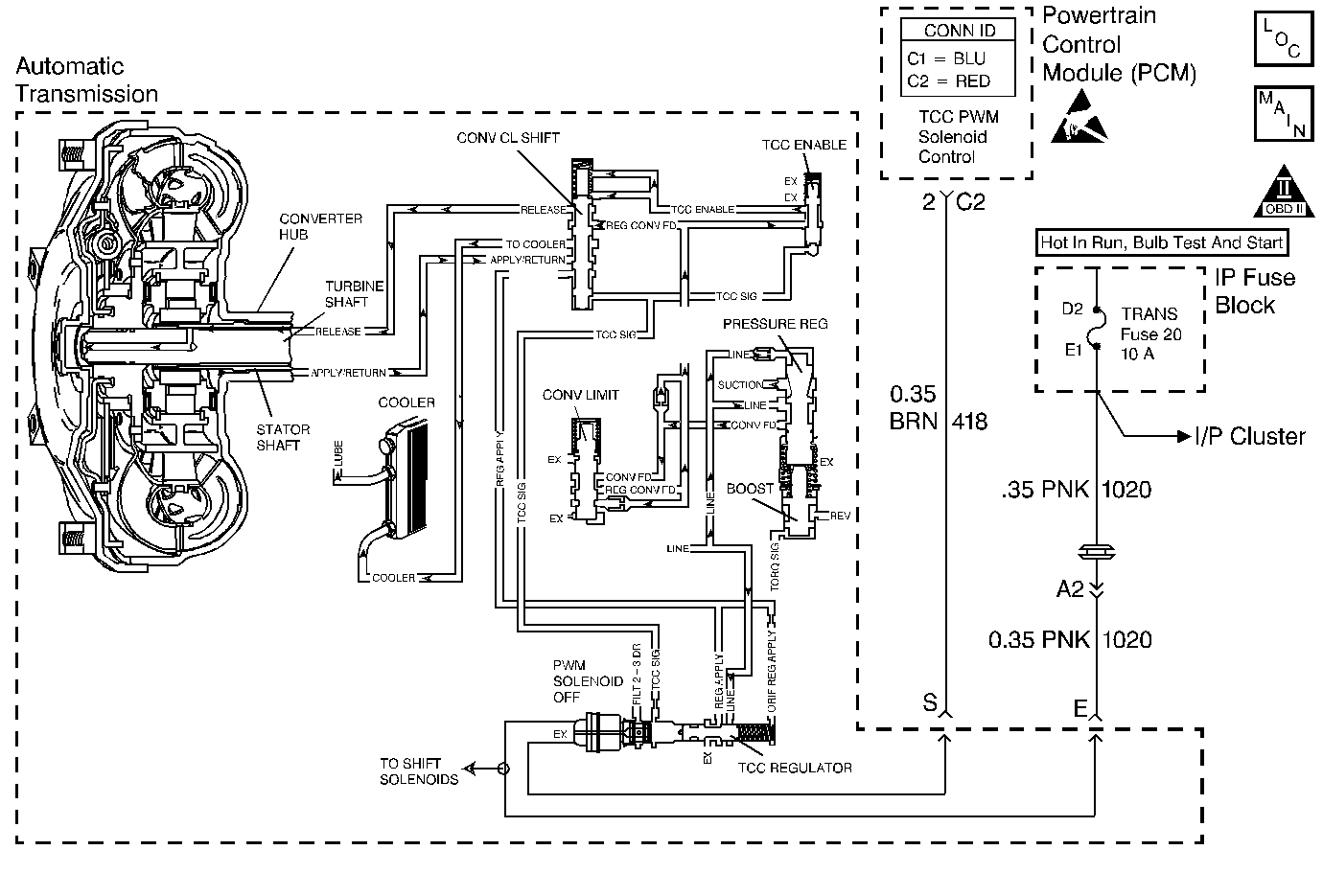
Automatic Transmission Components
Automatic Transmission Controls Schematics
OBD II Symbol Description Notice
Handling ESD Sensitive Parts Notice

Circuit Description

The powertrain control module (PCM) energizes the torque converter clutch pulse width modulated (TCC PWM) solenoid valve by grounding circuit 418. This blocks the exhaust for TCC signal fluid and allows filtered 2-3 drive fluid to feed the TCC signal circuit. When the vehicle's operating conditions are appropriate for TCC application, the PCM begins the TCC duty cycle to approximately 30%. This allows TCC signal fluid pressure to move the converter clutch shift valve into the apply position and direct regulated apply fluid to the torque converter. The PCM then increases (ramps) the duty cycle to approximately 60%, where regulated apply fluid pressure, applies the converter clutch. The vehicle application determines the TCC apply rate. Once the TCC applies, the duty cycle immediately increases to approximately 70% to achieve full apply pressure, in the regulated apply fluid circuit.

The TCC PWM solenoid valve is de-energized by the PCM opening circuit 418. This action allows the TCC signal fluid to exhaust through the solenoid and blocks filtered 2-3 drive fluid from entering the TCC signal circuit. The loss of fluid pressure in the TCC signal circuit releases the TCC.

If the PCM detects low TCC slip when the TCC is commanded OFF, then DTC P0742 sets. DTC P0742 is a type C DTC. For California emissions vehicles DTC P0742 is a type B DTC.

Conditions for Running the DTC

    • The engine is running greater than 300 RPM for greater than 7 seconds.
    • The system voltage is 8.0-18.0 volts.
    • No MAP sensor DTCs P0106, P0107, or P0108.
    • No TP sensor DTCs P0121, P0122 or P0123.
    • No OSS DTCs P0502 or P0503.
    • No ISS DTCs P0716 or P0717.
    • No TCC DTCs P0741 or P1860.
    • No TFP manual valve position switch DTC P1810.
    • The speed ratio is 0.94-1.75.
    • The engine torque must be 163 N·m (120 lb ft) to 500 N·m (400 lb ft).
    • No TFP manual valve position switch change within 6.0 seconds.
    • The TFP manual valve position switch indicates D4.
    • The commanded gear is not 1st.
    • Engine speed is 800-4400 RPM.
    • The throttle position (TP) is 12-100%.
    • Vehicle speed is 7-75 MPH.

Conditions for Setting the DTC

    • The TCC slip speed must be -10 to +10 RPM for at least 3.5 seconds.
    • All conditions met for 5 occurrences.

Action Taken When the DTC Sets

    • For California emission equipped vehicles, the PCM illuminates the malfunction indicator lamp (MIL) during the second consecutive trip in which the Conditions for Setting the DTC are met. For Non-California emission equipped vehicles, the malfunction indicator lamp (MIL) is not illuminated.
    • The PCM commands maximum line pressure.
    • The PCM freezes shift adapts.
    • The PCM records the operating conditions when the Conditions for Setting the DTC are met. The PCM stores this information as Freeze Frame (Calif. only) and Failure Records (Calif. and Federal).
    • The PCM stores the DTC P0742 in PCM history during the second consecutive trip (Calif.) or the first trip (Federal) in which the Conditions for Setting the DTC are met.

Conditions for Clearing the MIL/DTC

    • For California emissions, the PCM turns OFF the MIL during the third consecutive trip in which the diagnostic test runs and passes.
    • A scan tool can clear the MIL/DTC.
    • For California emissions, the PCM clears the DTC from PCM history if the vehicle completes 40 consecutive warm-up cycles without an emission related diagnostic fault occurring.
    • For Federal emissions, the PCM clears the DTC from PCM history if the vehicle completes 40 consecutive warm-up cycles without a non-emission related diagnostic fault occurring.
    • The PCM cancels the DTC default actions when the fault no longer exists and the ignition switch is OFF long enough in order to power down the PCM.

Diagnostic Aids

    • First diagnose and clear any engine DTCs or TP sensor codes that are present. Then inspect for any transmission DTCs that may have reset.
    • If the TCC is mechanically stuck ON with the parking brake applied and any gear range selected, the TCC fluid mechanically applies the TCC. TCC fluid mechanically applying the TCC can cause an engine stall.
    • A stuck TP sensor may set a DTC P0742.

Test Description

The numbers below refer to the step numbers on the diagnostic table.

  1. This step tests the mechanical state of the TCC. When the PCM commands the TCC solenoid OFF, the slip speed should increase.

DTC P0742

Step

Action

Value(s)

Yes

No

1

Did you perform the Powertrain Diagnostic System Check?

--

Go to Step 2

Go to Powertrain On Board Diagnostic (OBD) System Check

2

  1. Install a Scan Tool .
  2. Turn ON the ignition, with the engine OFF.
  3. Important: Before clearing the DTCs, use the scan tool in order to record the Freeze Frame and Failure Records. Using the Clear Info function erases the Freeze Frame and Failure Records from the PCM.

  4. Record the Freeze Frame and Failure Records.
  5. Clear the DTCs.
  6. Select Scan Tool TP angle and TP sensor.
  7. Apply the accelerator pedal.

Are the TP sensor values within the specified range?

0.2-0.9 volts at 0% to 4.5 volts at 100%

Go to Step 3

Go to Diagnostic Aids

3

Drive the vehicle in the D4 drive range in FOURTH gear under steady acceleration with a TP sensor angle greater than 12%.

Does the scan tool display a TCC slip speed of -10 to +10 RPM while the displayed TCC duty cycle is 0%?

--

Go to Step 4

Go to Diagnostic Aids

4

The TCC is mechanically stuck ON.

Perform the following inspections:

  1. Inspect the exhaust orifice in the TCC PWM solenoid valve for any clogging.
  2. Inspect the converter clutch apply valve for the possibility of being stuck in the apply position.
  3. Inspect the valve body gasket for misalignment or damage.
  4. Inspect for a restricted release or apply passage.
  5. Inspect for restricted transmission cooler line.

Refer to Torque Converter Clutch Stuck On .

Did you find and correct the condition?

--

Go to Step 5

--

5

Perform the following procedure in order to verify the repair:

  1. Select DTC.
  2. Select Clear Info.
  3. Operate the vehicle under the following conditions:
  4. • Operate the vehicle in D4 with the TCC duty cycle 0% and throttle above 12%.
    • Ensure that the TCC slip speed is greater than 175 RPM for 6 seconds.
  5. Select Specific DTC.
  6. Enter DTC P0742.

Has the test run and passed?

--

System OK

Go to Step 1