GM Service Manual Online
For 1990-2009 cars only

Auxiliary Battery Positive Cable Replacement Battery Relay to Starter

Removal Procedure

Caution: Unless directed otherwise, the ignition and start switch must be in the OFF or LOCK position, and all electrical loads must be OFF before servicing any electrical component. Disconnect the negative battery cable to prevent an electrical spark should a tool or equipment come in contact with an exposed electrical terminal. Failure to follow these precautions may result in personal injury and/or damage to the vehicle or its components.


    Object Number: 662415  Size: SH
  1. Disconnect the auxiliary negative battery cable. Refer to Battery Negative Cable Disconnection and Connection .

  2. Object Number: 662684  Size: SH
  3. Reposition the boot.
  4. Remove the auxiliary positive battery cable nut.
  5. Remove the auxiliary positive battery cable from the auxiliary relay.
  6. Remove the auxiliary positive battery cable clip from the battery tray.
  7. Raise and suitably support the vehicle. Refer to Lifting and Jacking the Vehicle in General Information.

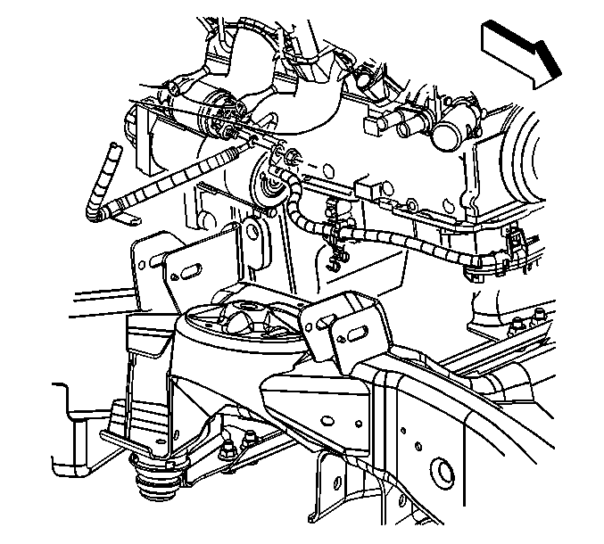
  8. Object Number: 662688  Size: SH
  9. Remove the auxiliary cable clip bolt from the frame.

  10. Object Number: 662690  Size: SH
  11. Remove the starter lead nut.
  12. Remove the auxiliary positive battery cable from the starter stud.
  13. Remove the auxiliary positive battery cable.

Installation Procedure


    Object Number: 662690  Size: SH
  1. Install the auxiliary positive battery cable.
  2. Install the auxiliary positive battery cable to the starter stud.
  3. Notice: Use the correct fastener in the correct location. Replacement fasteners must be the correct part number for that application. Fasteners requiring replacement or fasteners requiring the use of thread locking compound or sealant are identified in the service procedure. Do not use paints, lubricants, or corrosion inhibitors on fasteners or fastener joint surfaces unless specified. These coatings affect fastener torque and joint clamping force and may damage the fastener. Use the correct tightening sequence and specifications when installing fasteners in order to avoid damage to parts and systems.

  4. Install the starter lead nut.
  5. Tighten
    Tighten the starter lead nut to 9 N·m (80 lb in).


    Object Number: 662688  Size: SH
  6. Install the auxiliary cable clip bolt to the frame.
  7. Tighten
    Tighten the auxiliary battery cable clip bolt to 10 N·m (89 lb in).

  8. Lower the vehicle.

  9. Object Number: 662684  Size: SH
  10. Install the auxiliary positive battery cable clip to the battery tray.
  11. Install the auxiliary positive battery cable to the auxiliary relay.
  12. Install the auxiliary positive battery cable nut.
  13. Tighten
    Tighten the auxiliary positive battery cable nut to 8 N·m (71 lb in).

  14. Position the boot.

  15. Object Number: 662415  Size: SH
  16. Connect the auxiliary negative battery cable. Refer to Battery Negative Cable Disconnection and Connection .

Auxiliary Battery Positive Cable Replacement Auxiliary Battery to Battery Relay

Removal Procedure


    Object Number: 662692  Size: SH
  1. Remove the auxiliary battery. Refer to Auxiliary Battery Replacement .
  2. Unclip the mega fuse from the auxiliary battery tray.
  3. Remove the auxiliary positive cable to relay nut.
  4. Remove the auxiliary battery positive cable.

Installation Procedure


    Object Number: 662692  Size: SH
  1. Install the auxiliary battery positive cable.
  2. Notice: Use the correct fastener in the correct location. Replacement fasteners must be the correct part number for that application. Fasteners requiring replacement or fasteners requiring the use of thread locking compound or sealant are identified in the service procedure. Do not use paints, lubricants, or corrosion inhibitors on fasteners or fastener joint surfaces unless specified. These coatings affect fastener torque and joint clamping force and may damage the fastener. Use the correct tightening sequence and specifications when installing fasteners in order to avoid damage to parts and systems.

  3. Install the auxiliary positive cable to relay nut.
  4. Tighten
    Tighten the auxiliary positive cable to relay nut to 9 N·m (80 lb in).

  5. Clip the mega fuse to the auxiliary battery tray.
  6. Install the auxiliary battery. Refer to Auxiliary Battery Replacement .

Auxiliary Battery Positive Cable Replacement 6.6 L Engine

Removal Procedure

Caution: Unless directed otherwise, the ignition and start switch must be in the OFF or LOCK position, and all electrical loads must be OFF before servicing any electrical component. Disconnect the negative battery cable to prevent an electrical spark should a tool or equipment come in contact with an exposed electrical terminal. Failure to follow these precautions may result in personal injury and/or damage to the vehicle or its components.


    Object Number: 700829  Size: SH
  1. Disconnect the auxiliary negative battery cable. Refer to Battery Negative Cable Disconnection and Connection .
  2. Remove the auxiliary positive battery cable nut.
  3. Remove the auxiliary battery cable clip from the fender wheel house inner panel.
  4. Remove the auxiliary battery cable clip from the frame.
  5. Raise and suitably support the vehicle. Refer to Lifting and Jacking the Vehicle in General Information.

  6. Object Number: 674619  Size: SH
  7. Remove the starter solenoid nut.
  8. Remove the auxiliary positive battery cable from the starter solenoid stud.

  9. Object Number: 674624  Size: SH
  10. Remove the bolt for the auxiliary battery negative cable.

  11. Object Number: 673568  Size: SH
  12. Remove the nut for the battery cable retainer.
  13. Remove the auxiliary positive cable from the retainer.
  14. Remove the auxiliary battery cable assembly from the vehicle.

Installation Procedure


    Object Number: 674619  Size: SH
  1. Position the auxiliary battery cable assembly to the starter.
  2. Notice: Use the correct fastener in the correct location. Replacement fasteners must be the correct part number for that application. Fasteners requiring replacement or fasteners requiring the use of thread locking compound or sealant are identified in the service procedure. Do not use paints, lubricants, or corrosion inhibitors on fasteners or fastener joint surfaces unless specified. These coatings affect fastener torque and joint clamping force and may damage the fastener. Use the correct tightening sequence and specifications when installing fasteners in order to avoid damage to parts and systems.

  3. Install the positive battery cable and nut to the starter.
  4. Tighten
    Tighten the positive battery cable nut to 9 N·m (80 lb in).


    Object Number: 673568  Size: SH
  5. Install the auxiliary battery cables in the retainer.
  6. Install the retainer and nut to the oil pan.
  7. Tighten
    Tighten the battery cable retainer nut to 12 N·m (106 lb in).


    Object Number: 674624  Size: SH
  8. Install the auxiliary negative battery cable bolt.
  9. Tighten
    Tighten the auxiliary negative battery cable bolt to 34 N·m (25 lb ft).


    Object Number: 700829  Size: SH
  10. Install the auxiliary positive battery cable nut.
  11. Tighten
    Tighten the auxiliary positive battery cable nut to 8 N·m (71 lb in).

  12. Connect the auxiliary negative battery cable. Refer to Battery Negative Cable Disconnection and Connection .