GM Service Manual Online
For 1990-2009 cars only

Removal Procedure

Important: You do not have to remove the upper intake manifold in order to remove the lower intake manifold.

  1. Disconnect the battery negative cable. Refer to Battery Negative Cable Disconnection and Connection in Engine Electrical.
  2. Drain the cooling system. Refer to Cooling System Draining and Filling in Engine Cooling.

  3. Object Number: 360851  Size: SH
  4. Separate the MAF/IAT sensor assembly and the air inlet tube by loosening the hose clamp.
  5. Disconnect the PCV hose from the air cleaner outlet duct.

  6. Object Number: 489179  Size: SH
  7. Remove the air inlet tube and resonator retaining wing nut.

  8. Object Number: 489176  Size: SH
  9. Remove the air inlet tube and resonator from the throttle body by pivoting the air inlet tube and resonator upward until the hinge clip releases from the lip on the throttle body.

  10. Object Number: 26764  Size: SH
  11. Remove the accelerator cable from the cable routing bracket.

  12. Object Number: 325556  Size: SH
  13. Remove the accelerator cable from the throttle body lever.
  14. Disconnect the cruise control cable, if equipped from the throttle shaft and the accelerator cable bracket at the side of the throttle body. Refer to Cruise Control Cable Replacement in Cruise Control.

  15. Object Number: 398030  Size: SH
  16. Remove the engine wiring harness and clip from the accelerator control cable bracket.
  17. Remove the accelerator control cable bracket with the accelerator control cable and the cruise control cable from the throttle body.
  18. Move and secure the accelerator control cable bracket with the cables out of the way.

  19. Object Number: 398868  Size: SH
  20. Disconnect the secondary air injection (AIR) crossover pipe from the AIR pipe assemblies, if equipped.
  21. Remove the AIR crossover pipe, if equipped.

  22. Object Number: 491816  Size: SH
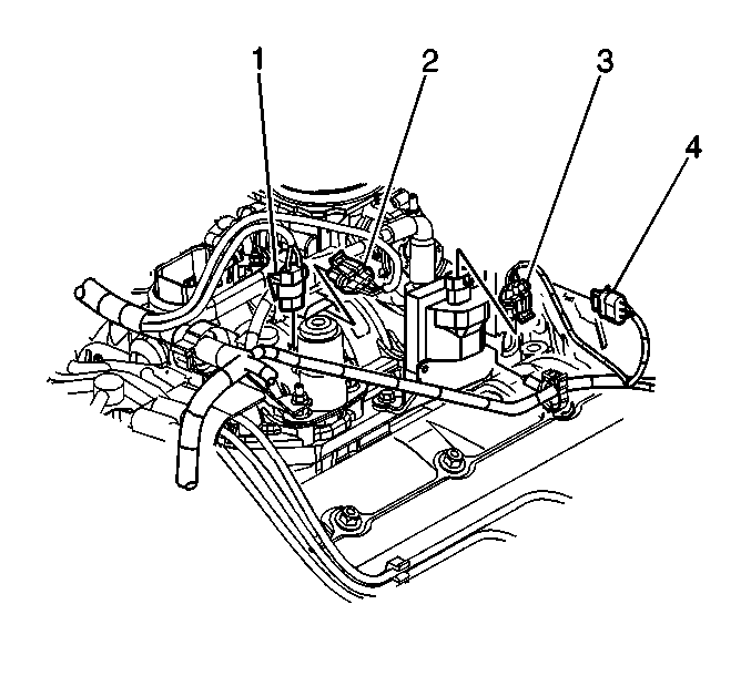
  23. Disconnect the following electrical connectors:
  24. • The EVAP canister purge solenoid valve (1)
    • The manifold absolute pressure (MAP) sensor (2)
    • The ignition control module (ICM) (4)
    • The ignition coil (3)

    Object Number: 491821  Size: SH
  25. Disconnect the following electrical connectors:
  26. • The A/C pressure switch (4), if equipped
    • The A/C compressor clutch (1), if equipped
    • The exhaust gas recirculation (EGR) valve (2)
    • The generator battery positive cable (3)

    Object Number: 491817  Size: SH
  27. Disconnect the following electrical connectors:
  28. • The fuel meter body assembly (3)
    • The throttle position (TP) sensor (1)
    • The idle air control (IAC) motor (2)
    • The engine coolant temperature (ECT) sensor (4)

    Object Number: 310243  Size: SH
  29. Remove the nut holding the engine wiring harness bracket to the EVAP purge solenoid valve stud.
  30. Remove the nut holding the ground wire to the engine wiring harness bracket stud at the rear of the right cylinder head.
  31. Remove the stud holding the engine wiring harness bracket.

  32. Object Number: 310241  Size: SH
  33. Remove the two nuts holding the engine wiring harness bracket to the upper intake manifold studs.
  34. Remove the engine wiring harness bracket from the studs.
  35. Move the engine wiring harness with the brackets aside.

  36. Object Number: 367002  Size: SH
  37. Remove the radiator inlet hose from the thermostat housing.

  38. Object Number: 182853  Size: SH
  39. Remove the water pump inlet hose from the intake manifold.
  40. Remove the heater hoses from the engine. Refer to Heater Inlet Hose Replacement and Heater Outlet Hose Replacement in Heating Ventilation and Air Conditioning.
  41. Remove the distributor. Refer to Distributor Replacement in Engine Controls - 4.3L.
  42. Disconnect the fuel supply and return pipes at the rear of the intake manifold. Refer to Fuel Hose/Pipes Replacement - Engine Compartment in Engine Controls - 4.3L.

  43. Object Number: 172995  Size: SH
  44. Disconnect PCV valve hose assembly from the intake manifold and the valve rocker arm cover.

  45. Object Number: 346148  Size: SH
  46. Disconnect the power brake booster vacuum hose from the intake manifold.
  47. Disconnect the hose to the EVAP canister purge solenoid valve. Refer to Evaporative Emission Canister Purge Solenoid Valve Replacement in Engine Controls - 4.3L.

  48. Object Number: 172982  Size: SH
  49. Remove the spark plug wire harness retainer from the exhaust gas recirculation (EGR) valve inlet pipe.
  50. Remove the clamp bolt for the EGR valve inlet pipe.
  51. Remove the EGR valve inlet pipe from the intake and the exhaust manifolds.

  52. Object Number: 340090  Size: SH
  53. In order to remove the front intake manifold bolt, perform the following:
  54. 35.1. Remove the drive belt. Refer to Drive Belt Replacement .
    35.2. Loosen the power steering pump rear bracket side nut.
    35.3. Remove the power steering pump rear bracket front nut.
    35.4. Remove the bolts and the nut for the power steering pump mounting bracket.
    35.5. Leave the A/C compressor, if equipped, and the power steering pump on the bracket.
    35.6. Slide the power steering pump mounting bracket forward to access the bolt at the front of the intake manifold.

    Object Number: 31510  Size: SH
  55. Remove the engine coolant temperature (ECT) sensor wire connector (if equipped) from the engine wiring harness bracket.
  56. Remove the lower intake manifold bolts.
  57. Important: The intake manifold may be removed as an assembly. Do not remove the specific intake manifold components unless component service is required.

    Do not allow dirt or debris to enter the fuel system. Ensure that the ends of the fuel system are properly sealed.

    Do not disassemble the Central Sequential Fuel Injection (SFI) unit, unless service is required.

  58. Remove the intake manifold assembly.
  59. Remove and discard the lower intake manifold gaskets.
  60. Important: Do not immerse the assembled intake manifold in cleaning solvent.


    Object Number: 480568  Size: SH
  61. Clean the lower intake manifold in cleaning solvent.
  62. Dry the lower intake manifold with compressed air.

  63. Object Number: 480570  Size: SH
  64. Inspect the lower intake manifold for the following:
  65. • Damage to the gasket sealing surfaces (1, 2, 3).
    • Restricted exhaust gas recirculation (EGR) system passages (4)
    • Restricted cooling system passages (5)
    • Cracks or damage
    • Damage to the threaded bolt holes
  66. If the intake manifold requires replacement refer to Intake Manifold Disassemble and Intake Manifold Assemble in Engine Unit Repair Manual.

Installation Procedure


    Object Number: 38512  Size: SH

    Notice: Apply the proper amount of the sealant when assembling this component. Excessive use of the sealant can prohibit the component from sealing properly. A component that is not sealed properly can leak leading to extensive engine damage.

  1. Apply a 4.0 mm (0.157 in) patch of adhesive GM P/N 12346141 or equivalent to the cylinder head side of the lower intake manifold gasket at each end.
  2. Important: The lower intake manifold gasket must be installed while the adhesive is still wet to the touch.

  3. Install the lower intake manifold gasket onto the cylinder head.
  4. Use the gasket locator pins in order to properly seat the lower intake manifold gasket on the cylinder head.


    Object Number: 26744  Size: SH

    Notice: Apply the proper amount of the sealant when assembling this component. Excessive use of the sealant can prohibit the component from sealing properly. A component that is not sealed properly can leak leading to extensive engine damage.

    Important: The lower intake manifold must be installed and the fasteners tightened while the adhesive is still wet to the touch.

  5. Apply a 5 mm (0.197 in) bead of adhesive GM P/N 12346141 or equivalent to the front top of the engine block.
  6. Extend the adhesive bead 13 mm (0.50 in) onto each lower intake manifold gasket.

  7. Object Number: 26743  Size: SH
  8. Apply a 5 mm (0.197 in) bead of adhesive GM P/N 12346141 or equivalent to the rear top of the engine block.
  9. Extend the adhesive bead 13 mm (0.50 in) onto each lower intake manifold gasket.

  10. Object Number: 31510  Size: SH
  11. Install the lower intake manifold onto the engine block.
  12. Notice: Use the correct fastener in the correct location. Replacement fasteners must be the correct part number for that application. Fasteners requiring replacement or fasteners requiring the use of thread locking compound or sealant are identified in the service procedure. Do not use paints, lubricants, or corrosion inhibitors on fasteners or fastener joint surfaces unless specified. These coatings affect fastener torque and joint clamping force and may damage the fastener. Use the correct tightening sequence and specifications when installing fasteners in order to avoid damage to parts and systems.

  13. If reusing the fasteners, apply threadlock GM P/N 12345382 or equivalent to the threads of the lower intake manifold bolts.
  14. Install the lower intake manifold bolts.

  15. Object Number: 188150  Size: SH

    Notice: Proper lower intake manifold fastener tightening sequence and torque is critical. Always follow the tightening sequence, and torque the intake manifold bolts using the 3 step method. Failing to do so may distort the crankshaft bearing bore alignment and cause damage to the crankshaft bearings.

  16. Tighten the lower intake manifold bolts.
  17. Tighten

    1. Tighten the bolts on the first pass in sequence (1-8) to 3 N·m (27 lb in).
    2. Tighten the bolts on the second pass in sequence (1-8) to 12 N·m (106 lb in).
    3. Tighten the bolts on the final pass in sequence (1-8) to 15 N·m (11 lb ft).

    Object Number: 340090  Size: SH
  18. Position the power steering pump mounting bracket.
  19. Install the three bolts and the nut.
  20. Notice: Use the correct fastener in the correct location. Replacement fasteners must be the correct part number for that application. Fasteners requiring replacement or fasteners requiring the use of thread locking compound or sealant are identified in the service procedure. Do not use paints, lubricants, or corrosion inhibitors on fasteners or fastener joint surfaces unless specified. These coatings affect fastener torque and joint clamping force and may damage the fastener. Use the correct tightening sequence and specifications when installing fasteners in order to avoid damage to parts and systems.

  21. Install the front nut for the power steering pump rear bracket.
  22. Tighten
    Tighten the power steering pump mounting bracket bolts, the nut, and the power steering pump rear bracket nuts to 41 N·m (30 lb ft).

  23. Install the drive belt. Refer to Drive Belt Replacement .

  24. Object Number: 172982  Size: SH
  25. Install the EGR valve inlet pipe to the intake manifold and the exhaust manifold.
  26. Tighten

    1. Tighten the EGR valve inlet pipe intake manifold nut to 25 N·m (18 lb ft).
    2. Tighten the EGR valve inlet pipe exhaust manifold nut to 30 N·m (22 lb ft).
    3. Tighten the EGR valve inlet pipe clamp bolt 25 N·m (18 lb ft).
  27. Install the spark plug wire harness retainer on the EGR valve inlet pipe.

  28. Object Number: 172995  Size: SH
  29. Install the PCV valve hose assembly to the intake manifold and the valve rocker arm cover.

  30. Object Number: 346148  Size: SH
  31. Install the power brake booster vacuum hose to the intake manifold.
  32. Install the EVAP canister purge solenoid valve hose. Refer to Evaporative Emission Canister Purge Solenoid Valve Replacement in Engine Controls - 4.3L.
  33. Install the fuel supply and return pipes to the rear of the intake manifold. Refer to Fuel Hose/Pipes Replacement - Engine Compartment in Engine Controls - 4.3L.

  34. Object Number: 334551  Size: SH

    Important: In order to install the distributor for the correct engine timing, position the engine to number one cylinder top dead center.

  35. Remove the spark plug for number one cylinder.
  36. Rotate the crankshaft until number one cylinder is in the compression stroke.
  37. Align the two reference marks on the crankshaft balancer (1,4) with the two alignment marks (2,3) on the front cover.
  38. Install the spark plug. Refer to Spark Plug Replacement in Engine Controls - 4.3L.
  39. Install the distributor. Refer to Distributor Replacement in Engine Controls - 4.3L.

  40. Object Number: 182853  Size: SH
  41. Install the water pump inlet hose to the intake manifold.
  42. Install the heater hoses to the engine. Refer to Heater Inlet Hose Replacement and Heater Outlet Hose Replacement in Heating Ventilation and Air Conditioning.

  43. Object Number: 367002  Size: SH
  44. Install the radiator inlet hose to the thermostat housing.
  45. Refill the cooling system. Refer to Cooling System Draining and Filling in Engine Cooling.

  46. Object Number: 310243  Size: SH
  47. Position the engine wiring harness and the engine wiring harness brackets.
  48. Install the stud at the rear of the right cylinder head for the engine wiring harness bracket.
  49. Tighten
    Tighten the engine wiring harness bracket stud to 25 N·m (18 lb ft).

  50. Install the nut holding the engine wiring harness bracket to the EVAP purge canister solenoid stud.
  51. Tighten
    Tighten the engine wiring harness bracket nut to 9 N·m (80 lb in).

  52. Install the nut and the ground wire to engine wiring harness bracket stud at the rear of the right cylinder head.
  53. Tighten
    Tighten the ground wire nut to 16 N·m (12 lb ft).


    Object Number: 310241  Size: SH
  54. Install the nuts and the engine wiring harness bracket to the upper intake manifold studs.
  55. Tighten
    Tighten the engine wiring harness bracket nuts 12 N·m (106 lb in).


    Object Number: 491816  Size: SH
  56. Connect the following electrical connectors:
  57. • The EVAP canister purge solenoid valve (1)
    • The manifold absolute pressure (MAP) sensor (2)
    • The ignition control module (ICM) (4)
    • The ignition coil (3)

    Object Number: 491821  Size: SH
  58. Connect the following electrical connectors:
  59. • The A/C pressure switch (4), if equipped
    • The A/C compressor clutch (1), if equipped
    • The exhaust gas recirculation (EGR) valve (2)
    • The generator battery positive cable (3)

    Object Number: 491817  Size: SH
  60. Connect the following electrical connectors:
  61. • The fuel meter body assembly (3)
    • The throttle position (TP) sensor (1)
    • The idle air control (IAC) motor (2)
    • The engine coolant temperature (ECT) sensor (4)

    Object Number: 398868  Size: SH
  62. Connect the AIR crossover pipe to the AIR pipe assemblies.

  63. Object Number: 398030  Size: SH
  64. Install the accelerator control cable bracket with the accelerator control cable and the cruise control cable and the nuts to the throttle body.
  65. Tighten
    Tighten the nuts to 9 N·m (80 lb in).

  66. Install the engine wiring harness and clip to the accelerator control cable bracket.
  67. Install the cruise control cable, if equipped to the throttle shaft and the accelerator control cable bracket. Refer to Cruise Control Cable Replacement in Cruise Control.

  68. Object Number: 325557  Size: MH
  69. Install the accelerator cable to the engine cable bracket.

  70. Object Number: 325556  Size: SH
  71. Install the accelerator cable to the throttle body lever.

  72. Object Number: 26764  Size: SH
  73. Install the accelerator cable to the cable routing bracket.

  74. Object Number: 398868  Size: SH
  75. Connect the AIR crossover pipe to the AIR pipe assemblies.

  76. Object Number: 489176  Size: SH
  77. Align the hinge clip with the lip on the throttle body.
  78. Install the air inlet tube and resonator to the throttle body by pivoting the air inlet tube and resonator downward until the mounting stud is through the hole in the air inlet tube.


    Object Number: 489179  Size: SH
  79. Install the resonator retaining wing nut.
  80. Connect the PCV hose to the air cleaner outlet duct.

  81. Object Number: 373468  Size: SH
  82. Connect the MAF/IAT sensor assembly harness connector.
  83. Connect the battery negative cable. Refer to Battery Negative Cable Disconnection and Connection in Engine Electrical.