GM Service Manual Online
For 1990-2009 cars only

Starter Replacement 4.3 L Engine

Removal Procedure

    Caution: Unless directed otherwise, the ignition and start switch must be in the OFF or LOCK position, and all electrical loads must be OFF before servicing any electrical component. Disconnect the negative battery cable to prevent an electrical spark should a tool or equipment come in contact with an exposed electrical terminal. Failure to follow these precautions may result in personal injury and/or damage to the vehicle or its components.

  1. Disconnect the negative battery cable. Refer to Battery Negative Cable Disconnection and Connection .
  2. Raise and support the vehicle. Refer to Lifting and Jacking the Vehicle in General Information.

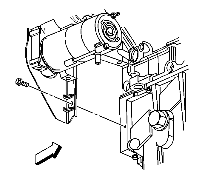
  3. Object Number: 663527  Size: SH
  4. Remove the starter motor mounting bolts.

  5. Object Number: 368407  Size: SH
  6. Disconnect the positive battery cable and wiring harness from the starter.
  7. Remove the starter from the vehicle.

Installation Procedure

  1. Install the starter to the vehicle.
  2. Notice: Use the correct fastener in the correct location. Replacement fasteners must be the correct part number for that application. Fasteners requiring replacement or fasteners requiring the use of thread locking compound or sealant are identified in the service procedure. Do not use paints, lubricants, or corrosion inhibitors on fasteners or fastener joint surfaces unless specified. These coatings affect fastener torque and joint clamping force and may damage the fastener. Use the correct tightening sequence and specifications when installing fasteners in order to avoid damage to parts and systems.


    Object Number: 368413  Size: SH
  3. Connect the positive battery cable and wiring harness to the starter.
  4. Tighten
    Tighten the nut to 16  N·m (12 lb in).


    Object Number: 663527  Size: SH
  5. Install the starter motor mounting bolts.
  6. Tighten
    Tighten the starter mounting bolts to 43 N·m (32 lb ft).

  7. Connect the negative battery cable. Refer to Battery Negative Cable Disconnection and Connection .

Starter Replacement 4.8L, 5.3L, and 6.0L Engines

Removal Procedure

    Caution: Refer to Battery Disconnect Caution in the Preface section.


    Object Number: 662092  Size: SH
  1. Disconnect the negative battery cable. Refer to Battery Negative Cable Disconnection and Connection .
  2. Remove the engine oil level indicator tube fasteners and position aside. Refer to Oil Level Indicator and Tube Replacement .
  3. Raise and suitably support the vehicle. Refer to Lifting and Jacking the Vehicle in General Information.

  4. Object Number: 663487  Size: SH
  5. Remove the right transmission cover bolt.

  6. Object Number: 663527  Size: SH
  7. Remove the starter bolts.
  8. Disconnect the oil level sensor electrical connector.
  9. Slide the starter forward until the starter clears the transmission.

  10. Object Number: 662991  Size: SH
  11. Remove the starter solenoid nut (3).
  12. Remove the starter lead (2) from the solenoid stud.

  13. Object Number: 662510  Size: SH
  14. Remove the starter lead nut.
  15. Remove the positive cable from the starter stud.
  16. Place the starter on a workbench.

  17. Object Number: 663489  Size: SH
  18. Unsnap the transmission cover from the starter.

  19. Object Number: 663472  Size: SH
  20. If necessary, remove the starter shield.

Installation Procedure


    Object Number: 663472  Size: SH
  1. If necessary, install the starter shield.

  2. Object Number: 663489  Size: SH
  3. Snap the transmission cover to the starter.
  4. Notice: Refer to Fastener Notice in the Preface section.


    Object Number: 662510  Size: SH
  5. Install the positive cable to the starter stud.
  6. Install the starter lead nut.
  7. Tighten
    Tighten the starter lead nut to 9 N·m (80 lb in).


    Object Number: 662991  Size: SH
  8. Install the starter solenoid lead (2) to the solenoid stud.
  9. Install the starter solenoid nut (3).
  10. Tighten
    Tighten the starter solenoid nut to 3.4 N·m (30 lb in).


    Object Number: 663527  Size: SH
  11. Snap the transmission cover onto the starter.
  12. Slide the starter rearward.
  13. Install the starter bolts.
  14. Tighten
    Tighten the starter bolts to 50 N·m (37 lb ft).

  15. Connect the oil level sensor electrical connector.

  16. Object Number: 663487  Size: SH
  17. Install the right transmission cover bolt.
  18. Tighten
    Tighten the transmission cover bolt to 9 N·m (80 lb in).

  19. Lower the vehicle.
  20. Install the engine oil level indicator tube. Refer to Oil Level Indicator and Tube Replacement .

  21. Object Number: 662092  Size: SH
  22. Connect the negative battery cable. Refer to Battery Negative Cable Disconnection and Connection .

Starter Replacement 8.1L Engine

Removal Procedure

Caution: Unless directed otherwise, the ignition and start switch must be in the OFF or LOCK position, and all electrical loads must be OFF before servicing any electrical component. Disconnect the negative battery cable to prevent an electrical spark should a tool or equipment come in contact with an exposed electrical terminal. Failure to follow these precautions may result in personal injury and/or damage to the vehicle or its components.


    Object Number: 751548  Size: SH
  1. Disconnect the negative battery cable. Refer to Battery Negative Cable Disconnection and Connection .
  2. Raise and suitably support the vehicle with safety stands. Refer to Lifting and Jacking the Vehicle in General Information.
  3. Remove the positive cable nut.
  4. Remove the positive cable from the starter solenoid.

  5. Object Number: 750961  Size: SH
  6. Remove the engine harness ground nut from the starter solenoid.
  7. Remove the engine harness ground (4) from the starter solenoid.

  8. Object Number: 747161  Size: SH
  9. Remove the starter motor bolts.
  10. Remove the starter motor.

  11. Object Number: 747162  Size: SH
  12. Remove the starter heat shield bolts, nut, and shield, if necessary.

Installation Procedure


    Object Number: 747162  Size: SH

    Notice: Use the correct fastener in the correct location. Replacement fasteners must be the correct part number for that application. Fasteners requiring replacement or fasteners requiring the use of thread locking compound or sealant are identified in the service procedure. Do not use paints, lubricants, or corrosion inhibitors on fasteners or fastener joint surfaces unless specified. These coatings affect fastener torque and joint clamping force and may damage the fastener. Use the correct tightening sequence and specifications when installing fasteners in order to avoid damage to parts and systems.

  1. Install the starter heat shield, nut and bolts, if necessary.
  2. Tighten

        • Tighten the starter heat shield bolts to 3 N·m (35 lb in).
        • Tighten the starter heat shield nut to 5 N·m (44 lb in).

    Object Number: 747161  Size: SH
  3. Install the starter motor.
  4. Install the starter motor bolts.
  5. Tighten
    Tighten the starter motor bolts to 50 N·m (37 lb ft).


    Object Number: 750961  Size: SH
  6. Install the engine harness ground (4) to the starter solenoid.
  7. Install the engine harness ground nut to the starter solenoid.
  8. Tighten
    Tighten the engine harness ground nut to 3.4 N·m (30 lb in).


    Object Number: 751548  Size: SH
  9. Install the positive cable to the starter solenoid.
  10. Install the positive cable nut.
  11. Tighten
    Tighten the positive cable nut to 9 N·m (80 lb in).

  12. Lower the vehicle.
  13. Connect the negative battery cable. Refer to Battery Negative Cable Disconnection and Connection .

Starter Replacement 6.6 L Engine

Removal Procedure


    Object Number: 401885  Size: SH
  1. Disconnect both battery negative cables. Refer to Battery Negative Cable Disconnection and Connection .
  2. Raise the vehicle. Refer to Lifting and Jacking the Vehicle in General Information.
  3. Remove the right front tire and wheel. Refer to Tire and Wheel Removal and Installation in Tires and Wheels.
  4. Remove the right front fender wheelhouse inner panel (1).
  5. Disconnect the turbocharger exhaust pipe. Refer to Exhaust Manifold Pipe Replacement in Engine Exhaust.

  6. Object Number: 674619  Size: SH
  7. Remove the battery positive cable from the starter motor.
  8. Remove the solenoid wires.

  9. Object Number: 660305  Size: SH
  10. Remove the starter motor bolts.
  11. Remove the starter motor assembly.

Installation Procedure


    Object Number: 660305  Size: SH
  1. Install the starter motor to the engine rear cover.
  2. Notice: Refer to Fastener Notice in the Preface section.

  3. Install the starter motor bolts.
  4. Tighten
    Tighten the starter bolts to 78 N·m (58 lb ft).


    Object Number: 674619  Size: SH
  5. Install the solenoid wires.
  6. Install the starter solenoid nut.
  7. Tighten
    Tighten the starter solenoid nut to 3.4 N·m (30 lb in).

  8. Install the battery positive cable to the solenoid stud.
  9. Install the battery positive cable nut.
  10. Tighten
    Tighten the starter battery positive cable nut to 9 N·m (80 lb in).

  11. Connect the turbocharger exhaust pipe. Refer to Exhaust Manifold Pipe Replacement in Engine Exhaust.

  12. Object Number: 401885  Size: SH
  13. Install the right front fender wheelhouse inner panel (1).
  14. Install the right front tire and wheel. Refer to Tire and Wheel Removal and Installation in Tires and Wheels.
  15. Lower the vehicle.
  16. Connect both battery negative cables. Refer to Battery Negative Cable Disconnection and Connection .