GM Service Manual Online
For 1990-2009 cars only

Removal Procedure

Important: The intake manifold, throttle body, fuel rail, and injectors may be removed as an assembly. If not servicing the individual components, remove the manifold as a complete assembly.


    Object Number: 600833  Size: SH
  1. Remove the engine sight shield and retainer. Refer to Upper Intake Manifold Sight Shield Replacement .
  2. Relieve the fuel system pressure. Refer to Fuel Pressure Relief in Engine Controls - 4.8L, 5.3L, and 6.0L.
  3. Disconnect the cruise control cable from the throttle blade stud.
  4. Remove the cruise control cable from the bracket.

  5. Object Number: 389031  Size: SH
  6. Remove the accelerator control cable from the throttle blade.
  7. Remove the accelerator control cable from the bracket.

  8. Object Number: 679597  Size: SH
  9. Disconnect the following electrical connectors:
  10. • Main ignition coil harness (2).
    • Fuel injectors (3)
  11. Disconnect the wiring harness clips (1) from the fuel rail.

  12. Object Number: 679598  Size: SH
  13. Disconnect the following electrical connectors:
  14. • Main ignition coil harness (1)
    • Fuel injectors (3)
    • Exhaust gas recirculation (EGR) valve (4)
  15. Disconnect the harness clips (2) from the fuel rail.

  16. Object Number: 679510  Size: SH
  17. Disconnect the following electrical connectors:
  18. • Manifold absolute pressure (MAP) sensor (1)
    • Knock sensor (2)
  19. Remove the knock sensor harness electrical connector from the intake manifold.
  20. Set the electrical harness aside.

  21. Object Number: 389028  Size: SH
  22. Disconnect the following electrical connectors:
  23. • Throttle position (TP) sensor, if equipped
    • Electronic throttle control (ETC) motor, if equipped
    • Idle air control (IAC) valve

    Object Number: 663672  Size: SH
  24. Disconnect the following electrical connectors:
  25. • Purge solenoid (1)
    • Generator (3)
  26. Remove the wiring harness bracket nut.
  27. Remove the harness bracket from the stud.
  28. Reposition the engine wiring harness.

  29. Object Number: 220621  Size: SH
  30. Reposition the coolant air bleed hose at the throttle body.
  31. Remove the coolant air bleed hose from the throttle body.

  32. Object Number: 659465  Size: SH
  33. Reposition the radiator vent inlet hose clamp at the throttle body.
  34. Remove the radiator vent inlet hose from the throttle body.

  35. Object Number: 647795  Size: SH
  36. Remove the positive crankcase ventilation (PCV) hose from the throttle body and rocker arm cover.

  37. Object Number: 647793  Size: SH
  38. Remove the PCV hose (with valve) from the intake manifold and rocker arm cover.

  39. Object Number: 679527  Size: SH
  40. Remove the following EGR pipe bolts:
  41. • Intake manifold (1)
    • Cylinder head (2)
    • Exhaust manifold (3)
  42. Remove the EGR pipe (with valve).
  43. Remove the EGR pipe gasket from the exhaust manifold.

  44. Object Number: 382483  Size: SH
  45. If equipped, remove the vacuum brake booster hose from the rear of the intake manifold.

  46. Object Number: 372717  Size: SH
  47. Remove the evaporative emission (EVAP) purge solenoid vent tube by performing the following:
  48. 29.1. Remove the EVAP tube end (2) from the solenoid (1).
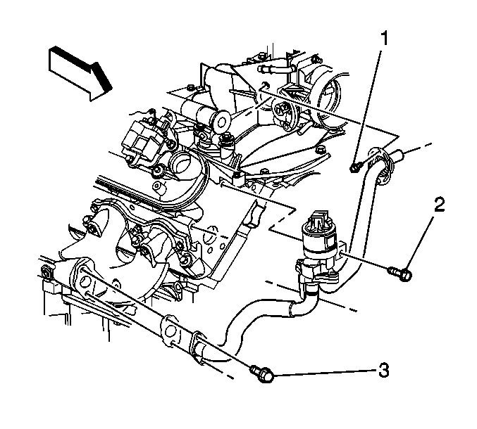
    29.2. Squeeze the EVAP pipe quick connect fitting (3) retainer together.
    29.3. Remove the EVAP tube end (3) from the vapor pipe.
  49. Disconnect the fuel line quick connect fittings. Refer to Metal Collar Quick Connect Fitting Service or Plastic Collar Quick Connect Fitting Service in Engine Controls - 4.8L, 5.3L, and 6.0L.

  50. Object Number: 642285  Size: SH
  51. Remove the intake manifold bolts.
  52. Remove the intake manifold.

  53. Object Number: 492770  Size: SH
  54. Remove the intake manifold gaskets (1) from the intake manifold.
  55. Discard the old intake manifold gaskets.
  56. Clean the gasket surfaces of the EGR pipe and the exhaust manifold.
  57. If replacement of the intake manifold is required, remove the following components:
  58. • Throttle body. Refer to Throttle Body Removal in Engine Mechanical - 4.8L, 5.3L, and 6.0L Unit Repair.
    • Fuel rail and injectors. Refer to Fuel Rail and Injectors Removal in Engine Mechanical - 4.8L, 5.3L, and 6.0L Unit Repair.

    Object Number: 260159  Size: SH
  59. If replacement of the intake manifold is required, remove the MAP sensor (1).

  60. Object Number: 492765  Size: SH
  61. If replacement of the intake manifold is required, remove the accelerator control cable bracket bolts (1) and bracket (2).

  62. Object Number: 389993  Size: SH
  63. If replacement of the intake manifold is required, remove the EVAP solenoid bolt (2), solenoid (3) and isolator (1).

Installation Procedure


    Object Number: 389993  Size: SH

    Notice: Use the correct fastener in the correct location. Replacement fasteners must be the correct part number for that application. Fasteners requiring replacement or fasteners requiring the use of thread locking compound or sealant are identified in the service procedure. Do not use paints, lubricants, or corrosion inhibitors on fasteners or fastener joint surfaces unless specified. These coatings affect fastener torque and joint clamping force and may damage the fastener. Use the correct tightening sequence and specifications when installing fasteners in order to avoid damage to parts and systems.

  1. If replacement of the intake manifold was required, install the EVAP solenoid isolator (1), solenoid (3) and bolt (2) to the NEW intake manifold.
  2. Tighten
    Tighten the EVAP solenoid bolt to 10 N·m (89 lb in).


    Object Number: 492765  Size: SH
  3. If replacement of the intake manifold was required, install the accelerator control cable bracket (2) and bolts (1) to the NEW intake manifold.
  4. Tighten
    Tighten the accelerator control cable bracket bolts to 10 N·m (89 lb in).


    Object Number: 260159  Size: SH
  5. If replacement of the intake manifold was required, install the MAP sensor (1) to the NEW intake manifold.
  6. If replacement of the intake manifold was required, install the following components to the NEW intake manifold:
  7. • Throttle body. Refer to Throttle Body Installation in Engine Mechanical - 4.8L, 5.3L, and 6.0L Unit Repair.
    • Fuel rail and injectors. Refer to Fuel Rail and Injectors Installation in Engine Mechanical - 4.8L, 5.3L, and 6.0L Unit Repair.

    Object Number: 492770  Size: SH
  8. Install NEW intake manifold gaskets (1) to the intake manifold.

  9. Object Number: 642285  Size: SH
  10. Install the intake manifold.
  11. Apply a 5 mm (0.20 in) band of threadlock GM P/N 12345382 or equivalent to the threads of the intake manifold bolts.

  12. Object Number: 63222  Size: SH
  13. Install the intake manifold bolts.
  14. Tighten

    1. Tighten the intake manifold bolts a first pass in sequence to 5 N·m (44 lb in).
    2. Tighten the intake manifold bolts a final pass in sequence to 10 N·m (89 lb in).

    Object Number: 647793  Size: SH
  15. Install the PCV hose (with valve).

  16. Object Number: 382483  Size: SH
  17. Install the vacuum brake booster hose to the rear of the intake manifold, if equipped.

  18. Object Number: 679527  Size: SH
  19. Position a NEW EGR pipe gasket on the exhaust manifold.
  20. Install the EGR pipe (with valve).
  21. Install the following EGR pipe bolts until snug:
  22. • Intake manifold (1)
    • Cylinder head (2)
    • Exhaust manifold (3)
  23. Tighten the EGR pipe bolts.
  24. Tighten

        • Tighten the EGR valve pipe-to-intake manifold bolts to 10 N·m (89 lb in).
        • Tighten the EGR valve pipe-to-cylinder head bolts to 50 N·m (37 lb ft).
        • Tighten the EGR valve pipe-to-exhaust manifold bolts to 30 N·m (22 lb ft).
  25. Route the electrical harness into position over the engine.

  26. Object Number: 679510  Size: SH
  27. Connect the knock sensor harness electrical connector to the intake manifold.
  28. Connect the following electrical connectors.
  29. • MAP sensor (1)
    • Knock sensor (2)

    Object Number: 679598  Size: SH
  30. Connect the following electrical connectors:
  31. • Main ignition coil harness (1)
    • Fuel injectors (3)
    • EGR valve (4)
  32. Connect the harness clips (2) to the fuel rail.

  33. Object Number: 679597  Size: SH
  34. Connect the following electrical connectors:
  35. • Main ignition coil harness (2).
    • Fuel injectors (3)
  36. Connect the wiring harness clips (1) to the fuel rail.

  37. Object Number: 389031  Size: SH
  38. Install the accelerator control cable to the bracket.
  39. Install the accelerator control cable to the throttle blade.

  40. Object Number: 600833  Size: SH
  41. Install the cruise control cable to the bracket.
  42. Connect the cruise control cable to the throttle blade stud.
  43. Install the engine sight shield and retainer. Refer to Upper Intake Manifold Sight Shield Replacement .