GM Service Manual Online
For 1990-2009 cars only

Special Tools

    • J 41476 Front and Rear Cover Alignment Tool
    • J 41479-2A Crankshaft Rear Oil Seal Installation Guide

Removal Procedure


    Object Number: 680413  Size: SH
  1. Remove the engine flywheel. Refer to Engine Flywheel Replacement.
  2. Remove the oil pan-to-rear oil seal housing bolts (1).

  3. Object Number: 2100849  Size: SH
  4. Remove the rear oil seal housing bolts (1).
  5. Remove the rear oil seal housing (2) and gasket (3). Discard the gasket.
  6. Remove and discard the rear oil seal (4).

Installation Procedure

    Important: 

       • Do not reuse the crankshaft oil seal or rear cover gasket.
       • Do not apply any type of sealant to the rear cover gasket, unless specified.
       • The special tool in this procedure is used to properly center the crankshaft rear oil seal.
       • All gasket surfaces should be free of oil or other foreign material during assembly.
       • The crankshaft rear oil seal MUST be centered in relation to the crankshaft.
       • An improperly aligned rear cover may cause premature rear oil seal wear and/or engine assembly oil leaks.


    Object Number: 2108436  Size: SH
  1. Apply a 5 mm (0.2 in) bead of sealant, 20 mm (0.8 in) to the 2 joints (a) at the rear of the block/pan. Refer to Adhesives, Fluids, Lubricants, and Sealers.

  2. Object Number: 63228  Size: MH
  3. Inspect the rear oil gallery plug for proper installation.

Installation Procedure - Cover with Seal

  1. Install the J 41479-2A cone and bolts onto the rear of the crankshaft.

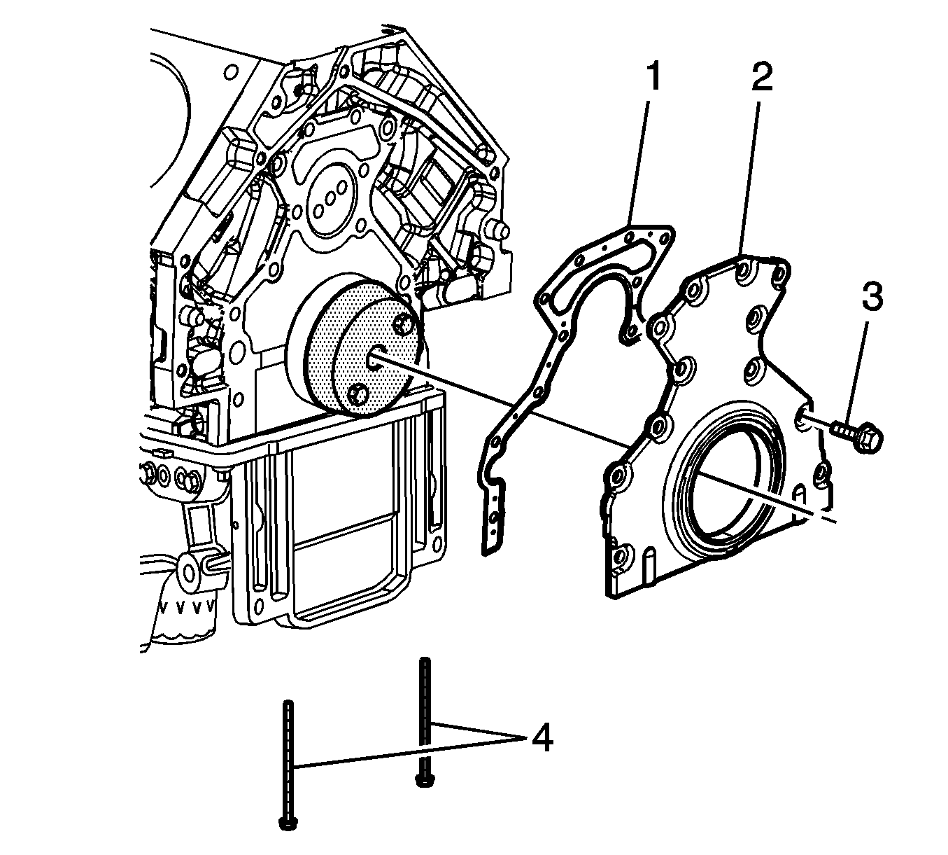
  2. Object Number: 2100848  Size: SH
  3. Install the NEW rear housing gasket (1), rear housing with seal (2), rear housing-to-engine bolts (3) and oil pan-to-rear housing bolts (4).
  4. Notice: Refer to Fastener Notice in the Preface section.

  5. Tighten the rear housing-to-engine bolts (3) until snug. Do not overtighten.
  6. Tighten
    Tighten the oil pan-to-rear housing bolts (4) to 12 N·m (106 lb in).

  7. Tighten the rear housing-to-engine bolts (3).
  8. Tighten
    Tighten the bolts to 30 N·m (22 lb ft).

  9. Remove the J 41479-2A .
  10. Install the engine flywheel. Refer to Engine Flywheel Replacement.

Installation Procedure - Cover without Seal


    Object Number: 2100849  Size: SH
  1. Position a NEW rear oil seal housing gasket (3) and the housing (2) to the engine.
  2. Install the rear oil seal housing bolts (1) until snug. Do not overtighten.
  3. Rotate the crankshaft until 2 opposing flywheel bolts holes are parallel to the oil pan surface.

  4. Object Number: 451716  Size: SH

    Important: The tapered legs of the alignment tool must enter the rear cover oil seal bore.

  5. Install the J 41476 and bolts onto the rear of the crankshaft.
  6. Tighten the J 41476 bolts until snug. Do not overtighten.

  7. Object Number: 680413  Size: SH
  8. Install the oil pan-to-rear oil seal housing bolts (1).
  9. Tighten

    1. Tighten the oil pan-to-rear cover bolts to 12 N·m (106 lb in).
    2. Tighten the rear oil seal housing-to-engine bolts to 30 N·m (22 lb ft).
  10. Remove the J 41476 .
  11. Install a NEW crankshaft rear oil seal. Refer to Crankshaft Rear Oil Seal Replacement.
  12. Install the engine flywheel. Refer to Engine Flywheel Replacement.