GM Service Manual Online
For 1990-2009 cars only

Tools Required

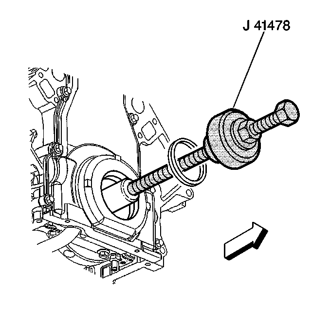
J 41478 Crankshaft Front Oil Seal Installer

Removal Procedure


    Object Number: 490689  Size: SH
  1. Remove the crankshaft balancer. Refer to Crankshaft Balancer Replacement .
  2. Remove the crankshaft oil seal (1) from the front cover.

Installation Procedure

Important: 

   • Do not lubricate the oil seal sealing surface.
   • Do not reuse the crankshaft oil seal.


    Object Number: 490689  Size: SH
  1. Lubricate the outer edge of the oil seal (1) with clean engine oil.
  2. Lubricate the front cover oil seal bore with clean engine oil.

  3. Object Number: 63177  Size: SH
  4. Install the crankshaft front oil seal onto the J 41478 guide.
  5. Install the J 41478 threaded rod (with nut, washer, guide, and oil seal) into the end of the crankshaft.
  6. Use the J 41478 in order to install the oil seal into the cover bore.
  7. 5.1. Use a wrench and hold the hex on the installer bolt.
    5.2. Use a second wrench and rotate the installer nut clockwise until the seal bottoms in the cover bore.
    5.3. Remove the J 41478 .
    5.4. Inspect the oil seal for proper installation.

    The oil seal should be installed evenly and completely into the front cover bore.

  8. Install the crankshaft balancer. Refer to Crankshaft Balancer Replacement .