GM Service Manual Online
For 1990-2009 cars only

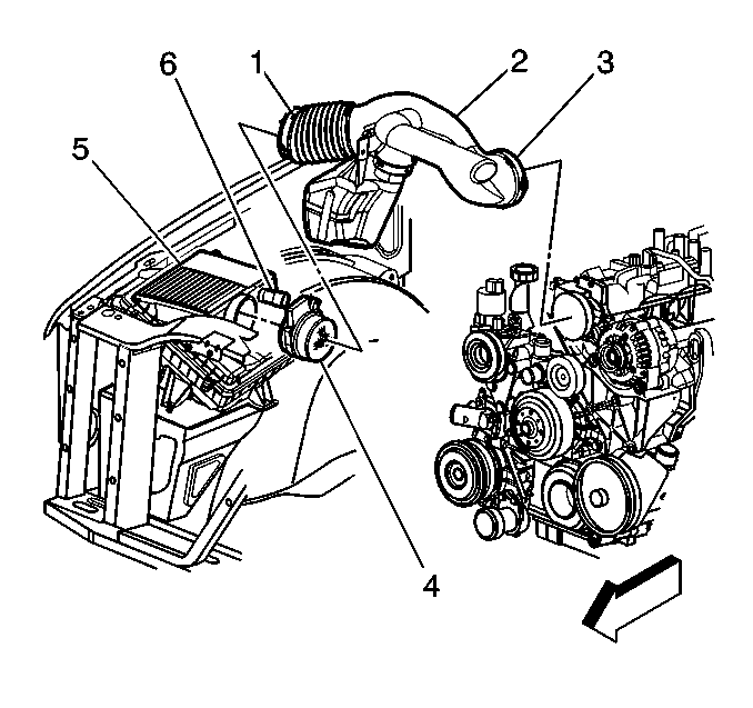
Removal Procedure

Important: Take care when handling the mass air flow/ intake air temperature (MAF/IAT) sensor. Do not dent, puncture, or otherwise damage the honeycell located at the air inlet end of the MAF/IAT. Do not touch the sensing elements or allow anything including cleaning solvents and lubricants to come in contact with them. Use a small amount of a non-silicone based lubricant, on the air duct only, to aid in installation. Do not drop or roughly handle the MAF/IAT sensor.


    Object Number: 307286  Size: SH
  1. Remove intake duct (2). Refer to XXX.
  2. Disconnect the MAF/IAT sensor electrical connector.
  3. Loosen the clamp securing the MAF/IAT (4) sensor to the air cleaner housing (5).
  4. Remove the MAF/IAT (4) sensor from the air cleaner assembly (5).

Installation Procedure

Important:: The embossed arrow on the MAF/IAT sensor indicates the proper air flow direction. The arrow must point toward the engine.


    Object Number: 359112  Size: SH
  1. Locate the air flow direction arrow (2) on the MAF/IAT sensor.

  2. Object Number: 350032  Size: SH
  3. Install the MAF/IAT sensor (4) on to the air cleaner housing (5).
  4. Tighten the clamp securing the MAF/IAT (4) sensor to the air cleaner housing (5).
  5. Connect the MAF/IAT electrical connector.
  6. Install intake duct (2). Refer to XXX.