GM Service Manual Online
For 1990-2009 cars only
Makes
🢒
Chevrolet
🢒
2001
🢒
Chevy C Silverado - 2WD
🢒
Suspension
🢒
Selectable Ride
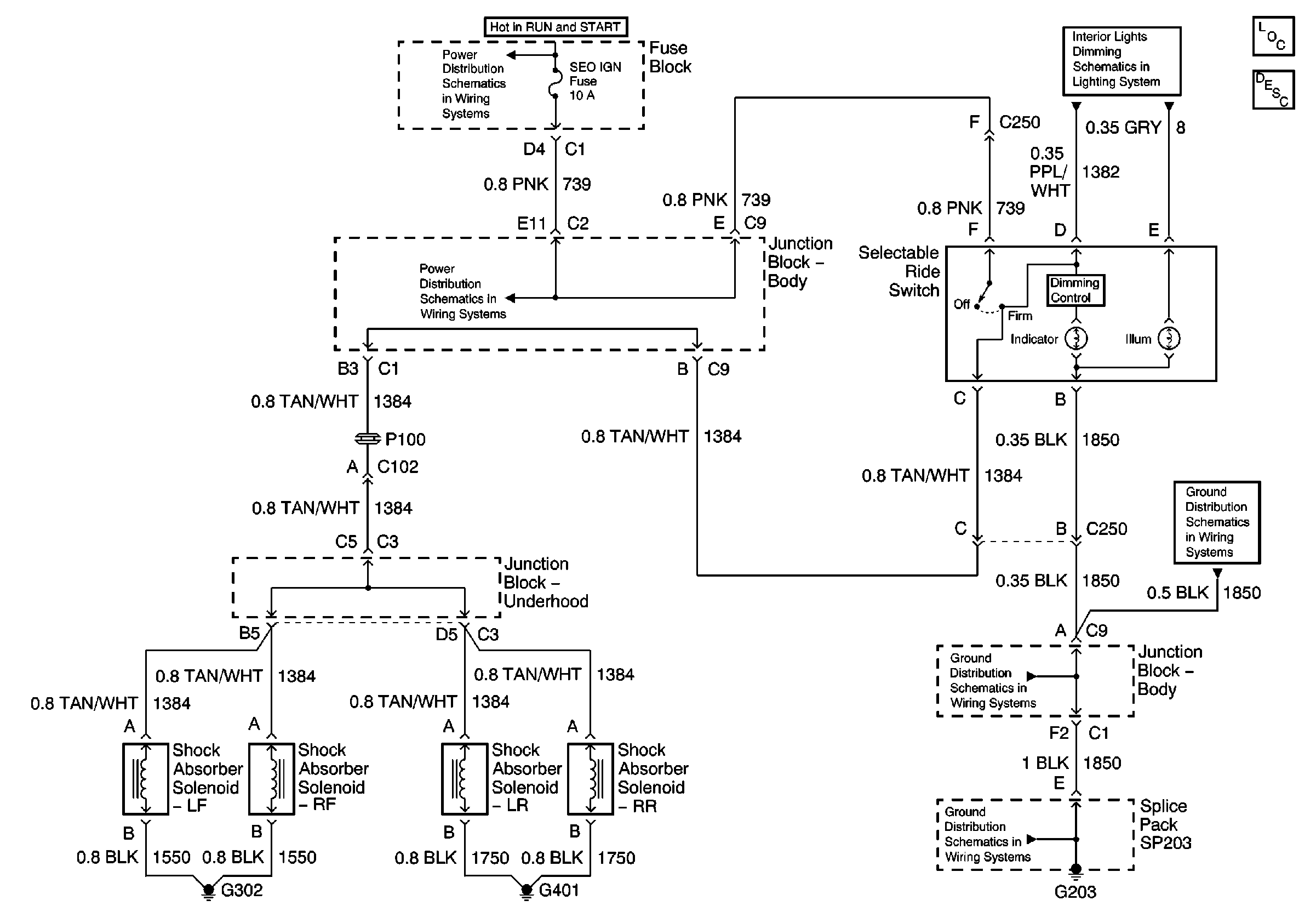
🢒 Suspension Controls Schematics
Master Electrical Component List
Selectable Ride Description and Operation
IGNITION, RUN, and START Bus Bar
IGN 1, AIR BAG, and SEO IGN Fuses
Dimming Control, Rear Wiper/Washer, Roof Beacon, and Selectable Ride Switches
G203 - 4 of 4 - Utility and Uplevel Pickup
G203 - 4 of 4 - Utility and Uplevel Pickup
G203 - 1 of 4