GM Service Manual Online
For 1990-2009 cars only

Rear Axle Replacement 15 Series Utility

Removal Procedure

  1. Raise the vehicle. Refer to Lifting and Jacking the Vehicle in General Information.
  2. Place jack or utility stands (such as GMDE 123-B67313) at the front end of the vehicle.
  3. Support the rear axle with jack stands.
  4. Remove the wheel and tire assemblies. Refer to Tire and Wheel Removal and Installation in Wheels and Tires.
  5. Disconnect the rear axle vent tube.
  6. Remove the propshaft. Refer to Two-Piece Propeller Shaft Replacement in Propeller Shaft.
  7. Disconnect the left rear parking brake cable from the rear axle. Refer to Parking Brake Rear Cable Replacement - Left Side in Park Brake.
  8. Disconnect the right rear parking brake cable from the rear axle. Refer to Parking Brake Rear Cable Replacement - Right Side in Park Brake.
  9. Remove the caliper assemblies from the rear axle. Refer to Rear Brake Caliper Replacement in Disc Brakes.
  10. Remove the crossover brake pipe from the rear axle.
  11. Remove the coil springs. Refer to Coil Spring Replacement in Rear Suspension.
  12. Disconnect the track bar from the rear axle. Refer to Rear Axle Tie Rod Replacement in Rear Suspension.
  13. Disconnect the lower control arm from the rear axle. Refer to Rear Axle Lower Control Arm Replacement in Rear Suspension.
  14. Disconnect the upper control arm from the rear axle. Refer to Rear Axle Upper Control Arm Replacement in Rear Suspension.
  15. Remove the rear axle assembly from the vehicle.

Installation Procedure

  1. Install the rear axle assembly to the vehicle.
  2. Connect the upper control arm to the rear axle. Refer to Rear Axle Upper Control Arm Replacement in Rear Suspension.
  3. Connect the lower control arm to the rear axle. Refer to Rear Axle Lower Control Arm Replacement in Rear Suspension.
  4. Connect the track bar to the rear axle. Refer to Rear Axle Tie Rod Replacement in Rear Suspension.
  5. Install the coil springs. Refer to Coil Spring Replacement in Rear Suspension.
  6. Notice: Use the correct fastener in the correct location. Replacement fasteners must be the correct part number for that application. Fasteners requiring replacement or fasteners requiring the use of thread locking compound or sealant are identified in the service procedure. Do not use paints, lubricants, or corrosion inhibitors on fasteners or fastener joint surfaces unless specified. These coatings affect fastener torque and joint clamping force and may damage the fastener. Use the correct tightening sequence and specifications when installing fasteners in order to avoid damage to parts and systems.

  7. Install the crossover brake pipe to the rear axle.
  8. Tighten
    Tighten the bolt to 22 N·m (16 lb ft).

  9. Install the caliper assemblies to the rear axle. Refer to Rear Brake Caliper Replacement in Disc Brakes.
  10. Connect the right rear parking brake cable to the rear axle. Refer to Parking Brake Rear Cable Replacement - Right Side in Park Brake.
  11. Connect the left rear parking brake cable to the rear axle. Refer to Parking Brake Rear Cable Replacement - Left Side in Park Brake.
  12. Install the propshaft. Refer to Two-Piece Propeller Shaft Replacement in Propeller Shaft.
  13. Connect the rear axle vent tube.
  14. Install the wheel and tire assemblies. Refer to Tire and Wheel Removal and Installation in Wheels and Tires.
  15. Fill the axle with lubricant. Use the proper fluid. Refer to Approximate Fluid Capacities and Fluid and Lubricant Recommendations in Maintenance and Lubrication.
  16. Remove the utility and jack stands.
  17. Lower the vehicle.

Rear Axle Replacement 25 HD, 35 Series Pickup/Chassis Cab

Removal Procedure

Important: Observe and accurately reference mark all driveline components relative to the propeller shaft and axles before disassembly. These components include the propeller shafts, the drive axles, the pinion flanges, the output shafts, etc. All components must be reassembled in the exact relationship to each other as they were when removed. In addition, published specifications and torque values, as well as any measurements made prior to disassembly must be followed.

  1. Raise the vehicle. Refer to Lifting and Jacking the Vehicle in General Information.
  2. Place jack or utility stands (such as GMDE 123-B67313) at the front end of the vehicle.
  3. Support the axle with jack stands.
  4. Remove the tire and wheel assemblies. Refer to Tire and Wheel Removal and Installation in Tires and Wheels.

  5. Object Number: 661062  Size: SH
  6. Remove the stabilizer shaft link bolt (5) and the nut (3).
  7. Disconnect the upper stabilizer shaft link (4) from the frame.

  8. Object Number: 361391  Size: SH
  9. Reference mark the rear propeller shaft (3) to the rear axle pinion yoke (4).
  10. Disconnect the propeller shaft from the axle.
  11. Support the propeller shaft as necessary.


    Object Number: 659187  Size: SH
  12. Disconnect the lower mount of the shock absorbers.

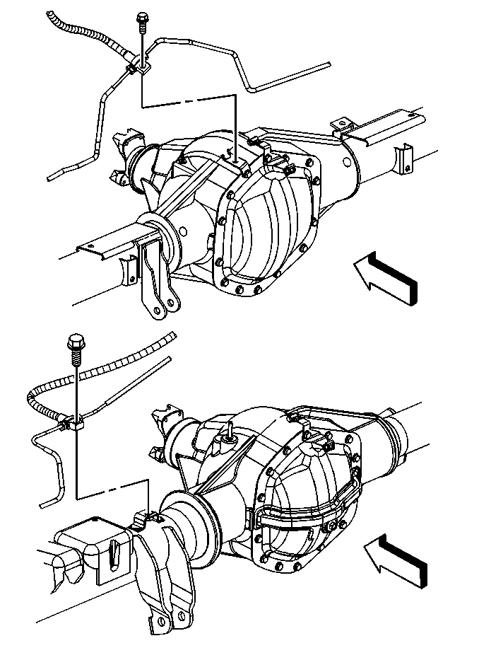
  13. Object Number: 341890  Size: SH
  14. Disconnect the vent hose (1).
  15. Disconnect the park brake cables. Refer to Parking Brake Rear Cable Replacement - Left Side and Parking Brake Rear Cable Replacement - Right Side in Park Brake.

  16. Object Number: 658042  Size: MH
  17. Disconnect the junction block.

  18. Object Number: 658043  Size: MH
  19. Disconnect the brake pipe.

  20. Object Number: 658048  Size: SH
  21. Disconnect the brake pipe fitting bracket from the brake assembly.
  22. Remove the brake calipers. Refer to Rear Brake Caliper Replacement in Disc Brakes.
  23. Notice: Support the caliper with a piece of wire to prevent damage to the brake line.

  24. Support the calipers from the frame using a heavy gauge mechanics wire.

  25. Object Number: 659185  Size: SH
  26. Remove the nuts and the washers from the spring assembly U-bolts.
  27. Remove the U-bolts, the anchor plates and the spacers from the axle.
  28. Remove the axle with the aid of a hydraulic assist.

  29. Object Number: 661064  Size: SH
  30. Remove the stabilizer shaft U-bolt nuts (4) and the U-bolts (2) from the axle (3) (if necessary).
  31. Remove the stabilizer shaft (1) from the axle (if necessary).

Installation Procedure


    Object Number: 661064  Size: SH
  1. Install the stabilizer shaft (1) to the axle (3) (if necessary).
  2. Install the stabilizer shaft clamps, the U-bolts (2), and the nuts (4) (if necessary).
  3. Do not torque the stabilizer shaft U-bolt nuts at this time.

  4. Place the axle under the vehicle.
  5. Raise the axle to the springs with the aid of a hydraulic assist.
  6. Align the axle with the springs.


    Object Number: 659185  Size: SH
  7. Install the spacers, the anchor plates and the U-bolts.
  8. Notice: Use the correct fastener in the correct location. Replacement fasteners must be the correct part number for that application. Fasteners requiring replacement or fasteners requiring the use of thread locking compound or sealant are identified in the service procedure. Do not use paints, lubricants, or corrosion inhibitors on fasteners or fastener joint surfaces unless specified. These coatings affect fastener torque and joint clamping force and may damage the fastener. Use the correct tightening sequence and specifications when installing fasteners in order to avoid damage to parts and systems.

  9. Install the washers and the nuts to the U-bolts.
  10. Tighten

        • Tighten the nuts (w/ attached washer) to 72 N·m (53 lb ft).
        • Tighten the nuts (w/o attached washer) to 137 N·m (101 lb ft).

    Object Number: 661062  Size: SH
  11. Install the stabilizer shaft link to the frame (1) (if necessary).
  12. Install the stabilizer shaft link bolt (5) and the nut (3) (if necessary).
  13. Tighten

    1. Tighten the stabilizer shaft link bolts to 95 N·m (70 lb ft).
    2. Tighten the stabilizer shaft U-bolt nuts to 32 N·m (24 lb ft).
  14. Install the brake calipers. Refer to Rear Brake Caliper Replacement in Disc Brakes.

  15. Object Number: 658048  Size: SH
  16. Install the brake pipe fitting brackets.
  17. Install the brake pipe fitting bracket bolts.
  18. Tighten
    Tighten the bolts to 22 N·m (16 lb ft).


    Object Number: 658043  Size: MH
  19. Install the brake pipe.
  20. Install the brake pipe bolts.
  21. Tighten
    Tighten the bolts to 22 N·m (16 lb ft).


    Object Number: 658042  Size: MH
  22. Install the brake pipe junction block.
  23. Install the brake pipe junction block bolt.
  24. Tighten
    Tighten the brake pipe junction block bolt to 22 N·m (16 lb ft).

  25. Connect the park brake cables. Refer to Parking Brake Rear Cable Replacement - Left Side and Parking Brake Rear Cable Replacement - Right Side in Park Brake.

  26. Object Number: 341890  Size: SH
  27. Connect the vent hose (1) to the axle vent fitting.

  28. Object Number: 659187  Size: SH
  29. Install the shock absorbers to the lower mount bracket.
  30. Install the shock absorber bolts and the nuts.
  31. Tighten
    Tighten the shock absorber nuts to 95 N·m (70 lb ft).


    Object Number: 361391  Size: SH
  32. Install the propeller shaft (3) to the pinion yoke (4).
  33. Align the reference marks made during removal.

  34. Install the propeller shaft yoke retaining clamps (2) and the bolts (1).
  35. Tighten
    Tighten the yoke retaining clamp bolts to 25 N·m (18 lb ft).

  36. Install the tire and wheel assemblies. Refer to Tire and Wheel Removal and Installation in Tires and Wheels.
  37. Fill the axle with lubricant. Use the proper fluid. Refer to Approximate Fluid Capacities and Fluid and Lubricant Recommendations in Maintenance and Lubrication.
  38. Remove the jack and utility stands.
  39. Lower the vehicle.

Rear Axle Replacement 15/25 Series Pickup, 25 Series Utilty

Removal Procedure


    Object Number: 348393  Size: SH
  1. Raise the vehicle. Refer to Lifting and Jacking the Vehicle in General Information.
  2. Place jack or utility stands (such as GMDE 123-B67313) at the front end of the vehicle.
  3. Drain the axle lubricant from the rear axle. Refer to Lubricant Change .
  4. Disconnect the propeller shaft. Refer to One-Piece Propeller Shaft Replacement or Two-Piece Propeller Shaft Replacement .
  5. Remove the tire and wheel assemblies. Refer to Tire and Wheel Removal and Installation in Tires and Wheels.
  6. Disconnect the parking brake cable. Refer to Parking Brake Rear Cable Replacement - Left Side and Parking Brake Rear Cable Replacement - Right Side in Park Brake.
  7. Remove the brake line bracket bolts. Suspend the brake lines from the vehicle with heavy mechanics wire.
  8. Remove the brake calipers from the brake caliper mounting brackets. Do not disconnect the brake lines. Suspend the calipers from the vehicle with heavy mechanics wire. Refer to Rear Brake Caliper Replacement in Disc Brakes.
  9. Disconnect the shock absorbers from the axle brackets. Refer to Shock Absorber Replacement in Rear Suspension.
  10. Remove the vent hose from the rear axle vent fitting. Refer to Vent Hose Replacement .
  11. Remove the nuts and the washers from the U-bolts.
  12. Remove the U-bolts, the spring plates and the spacers form the axle assembly.
  13. Lower the axle assembly.

Installation Procedure


    Object Number: 348393  Size: SH
  1. Place the rear axle assembly under the vehicle.
  2. Align the rear axle assembly with the springs.
  3. Connect the spacers, the spring plates and the U-bolts to the rear axle.
  4. Raise the rear axle assembly into position.
  5. Notice: Use the correct fastener in the correct location. Replacement fasteners must be the correct part number for that application. Fasteners requiring replacement or fasteners requiring the use of thread locking compound or sealant are identified in the service procedure. Do not use paints, lubricants, or corrosion inhibitors on fasteners or fastener joint surfaces unless specified. These coatings affect fastener torque and joint clamping force and may damage the fastener. Use the correct tightening sequence and specifications when installing fasteners in order to avoid damage to parts and systems.

  6. Install the washers and the nuts to the U-bolts.
  7. Tighten

        • Tighten the nuts (w/ attached washer) to 72 N·m (53 lb ft).
        • Tighten the nuts (w/o attached washer) to 137 N·m (101 lb ft).
  8. Install the vent hose to the rear axle vent fitting. Refer to Vent Hose Replacement .
  9. Connect the shock absorbers to the rear axle. Refer to Shock Absorber Replacement in Rear Suspension.
  10. Install the brake calipers. Refer to Rear Brake Caliper Replacement in Disc Brakes.
  11. Install the brake lines and the brake line bracket bolts to the axle.
  12. Connect the parking brake cable. Refer to Parking Brake Rear Cable Replacement - Left Side and Parking Brake Rear Cable Replacement - Right Side in Park Brake.
  13. Install the tire and wheel assemblies. Refer to Tire and Wheel Removal and Installation in Tires and Wheels.
  14. Connect the propeller shaft. Refer to One-Piece Propeller Shaft Replacement or Two-Piece Propeller Shaft Replacement in Propeller Shaft.
  15. Fill the axle with lubricant. Use the proper fluid. Refer to Approximate Fluid Capacities and Fluid and Lubricant Recommendations in Maintenance and Lubrication.
  16. Remove the utility stands.
  17. Lower the vehicle.